Understanding Different Power Factor Correction Techniques for AC/DC Front-ends

Av Ashok Bindra

Bidrag fra Electronic Products

By definition, the power factor (PF) of an AC source is defined as the ratio of the real power, in watts, flowing into the load to the apparent power in the circuit, which is the product of current and voltage. It is represented as PF = Real Power (W)/Apparent Power (VA). The PF equation shows that it is a number between 0 and 1. Hence, when both current and voltage are in phase and sinusoidal, PF is 1. However, if both are sinusoidal but out of phase, the apparent power is more than the real power, and PF is the cosine of the phase angle between current and voltage waveforms. In practice, PF = 1 is an ideal situation where the load is pure resistive and linear. In reality, off-line AC/DC power supplies found in electronic systems are switch-mode, presenting a nonlinear load.

Because most power supplies today are switch-mode, they draw a non-sinusoidal waveform, resulting in a phase angle between input current and voltage. When the current waveform does not follow the voltage waveform, it results in a PF below 1. Besides power losses, < 1 PF causes harmonics that travel down the neutral line and disrupt other devices connected to the AC mains line. The lower the PF number, the higher is the harmonics content on the AC line, and vice versa.

Consequently, there are strict regulations to limit the harmonic distortion permitted on the AC mains line. For instance, Europe’s EN61000-3-2[1] was introduced to limit sending back reflected harmonics from electronic equipment into the mains. It is applicable to all class D electronic systems, such as PCs (including notebooks and PC monitors), and radio and TV receivers consuming more than 75 W. Class D is one of the four classes (A, B, C, and D) categorized by the EN61000-3-2 standard, which imposes different harmonic-current limits on each class. This standard is now accepted internationally.

To comply with the harmonic requirements of regulations like EN61000-3-2 and maintain high overall PF performance, it is necessary to incorporate power-factor correction (PFC) in the AC/DC front-end converter modules used in electronic systems consuming more than 75 W. Implementing PFC achieves a high PF number and ensures low harmonics. As we will see, there are a number of passive and active techniques available today for numerous power-supply topologies employed in the AC front-ends.

Passive PFCs

As described in chapter I of the Power Factor Correction Handbook published by ON Semiconductor,[2] the simplest way to control the harmonic current is to use a passive filter that passes current only at line frequency (e.g., 50 or 60 Hz). This filter reduces the harmonic current, which means that the nonlinear device now looks like a linear load. Using filters built with capacitors and inductors, power factor can be brought to near unity. However, the drawback is that the filter requires a large-value high-current inductor and a high-voltage capacitor, which is bulky and expensive.

Figure 1 shows the input harmonics for three different 250 W PC power supplies, compared with the limits according to EN/IEC61000-3-2 specifications for Class D devices. The harmonic amplitudes are proportioned to the input power of these devices. The performance of the passive PFC, as shown in this graph, just barely complies with the limit for the third harmonic. The unit with active PFC meets and beats the IEC61000-3-2 specs.

Power supply with active PFC controller

Figure 1: By comparison, power supply with active PFC controller outperforms passive PFC to exceed the IEC61000-3-2 specifications for harmonics on the mains line. (Courtesy of ON Semiconductor.)

Despite being simple to design and use, passive PFC circuits offer a few disadvantages. First, the bulkiness of the inductor restricts its usability in many applications. Second, for worldwide operation, a line-voltage range switch is required. Incorporation of the switch makes the appliance/system prone to operator errors if the switch selection is not properly made. Finally, the voltage rail not being regulated leads to a cost and efficiency penalty on the DC/DC converter that follows the PFC stage.

Active PFCs

Besides performance, the rising cost of copper and magnetic core material, coupled with the falling cost of semiconductors, has tilted the balance in favor of active PFC solutions, even in the most cost-sensitive consumer equipments. In the following scheme (Figure 2), the active PFC circuit is placed between the input rectifier and the storage capacitor, followed by the DC/DC converter. The PFC IC with associated circuitry shapes the input current to match the input voltage waveform and achieve PF that is 0.9 and higher.

The active PFC controller circuit

Figure 2: The active PFC controller circuit is placed between the input rectifier and the storage capacitor. (Courtesy of ON Semiconductor.)

Fundamentally, there are three different types of active PFC controller chips. These include critical-conduction mode (CrM), continuous-conduction mode (CCM), and discontinuous-conduction mode (DCM). There are several manufacturers offering a variety of these active PFC ICs, but each supplier offers its own versions and reasons for using them.

The CrM control scheme keeps the inductor current at the borderline limit between continuous and discontinuous conduction. Consequently, some vendors prefer to call it boundary-conduction mode or BCM. Since the wave shape is always known in this scheme, the relationship between the average and peak current is also known. ON Semiconductor supplies a variety of voltage-mode CrM PFC ICs for medium-power applications up to 300 W. Among the latest additions in this category are the MC34262/MC33262 controllers.

Another supplier of CrM PFC controllers is Fairchild Semiconductor. Its FAN6920MR combines a CrM PFC controller and a quasi-resonant PWM controller in a single package. For PFC, FAN6920MR uses a controlled on-time technique to provide a regulated DC output voltage, as well as to perform power-factor correction.

Because peak current stress is low, along with reduced ripple current and easier filtering task, CCM control is widely preferred in many applications, ranging from medium- to high-power applications. Some key suppliers offering CCM based PFC controllers include Fairchild Semiconductor, Infineon Technologies, International Rectifier, NXP Semiconductor, ON Semiconductor, Power Integrations, and Texas Instruments.

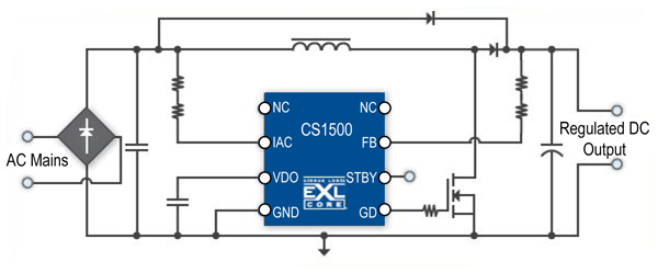
In the DCM space, which is also preferred for low- to medium-power applications, Cirrus Logic has implemented digital techniques to create a discontinuous-mode active PFC controller that eliminates the need for several passive components to offer a low-cost PFC solution for PCs, notebook adapters, and digital TV receivers. The CS1500 (Figure 3) uses variable on-time and variable-frequency algorithm to achieve close to unity power factor and low EMI emissions to simplify EMI filtering.

Cirrus Logic’s digital PFC controller

Figure 3: Cirrus Logic’s digital PFC controller executes adaptive digital algorithm to shape the AC mains input current waveform to be in-phase with the input voltage waveform.

Summary

Due to pressure to comply with regulations such as EN/IEC61000-3-2 and some of its global derivatives, the number of PFC controller suppliers has grown in last couple of years, giving designers more choices to develop close to unity PF solutions with a low component count and low cost. We have explored both passive and active PFC topologies and presented several controllers worthy of a closer look. For more information on the parts mentioned, use the links provided to access product pages on the DigiKey website.

References:

  1. Harmonic Current Emissions Guidelines to the standard EN 61000-3-2
  2. Basics of Power Factor Correction (PFC),” by ON Semiconductor and Dhaval Dalal, ACP Technologies

Disclaimer: The opinions, beliefs, and viewpoints expressed by the various authors and/or forum participants on this website do not necessarily reflect the opinions, beliefs, and viewpoints of DigiKey or official policies of DigiKey.

Om skribenten

Ashok Bindra

Om denne utgiveren

Electronic Products

Electronic Products magazine and ElectronicProducts.com serves engineers and engineering managers responsible for designing electronic equipment and systems.