High-Efficiency Gate Drivers Play Key Role in Solar Energy Harvesting
Bidrag fra Electronic Products
2013-07-31
While digital logic circuits provide critical monitoring and control functions in solar energy harvesting designs, power transistors provide the foundation of power delivery. Between these digital and power domains, gate drivers deliver the key interface functionality, driving high-power MOSFETs and IGBTs in solar-powered solutions. Designers can implement efficient full- and half-bridge power stages using gate drivers from Analog Devices, Fairchild Semiconductor, Linear Technology, Texas Instruments, and others.
Typically driven by low-power digital circuits, gate drivers generate the high current needed to drive high-power MOSFETs and IGBTs. Just as important, gate drivers can respond to high-frequency switching signals from digital control logic and deliver a corresponding high-speed, high-current drive for power transistors. In the process, gate drivers shield low-power digital control circuits from large, high-speed switching currents that can easily degrade digital circuits.
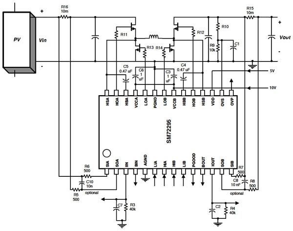
Engineers can choose from ICs supporting gate-drive configurations ranging from full-bridge to half-bridge with both non-isolated and isolated options. For example, the Texas Instruments SM72295 provides four independent gate drivers capable of providing 3 A of peak current to four discrete N-type MOSFETs in a full bridge configuration (Figure 1).

Intended for solar photovoltaic applications, the SM72295 includes a pair of current-sense amplifiers with programmable gain using external resistors. The device also provides buffered outputs from the current-sense amplifiers, for use with an ADC, for designs requiring more sophisticated power management features. Engineers can create a complete photovoltaic power supply by combining the SM72295 with the TI SM72442, a programmable controller providing four PWM drive signals for controlling the SM72295.
Besides specialized full-bridge devices such as the TI SM72295, engineers can opt for half-bridge gate drivers that combine a pair of gate drivers on a single device to improve timing match. The TI SM72482 extends this concept with a pair of output driver stages that (each) combine MOS and bipolar transistors to achieve high-output-drive characteristics, while reducing output-current variation due to voltage and temperature changes (Figure 2).

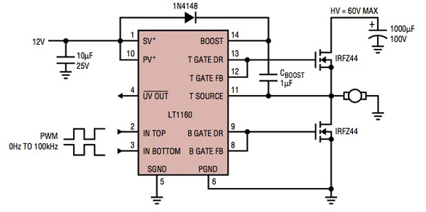
Devices such as the Fairchild Semiconductor FAN7384, Texas Instruments LM5102, and Linear Technology LT1160/1162 are intended for designs using PWM control in driving a half-bridge output stage (Figure 3). The FAN7384 and LM5102 both feature level-shift capability to allow a floating high-side driver to work with higher voltages, and both feature programmable timing control to ensure adequate dead time between cycles. The Fairchild FAN7384 allows engineers to program turn-on delay, while the TI LM5102 allows independent programming of the high and low rising-edge delay.

The Linear LT1160/2 uses internal logic that prevents the inputs from turning on the power MOSFETs at the same time. The Linear LT1336 augments the features of the LT1160/2 with support for DC operation using an internal boost regulator. Using the boost feature requires only a resistor, small inductor (200 µH), diode, and capacitor, but lowers the high-rail voltage to 40 V from its maximum of 60 V (LT1160/2 and LT1136 in non-boost mode). The reduction in maximum voltage arises from the need to avoid reaching the breakdown voltage of the internal NPN switch.
Applications such as solar inverters require high isolation voltage and long-term reliability. As a result, these applications generally rely on isolated half-bridge gate drivers to ensure both isolation and performance. In a typical half-bridge driver, optocouplers or digital isolators provide isolation for gate drivers driving the gates of high-side and low-side power transistors with signals of opposite polarity (Figure 4).

In these applications, gate drivers need to combine high-speed switching performance to reduce switching losses with low-output impedance characteristics to reduce conduction loss. Also, the gate drivers need closely matched timing characteristics to minimize dead time as the two switches are turned on alternately.
The use of a single isolated input (Figure 4a) means that the timing match and dead-time performance depend on the high-voltage circuit itself. In this configuration, the high-voltage circuit does not provide galvanic isolation, but depends solely on the transistors' junction isolation to separate high-side from low-side drive voltages. The use of separate isolation input channels for high-side and low-side drivers ensures proper galvanic isolation between the outputs (Figure 4b).
Manufacturers can combine isolation and gate-driver circuitry in the same package, typically providing two separate channels on a single die to deliver improved matched characteristics (Figure 5). Analog Devices uses this approach to provide independent and isolated high-side and low-side outputs in its ADuM1233 and ADuM1234, isolated half-bridge devices providing 0.1 A output with TTL (ADuM1233) or CMOS (ADuM1234) input.
The devices are based on Analog Devices' proprietary iCoupler technology, which uses monolithic micro-transformers fabricated on the same die to help improve timing and reliability compared to optocoupler approaches. The devices support differential voltage between high and low sides as high as 700 V, and feature common-mode transient immunity of over 75 kV/µs from input to output as well as between outputs. A related device, the Analog Devices ADuM7234, offers even higher output current of up to 4 A with 350 V differential voltage capability and >25 kV/µs common-mode transient immunity.

Conclusion
Gate drivers provide the key interface required to enable effective digital control of power delivery stages. Offered in full- and half-bridge configurations, these devices not only provide the high-current and fast-switching capabilities needed to drive MOSFETs and IGBTs, but also protect sensitive digital circuits from high-speed switching currents. Using available gate driver ICs, engineers can easily create the highly-efficient power stages required in energy harvesting designs.
Disclaimer: The opinions, beliefs, and viewpoints expressed by the various authors and/or forum participants on this website do not necessarily reflect the opinions, beliefs, and viewpoints of DigiKey or official policies of DigiKey.



