Senior Design Part 2: Using Eagle to make a custom PCB
2023-04-28 | By Will Siffer
License: Attribution Non-commercial
Background - What do I need to put on this PCB
The first step of any PCB and schematic design is to figure out what I need to add to the schematic for the device to work as intended. For me, that was the RAK11300 and the supporting sensors. I already talked about the components and sensors in my last post, so today I am going to talk more about the more specific design of my circuit.
Modules, making circuits simpler one box at a time
Now I want to preface this by saying that this is my first time ever using modules in Eagle, so there are some features here that I didn't use that may have helped me, but this was my first attempt at learning how they work.
As you can see, there are six component blocks in the schematic, but not a lot of recognizable components in the image above. This is because each block represents a section of the schematic, and the yellow arrows allow me to connect the inputs and outputs between them.
The overall design of this circuit is all the power supplies responsible for the three different power levels of my board, 3.3V, 3.7V battery, and 5V. The entire circuit runs off 3.3V except for one of the sensors specifically for the project application I am working on - the RFID reader.
The first step in this design is the USB type C and the Solar panel. They are responsible for the actual power input for the battery charger and all the inputs to the device in normal operation. Below you can see the actual charge circuit based on the CN3065 from the DFRobot solar charger board that we ordered from Digi-Key last year. Some key aspects of the schematic are the U2 MOSFET that can switch the input from USB and solar depending on if there is a USB plugged into the Type C port. This protection is necessary in order to prevent issues with charging when both lines are providing power at different voltages in cases of low sunlight.
Notice how there are labels for VUSB, VSOLAR, VBAT, and ground which are ported out of the module to go to other modules in the circuit.
The next step is the battery. This circuit protects against overcurrent and reverse battery connection as triggered with an LED. Notice how if the battery connection is flipped, the MOSFET disconnects the battery from the circuit before anything gets damaged later on the board. The DW06D diode array also helps add protection in the event the battery is overcharged or discharged.
Next, we have a standard 5V boost circuit. There are a lot of versions of this circuit online, but the key element here is the MOSFET that disconnects the ground connection from Ground Vout. This is important because there may be a case where we want to disconnect the battery from the rest of the circuit, and so by disabling the Vout we can fully power off all our sensors and microcontroller. This circuit and the circuit above were the same as found in the DFrobot solar charger linked below too!
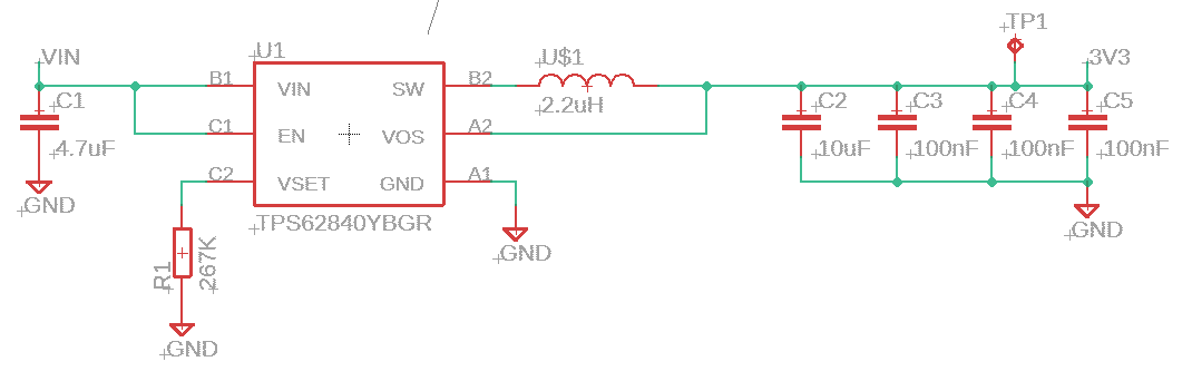
Finally, we have the 3.3V step down. Currently, I am looking at trying to simplify this circuit with another component but as it stands right now here is what I am going with, though it is likely that I change to something a little more component friendly. The footprint on this chip is really small and not something I particularly want to deal with.
My final thoughts for this week:
For EPICS at Purdue, we write weekly reflections that are a way for us to think about our work and how it connects to our own personal values and our goals for the future. So, I think the best way to close out this post is to post my own weekly reflection from this week:
This week, I was finishing up my circuit schematic for the PCB and found myself reflecting on how much I have learned throughout my time here at Purdue and how much of it I learned through experiential learning in EPICS. As I step through the circuit design, I think about how much core knowledge I have gained as intuition that has made analyzing each individual circuit much easier. To me, it shows just how far I have come but also the value of experiential learning combined with classroom lectures. I think that without the opportunity to mess up and fix mistakes I make in small engineering projects, I would have never gained this level of intuition. To connect this back to the theme, I really think that having these experiences have solidified my habits of lifelong learning in that I can see myself replicating these practices when I am on co-op rotations doing projects for myself and my job and, more importantly, relying on my past experiences to guide the way I work. I hope to carry this habit forward with me as I move into my job in July, but until then, I want to soak up as much of this experience and learning as possible.
Thank you for reading. As always, I hope you learned something new today!
Check out the next week's post: Senior Design Part 3: Designing an SMD PCB Full of Sensors
Recommended Reading
- Senior Design Capstone Part 1: What (or Who?) is LoRa?
- Senior Design Part 3: Designing an SMD PCB Full of Sensors
- Senior Design Part 4: Assembling, Testing, and Debugging Circuit Boards!
- Senior Design Part 5: Diagnosing PCB Issues
- Senior Design Part 6: Protecting our Power!

