Analog Switches and Muxes for Sensor Arrays

By Jon Gabay

Contributed By Electronic Products


Data acquisition systems often take advantage of analog switches and multiplexers to route signals from real world sensors and sensor sub-assemblies to electronic signal conditioning and conversion stages on our boards. We try to lay out the boards to be as effective as possible in getting signals from the frequently edge-mounted connectors to processing circuitry. However, when we have many sensors from several connectors on different edges of a board, we can burn up an entire PCB layer just routing analog signals and analog grounds to keep noise away.

Related to this is the fact that we may also want to share circuitry with sensor arrays. For example, we may want to monitor and measure the temperatures in several locations of our machine design. This will necessitate many temperature sensors or thermistors scattered about the design. Since our micro may be converting only one analog signal to digital at any one time, rather than duplicate signal conditioning, scaling, offset, and gain stages, it may be more space- and cost-effective to switch or multiplex the many signals to a single point that conditions and routes to an A/D. This can also save I/O on pin-limited processors, as well, by not using multiple and redundant A/D lines.

This article looks at analog switches and multiplexers that are readily available for engineers to use on boards when routing and passing analog signals to conditioning circuitry. All parts, datasheets, tutorials, and development kits mentioned are available online at DigiKey’s website.

The basics

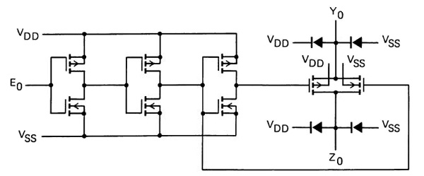
Analog switches, also called bilateral switches, typically use low ‘On Resistance” FETs in a matrix configuration to enable current to flow through a predefined path once the transistors are turned on into full saturation (Figure 1). You can look at an analog switch as behaving like a mechanical relay, except that instead of dry contacts, silicon junctions (PMOS and NMOS) electronically enable or disable conduction with no mechanical moving parts.

Isolated Enables gate the P and N MOSFETs

Figure 1: Isolated Enables gate the P and N MOSFETs into low on-resistance conduction. Note the internal protection diodes clamped by the power supply rails.

Because the transistors are electronic, they are not galvanically isolated as they are in a relay. This means that voltage, as well as current, limitation exists and the range of signals must be within the positive and possible negative power supply rails to the analog switch or multiplexer. For isolated high power or high voltage switching applications, analog switches may not be the best choice. However, for low-level analog switching, easy-to-use and low-cost analog switches and multiplexers can provide a lot of benefit.

It should be noted that analog switches can be used to switch digital signals, too. Because current can flow bi-directionally through the analog switch element, a digital signal that exhibits transconductance can easily pass and route digital signals. This basically creates a high-impedance condition on the digital signal, letting you create your own tri-state type of signal bus.

Parts on board

Several families and types of analog switches are readily available as multi-sourced and stock items, meaning they are safe to use from a supply chain point of view. For example, legacy CMOS 4000 series Quad – SPST Bilateral Switches are commonly available, including the NXP HEF4016BP,652 and the HEF4066BP,652, but also have morphed into modern-day versions using current signaling standards. For example, modern signal levels for the 4066 available directly include 74AHC and 74HCT, and LV, LVC, and LVXT versions. The same holds true for the Legacy 4016’s.

General-purpose switches like the ones mentioned above are common, but there are also specialty switches where signal conditioning is integrated. A case in point is the very low series ON resistance (100 milliohm) TI TS3A225ERTER dual SPDT switch (Figure 2). Although this part is designed for audio switching, it may be useful for other designs because of its integrated threshold level detector that can switch a signal between different connectors.

TI TS3A225

Figure 2: Special functions can integrate analog switches with signal conditioning such as the TI TS3A225, which features automatic switching at threshold levels. Note the serial interface.

Note that not all parts with the same core part numbers are the same. This could be a “gotcha”, so pay careful attention. For example, the ON Semiconductor MC14016BDR2G is a 4000 series 4016 like the NXP part above, but the NXP can handle –2.25 to +2.25-V dual-rail supplies or a single-rail supply up to 7.5 V. The ON Semiconductor part is a single-rail 3 V to 18 V part. While functionally they are identical, electrically they are not, so be careful to verify that the part as well as a second source really are identical.

The world of mux

There are hundreds of parts, architectures, and families to choose from when specifying an analog switch or multiplexer. The best place to start is first to identify the critical parameters to narrow the field. For example, low On Resistance or the power supply rails you need to run between may be critical to you. From there, you can examine the architectures available to use.

The Maxim MAX1693EUB+ switch draws only 25 µA from 2.7 V to 5.5 V. While this part is designed for USB switching, its low power and its 90 mΩ on-resistance is attractive for low-power sensors. For ultra-low power, check out the Vishay quad SPST DG2042DQ-T1-E3 clocking in at 1 nA. It has a slightly higher 1.5 Ω on-state resistance when running at its 1.8 V to 5.5 V range.

It is important to note that analog switches and multiplexers are not meant to switch high levels of current like relays often can. Even though some parts can handle high voltages, such as the Maxim MAX14752EUE+ 8:1 multiplexer (or 1:8 demultiplexer) and Maxim MAX14753EUE+ dual 4:1 multiplexer (or dual 1:4 demultiplexer) (Figure 3), which can use a split ±36 V or single-rail +72 V power supply (and signal) range. These parts also have a break-before-make internal arrangement, which is particularly helpful here at these higher switching voltage levels.

Maxim high-voltage 8:1 and 4:2 switches

Figure 3: These high-voltage 8:1 and 4:2 switches can handle 72 V single-rail or split ±36 V dual-rail signals. Note the simple addressing and enable interfaces.

Remember that analog multiplexers are by nature demultiplexers as well. Because of their bi-directionality, anything that can be used to concentrate can also distribute. This means that any application where analog levels need to be routed to several destinations can use a multiplexer as a demultiplexer.

From many to one and many to many

Sensor arrays can be constructed by building your own multisource multiplexers out of discrete SPST and SPDT switches. In some cases where banks of sensors are located at different connectors around the board, this may be the best approach. We also have at our disposal SP3T, SP4T, and SP8T as well as DP3T and DP4T architectures. But when many sensor inputs need to route to a single location, integrated multiplexer chips may be the best solution and there are many to choose from.

In addition to the 4:1 and 8:1 parts we spoke of earlier, there are also 16:1 parts, such as the Intersil DG406DYZ-T and Analog Devices ADG526AKRZ. There are also cross point switch arrays. While for most source/destination type sensor arrays cross point switches may not be needed, there may be some hi-rel and redundant systems where these may come in handy.

Like switches and multiplexers, cross point switches come in a variety of architectures, from dual 2x2, 4x4, and 8x8, all the way up to 40 x 40. While these may be more than you need, they are nice to know about, just in case.

Conclusions

Analog switches and multiplexers do a great job of isolating and passing linear signals for our sensor, audio, or otherwise analog system interfaces. Whether used to select a signal to look at or to switch in calibration levels for higher accuracy, analog switches have and will be used in our designs.

Key in finding the right part when so many possibilities exist is a good parametric search engine such as the one found on the DigiKey site. This can speed up part searches greatly and provide the best cost/performance levels.
 

Disclaimer: The opinions, beliefs, and viewpoints expressed by the various authors and/or forum participants on this website do not necessarily reflect the opinions, beliefs, and viewpoints of DigiKey or official policies of DigiKey.

About this author

Jon Gabay

About this publisher

Electronic Products

Electronic Products magazine and ElectronicProducts.com serves engineers and engineering managers responsible for designing electronic equipment and systems.