811 0'
S-882Z Series
www.sii-ic.com
ULTRA-LOW VOLTAGE OPERATION CHARGE PUMP IC
FOR STEP-UP DC-DC CONVERTER STARTUP
© Seiko Instruments Inc., 2005-2010 Rev.2.0_00
Seiko Instruments Inc. 1
The S-882Z Series is a charge pump IC for step-up DC-DC converter startup, which differs from conventional charge pump
ICs, in that it uses fully depleted SOI (Silicon on Insulator) technology to enable ultra-low voltage operation.
Being capable of stepping up an extremely low input voltage of 0.3 to 0.35 V, this series enables the efficient use of very low
energy levels. The stepped up electric power is stored in a startup capacitor, and it is discharged as the startup power of the
step-up DC-DC converter when the startup capacitor reaches the discharge start voltage level.
Moreover, a built-in shutdown function is also provided, so that when the output voltage of the connected step-up DC-DC
converter rises above a given value, the operation is stopped, thereby achieving significant power saving and battery life
extension.
The S-882Z Series chips come in a small SOT-23-5 package, allowing high-density mounting.
Features
• Operating input voltage 0.3 to 3.0 V
• Current consumption During operation : 0.5 mA max. (at VIN = 0.3 V)
During shutdown : 0.6 μA max. (at VIN = 0.3 V)
• Discharge start voltage 1.8 to 2.4 V (selectable in 0.2 V steps)
• Shutdown voltage Discharge start voltage + 0.1 V (fixed)
• Oscillation frequency 350 kHz typ. (at VIN = 0.3 V)
• External component Startup capacitor (CCPOUT), 1 unit*1
• Lead-free, Sn 100%, halogen-free*2
*1. The addition of a Schottky diode or a power smoothing capacitor may be necessary depending on the output
smoothing capacitor value of the step-up DC-DC converter and the output voltage value. (Refer to Example of
Connection with Step-up DC-DC Converter.)
*2. Refer to “ Product Name Structure” for details.
Applications
• Stepping up from low-voltage power supply such as solar cell and fuel cell
• Stepping up internal power supply voltage of RF tag
• Intermittent power supply to intermittently operating system
Package
• SOT-23-5

ULTRA-LOW VOLTAGE OPERATION CHARGE PUMP IC FOR STEP-UP DC-DC CONVERTER STARTUP
S-882Z Series Rev.2.0_00
2 Seiko Instruments Inc.
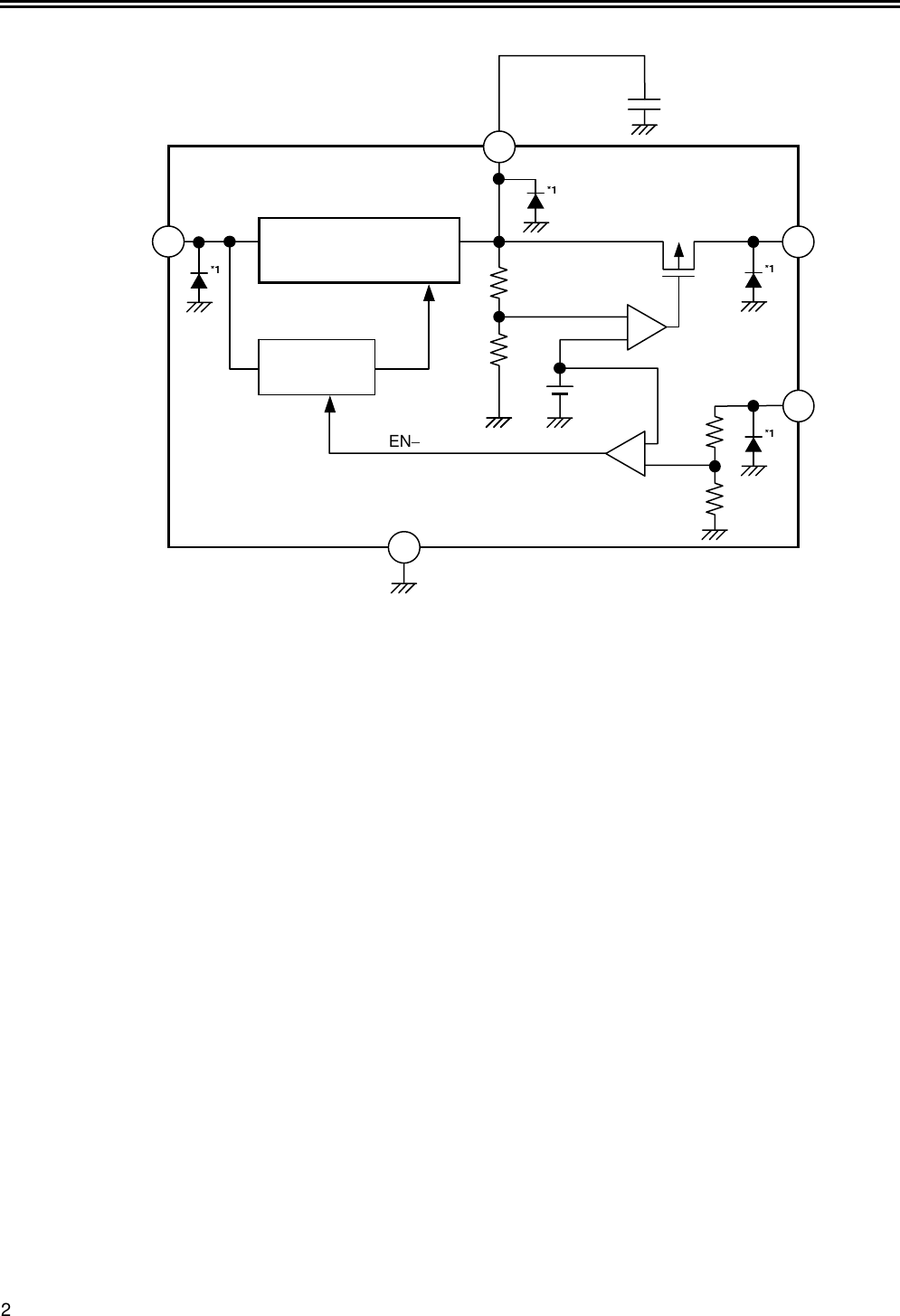
Block Diagram
Charge pump circuit
Oscillation
circuit
4 1
2
5
CLK signal
EN
−
V
REF
−
+
M1
OUT
VM
VIN
VSS
CPOUT
C
CPOUT
−
+
3
*1
*1
COMP1
COMP2
*1
*1
*1. Parasitic diode
Figure 1
xx
ULTRA-LOW VOLTAGE OPERATION CHARGE PUMP IC FOR STEP-UP DC-DC CONVERTER STARTUP
Rev.2.0_00 S-882Z Series
Seiko Instruments Inc. 3
Product Name Structure
The discharge start voltage for the S-882Z Series can be selected at the user’s request. Refer to “1. Product
Name” for the definition of the product name, “2. Package” regarding the package drawings and “3. Product
Name List” for the full product names.
1. Product Name
S-882Z xx - M5T1 x
Package name (abbreviation) and packing specifications*1
M5T1 : SOT-23-5, tape
Discharge start voltage
18 : 1.8 V
20 : 2.0 V
22 : 2.2 V
24 : 2.4 V
Environmental code
U: Lead-free (Sn 100%), halogen-free
G: Lead-free (for details, please contact our sales office)
*1. Refer to the taping specifications at the end of this book.
2. Package
Drawing Code
Package Name Package Tape Reel
SOT-23-5 MP005-A-P-SD MP005-A-C-SD MP005-A-R-SD
3. Product Name List
Table 1
Discharge Start Voltage Shutdown Voltage Product Name
1.8 V ± 0.1 V 1.9 V ± 0.1 V S-882Z18-M5T1x
2.0 V ± 0.1 V 2.1 V ± 0.1 V S-882Z20-M5T1x
2.2 V ± 0.1 V 2.3 V ± 0.1 V S-882Z22-M5T1x
2.4 V ± 0.1 V 2.5 V ± 0.1 V S-882Z24-M5T1x
Remark 1. Contact the SII marketing department for products with discharge start voltage other than those specified
above.
2. x: G or U
3. Please select products of environmental code = U for Sn 100%, halogen-free products.
GND in
Ste -u DC-DC convenerou tvulta emonitur 'n
Powersu | in ut in
Stanu c acimrconnection in
E
E
E
.5
EL
\
\
p ()[l
Seiku Instruments Inc.
ULTRA-LOW VOLTAGE OPERATION CHARGE PUMP IC FOR STEP-UP DC-DC CONVERTER STARTUP
S-882Z Series Rev.2.0_00
4 Seiko Instruments Inc.
Pin Configurations
Table 2
Pin No. Pin Name Pin Description
1 OUT Output pin (step-up DC-DC converter connection pin)
2 VSS GND pin
3 VM Step-up DC-DC converter output voltage monitor pin
4 VIN Power supply input pin
5 CPOUT Startup capacitor connection pin
SOT-23-5
Top view
5 4
3 2 1
Figure 2
Absolute Maximum Ratings Table 3 (Ta = 25°C unless otherwise specified)
Parameter Symbol Absolute Maximum Rating Unit
VIN pin voltage VIN V
SS − 0.3 to VSS + 3.3 V
CPOUT pin voltage VCPOUT V
SS − 0.3 to VSS + 3.3 V
OUT pin voltage VOUT V
SS − 0.3 to VSS + 3.3 V
VM pin voltage VVM V
SS − 0.3 to VSS + 3.3 V
Power dissipation PD 300 (When not mounted on board) mW
600*1 mW
Operating ambient temperature Topr −40 to +85 °C
Storage temperature Tstg −40 to +125 °C
*1. When mounted on board
[Mounted board]
(1) Board size: 114.3 mm × 76.2 mm × t1.6 mm
(2) Board name: JEDEC STANDARD51-7
Caution The absolute maximum ratings are rated values exceeding which the product could suffer
physical damage. These values must therefore not be exceeded under any conditions.
0 50 100 150
600
400
0
Power Dissi
p
ation
(
PD
)
[
mW
]
Ambient Tem
p
erature
(
Ta
)
[
°C
]
200
100
300
500
700
Figure 3 Power Dissipation of Package (When Mounted on Board)
V‘N
w chm
Vw chm
w chm
Vw chom va
Vw chom va
Vw chom va
w chm va
ULTRA-LOW VOLTAGE OPERATION CHARGE PUMP IC FOR STEP-UP DC-DC CONVERTER STARTUP
Rev.2.0_00 S-882Z Series
Seiko Instruments Inc. 5
Electrical Characteristics Table 4 (Ta = 25°C unless otherwise specified)
Parameter Symbol Conditions Min. Typ. Max. Unit
Measurement
Circuit
Discharge start
voltage*1 VCPOUT1 VIN = 0.35 V VCPOUT1(S)
− 0.1 VCPOUT1(S) VCPOUT1(S)
+ 0.1 V 1
VCPOUT2 VCPOUT1(S) = 1.8 V VCPOUT1
− 0.60 − VCPOUT1
− 0.33 V 1
Discharge stop
voltage*2
VCPOUT1(S) = 2.0 V VCPOUT1
− 0.67 − VCPOUT1
− 0.33 V 1
VCPOUT1(S) = 2.2 V VCPOUT1
− 0.74 − VCPOUT1
− 0.33 V 1
VCPOUT1(S) = 2.4 V VCPOUT1
− 0.80 − VCPOUT1
− 0.33 V 1
VIN VCPOUT1(S) = 1.8 to 2.4 V,
Ta = −40 to +85°C 0.35 − 3.0 V 2
Operating input
voltage*3
VCPOUT1(S) = 1.8, 2.0 V,
Ta = −30 to +60°C 0.30 − 3.0 V 2
Oscillation start
voltage VST Not externally connected, voltage
applied to VIN − − 0.3 V −
Discharge
control switch
resistance RM1 VCPOUT = 1.8 to 2.4 V,
IOUT = 3 mA − 34 100 Ω 3
Discharge start
delay time*4 tOUT VIN = 0.35 V, CCPOUT = 10 μF − 7 25 s 2
Discharge start
voltage
temperature
coefficient CPOUT1
CPOUT1
VTa
V
•Δ
ΔTa = −40 to +85°C − ±150 ±550 ppm/°C −
ISS VIN = 0.3 V, VCPOUT = 0 V − 0.1 0.5 mA 4
VIN = 0.6 V, VCPOUT = 0 V − 0.5 1.5 mA 4
Current
consumption
during operation VIN = 1.0 V, VCPOUT = 0 V − 1.2 3.0 mA 4
ISSS VIN = 0.3 V, VCPOUT = 0 V, VVM = 3.0 V − − 0.6 μA 5
VIN = 0.6 V, VCPOUT = 0 V, VVM = 3.0 V − − 0.7 μA 5
VIN = 1.0 V, VCPOUT = 0 V, VVM = 3.0 V − − 0.7 μA 5
Current
consumption
during shutdown
VIN = 2.0 V, VCPOUT = 0 V, VVM = 3.0 V − − 0.8 μA 5
Shutdown
voltage*5 VOFF VIN = 0.3 V, VCPOUT = 0 V VOFF(S)
− 0.1 VOFF(S) VOFF(S)
+ 0.1 V 6
Shutdown
voltage
temperature
coefficient OFF
OFF
VTa
V
•Δ
Δ Ta = −40 to +85°C − ±150 ±550 ppm/°C −
Discharge
control switch
leak current*6 ILEAK VIN = VCPOUT = 0 V,
VOUT = VVM = 3.0 V − − 0.1 μA 7
VM pin input
current IVM VVM = 3.0 V − 1.0 1.9 μA 8
Oscillation
frequency fOSC VIN = 0.3 V − 350 − kHz −
*1. V
CPOUT1 : Actual discharge start voltage value, VCPOUT1(S) : Discharge start voltage setting value
*2. Voltage at which discharge to the OUT pin stops
*3. Input voltage required to start discharge to the OUT pin from the startup capacitor
*4. Delay time from when power is input to the VIN pin until the electric charge of the startup capacitor is discharged to the
OUT pin
*5. V
OFF : Actual shutdown voltage value (VM pin voltage value at which shutdown actually occurs)
V
OFF(S) : Shutdown voltage setting value (VM pin voltage setting value at which shutdown occurs)
V
OFF(S) is automatically set to VCPOUT1(S) + 0.1 V.
*6. Current that flows into the IC from the OUT pin due to the off-leak current of the discharge control switch
Caution The voltage that is input to the connected step-up DC-DC converter varies according to the consumption
current of the step-up DC-DC converter and the power smoothing capacitor. Set the discharge start
voltage based on thorough evaluation including the temperature characteristics under the actual usage
conditions.
1U
Tm Tm
Tm
Tm
E
_|w
ULTRA-LOW VOLTAGE OPERATION CHARGE PUMP IC FOR STEP-UP DC-DC CONVERTER STARTUP
S-882Z Series Rev.2.0_00
6 Seiko Instruments Inc.
Measurement Circuits
1.
OUT
CPOUTVIN
VM VSS 10
μ
F
1 MΩ
V
1 μF
Figure 4
2.
OUT
CPOUTVIN
VM VSS 10
μ
F
1 MΩ
V
1 μF
Figure 5
3.
OUT
CPOUTVIN
VM VSS IOUT
V A
Figure 6
4.
OUT
CPOUTVIN
VM VSS
1 μF
A
Figure 7
:|w l wflolflw
0
E
m
m fl Fl
V
.0
M2
TV
LG
Unn
ULTRA-LOW VOLTAGE OPERATION CHARGE PUMP IC FOR STEP-UP DC-DC CONVERTER STARTUP
Rev.2.0_00 S-882Z Series
Seiko Instruments Inc. 7
5.
OUT
CPOUTVIN
VM VSS
A
Figure 8
6.
OUT
CPOUTVIN
VM VSS
A
Figure 9
7.
OUT
CPOUTVIN
VM VSS A
Figure 10
8.
OUT
CPOUTVIN
VM VSS
A
Figure 11

ULTRA-LOW VOLTAGE OPERATION CHARGE PUMP IC FOR STEP-UP DC-DC CONVERTER STARTUP
S-882Z Series Rev.2.0_00
8 Seiko Instruments Inc.
Operation
1. Basic Operation : IC with 2.0 V Discharge Start Voltage
(1) In the S-882Z Series, when power of 0.3 V or higher is input to the VIN pin, the oscillation circuit starts
operation with that power, and the CLK signal is output from the oscillation circuit.
(2) The charge pump circuit is driven by this CLK signal, and the power of the VIN pin is converted to the
stepped up electric power in the charge pump circuit.
(3) The stepped up electric power output from the charge pump circuit is gradually charged to the startup
capacitor (CCPOUT) connected to the CPOUT pin and the voltage of the CPOUT pin gradually rises.
(4) When the CPOUT pin voltage (VCPOUT) reaches or exceeds the discharge start voltage (VCPOUT1), the output
signal of the comparator (COMP1) changes from high level to low. As a result, the discharge control switch
(M1), which was off, turns on.
(5) When M1 switches on, the step up electric power charged to CCPOUT is discharged from the OUT pin.
(6) When VCPOUT declines to the level of the discharge stop voltage (VCPOUT2) as the result of the discharge, M1
switches off, and the discharge is stopped.
(7) When the VM pin voltage (VVM) reaches or exceeds the shutdown voltage (VOFF), the output signal (EN−) of
the comparator (COMP2) changes from low level to high. As a result, the oscillation circuit stops operation
and the shutdown state is entered.
(8) When VVM does not reach VOFF or more, the stepped up electric power from the charge pump circuit is
recharged to CCPOUT. (Retun to the operation specified in (3).)
Caution When stopping the discharge to OUT pin and recharging a startup capacitor (CCPOUT), CCPOUT is
needed to be charged until CPOUT pin voltage (VCPOUT) is lowered less than discharge stop
voltage (VCPOUT2). In this case, set the condition as follows:
Condition: Out pin voltage (VOUT)<Discharge stop voltage (VCPOUT2)
Charge pump circuit
Oscillation
circuit
4 1
2
5
CLK signal
EN
−
V
REF
−
+
M1
OUT
VM
VIN
VSS
CPOUT
C
CPOUT
Charging Discharging
Detection
−
+
3
COMP1
COMP2
Figure 12 Operation Diagram
WW
VVM
VoFF
VVM
VoFF
ULTRA-LOW VOLTAGE OPERATION CHARGE PUMP IC FOR STEP-UP DC-DC CONVERTER STARTUP
Rev.2.0_00 S-882Z Series
Seiko Instruments Inc. 9
2. Step-up DC-DC Converter Output Voltage Monitor Pin (VM Pin)
When the output voltage of the step-up DC-DC converter to be monitored rises and the VM pin voltage (VVM)
reaches or exceeds the shutdown voltage (VOFF), the shutdown state is entered. When this happens, the internal
oscillation circuit stops its operation, so that the charge pump circuit operation stops, and greatly reduces the
power consumption. Figure 13 shows the configuration of the VM pin.
Table 5
VM Pin Internal Circuit
V
VM < VOFF Operating
V
VM ≥ VOFF Shutdown
V
REF
VM pin
+
−
Figure 13 VM Pin Configuration
Set VVM during shutdown as follows.
VVM ≥ VIN + 1.0 V
VVM ≥ VOUT
When VVM < VIN + 1.0 V occurs, the shutdown current consumption increases.
When VVM < VOUT occurs, the discharge control switch leak current increases.
Caution1. When not using the VM pin, be sure to connect it to the VSS pin. If the VM pin is left open, it
may cause malfunctions.
2. Note that the operation to restart a step-up DC-DC converter does not start when CPOUT pin
voltage (VCPOUT) exceeds the discharge stop voltage (VCPOUT2) even if the power-off state is
released. This operation restarts if VCPOUT is lowered than VCPOUT2 by discharge of a start-up
capacitor (CCPOUT).
Cw
[VcPoLm
I
CCPOUT
;;
5-8822 Senes
OUT
”“1
V‘N
VSS
VM
Seiku Instrumen
ULTRA-LOW VOLTAGE OPERATION CHARGE PUMP IC FOR STEP-UP DC-DC CONVERTER STARTUP
S-882Z Series Rev.2.0_00
10 Seiko Instruments Inc.
Selection of Product and Startup Capacitor (CCPOUT)
To reliably start up the step-up DC-DC converter, in the S-882Z Series, select the discharge start voltage value
(VCPOUT1) and the capacitance value of the external startup capacitor (CCPOUT) according to the step-up DC-DC
converter to be started, its external parts, and the output load.
Generally, an output smoothing capacitor with a large capacitance value and an output load are connected to the
output pin of the step-up DC-DC converter. Therefore, to start up the step-up DC-DC converter thus connected, it
is necessary to select a large capacitance value for the startup capacitor.
As a reference, the following shows an example that a Schottky diode (SD1) is added between the output pin
(OUT) and the power supply pin (VDD) of the step-up DC-DC converter to be started up in the S-882Z Series
(refer to Figure 14). As a result, it is possible to start up the step-up DC-DC converter by the capacitor with a
small value.
CVDD in Figure 14 is the power supply smoothing capacitor of the step-up DC-DC converter.
V
IN
C
IN
VIN
C
CPOUT
VIN
OUT
VM
VSS
S-882Z Series
VSS C
L
V
OUT
Step-up DC-DC converter
C
VDD
VDD
OUT
CPOUT
SD1
Figure 14 Connection Diagram (Reference)
The selection method for VCPOUT1 and CCPOUT when the reference connection shown in Figure 14 has been
performed is described below.
Select VCPOUT1 and CCPOUT so that they satisfy the following conditional expression.
VCPOUT1 • CCPOUT
CCPOUT + CVDD − 0.1 • IVDD − VDDL • (CCPOUT + CVDD) > 2tS • IVDD
VCPOUT1 > VDDL + 0.2 V
CCPOUT > 10CVDD
VCPOUT1 : Discharge start voltage value of S-882Z Series (unit : V)
CCPOUT : Capacitance value of startup capacitor (unit : μF)
CVDD : Capacitance value of power smoothing capacitor for step-up DC-DC converter (unit : μF)
IVDD : Consumption current value of step-up DC-DC converter (unit : mA)
VDDL : Minimum operation voltage of step-up DC-DC converter (unit : V)
tS : Step-up DC-DC converter startup time ≅ Soft start time (unit : ms)

ULTRA-LOW VOLTAGE OPERATION CHARGE PUMP IC FOR STEP-UP DC-DC CONVERTER STARTUP
Rev.2.0_00 S-882Z Series
Seiko Instruments Inc. 11
If the Schottky diode (SD1) has a large reverse current or if a pull-down resistor is added to the OUT pin of the
S-882Z Series, add the current value generated from these to the current consumption (IVDD) of the step-up
DC-DC converter.
Moreover, if a Schottky diode is added between the OUT pin of the S-882Z Series and the power supply pin (VDD
pin) of the step-up DC-DC converter, set VCPOUT1 so that it is higher by the amount corresponding to the forward
drop voltage (VF) of the added Schottky diode in comparison to the discharge start voltage value (VCPOUT1)
obtained with the above described conditional expression.
Cautions 1. The S-882Z Series can start up the step-up DC-DC converter more reliably as the discharge
start voltage value (VCPOUT1) and the startup capacitor value (CCPOUT) are larger. However,
note that the time from when the input power is input until the step-up DC-DC converter
starts becomes longer in this case.
2. In the S-882Z Series, CCPOUT can be more lowered as VCPOUT1 is higher, but note that if VCPOUT1
≥ 2.2 V, the minimum value of the operation input voltage (the minimum input voltage value
required for power to be output from the OUT pin of the S-882Z Series) rises from 0.3 V to
0.35 V (refer to Table 6).
Table 6
Discharge Start Voltage
Value Minimum Operation Input
Voltage Value Temperature Range
1.8, 2.0 V 0.3 V −30 to +60°C
1.8 to 2.4 V 0.35 V −40 to +85°C
Caution The above connection diagram and constant will not guarantee
successful operation. Perform thorough evaluation using the actual
application to set the constant.
Standard Circuit
C
CPOUT
S-882Z Series
CPOUT
VSS
VIN
OUT
VM
Figure 15
Caution The above connection diagram and constant will not guarantee successful operation. Perform
thorough evaluation using the actual application to set the constant.
CVDD CcPouT
OUT
8-8822 Series VIN
VM
Cm I VSS
_ VIN
8-8822 Series
VM
12 Seiko Instrum
ULTRA-LOW VOLTAGE OPERATION CHARGE PUMP IC FOR STEP-UP DC-DC CONVERTER STARTUP
S-882Z Series Rev.2.0_00
12 Seiko Instruments Inc.
Example of Connection with Step-up DC-DC Converter
The following are the connection examples based on the set condition.
The symbols used in the connection diagram are described in Table 7 below.
Table 7
Symbol Description
SD1 A Schottky diode for preventing a voltage decline in the VDD pin due to output capacitor CL at
step-up DC-DC converter startup.
CVDD The power smoothing capacitor of the step-up DC-DC converter. Set the capacitance value so
that CVDD ≤ CCPOUT × 0.1.
SD2, ROUT A Schottky diode and pull-down resistor to prevent the OUT pin voltage of the S-882Z Series
from exceeding the absolute maximum rated voltage.
R1, R2 Bleeder resistors to prevent the VM pin voltage of the S-882Z Series from exceeding the
absolute maximum rated voltage.
1. VOUT ≤ 3.0 V, CL ≤ CCPOUT × 0.1, no load
V
IN
C
IN
VIN
C
CPOUT
VIN
OUT
VM
VSS
S-882Z Series
VSS C
L
V
OUT
Step-up DC-DC converter
VDD
OUT
CPOUT
Figure 16
2. VOUT ≤ 3.0 V, CL > CCPOUT × 0.1
V
IN
C
IN
VIN
C
CPOUT
VIN
OUT
VM
VSS
S-882Z Series
VSS C
L
V
OUT
Step-up DC-DC converter
C
VDD
VDD
OUT
CPOUT
SD1
Figure 17
%
VIN
.— s-ee2z Series
Cm :: V55
7/7
%
8-8822 Series
owl V51
OUT
VIN
VM
A; W
VIN
VM
4, w
Seiko Instrum
ULTRA-LOW VOLTAGE OPERATION CHARGE PUMP IC FOR STEP-UP DC-DC CONVERTER STARTUP
Rev.2.0_00 S-882Z Series
Seiko Instruments Inc. 13
3. VOUT > 3.0 V, CL ≤ CCPOUT × 0.1, no load
V
IN
C
IN
VIN
C
CPOUT
VIN
OUT
VM
VSS
S-882Z Series
VSS C
L
V
OUT
Step-up DC-DC converter
VDD OUT
CPOUT
SD2
R
OUT
R
1
R
2
Figure 18
4. VOUT > 3.0 V, CL > CCPOUT × 0.1
V
IN
C
IN
VIN
C
CPOUT
VIN
OUT
VM
VSS
S-882Z Series
VSS C
L
V
OUT
Step-up DC-DC converter
C
VDD
VDD OUT
CPOUT
SD2
R
OUT
R
1
R
2
SD1
Figure 19
Caution The above connection diagram and constant will not guarantee successful operation. Perform
thorough evaluation using the actual application to set the constant.

ULTRA-LOW VOLTAGE OPERATION CHARGE PUMP IC FOR STEP-UP DC-DC CONVERTER STARTUP
S-882Z Series Rev.2.0_00
14 Seiko Instruments Inc.
Precautions
• If the consumption current (ISSS) during shutdown needs to be kept at 0.8 μA or lower, set the VM pin voltage (VVM)
so that conditions (1) and (2) below are satisfied.
(1) VVM ≥ VOFF
(2) VIN + 1.0 V ≤ VVM ≤ 3.0 V
• If the discharge start voltage (VCPOUT1) of this IC is lower than the operating voltage of the step-up DC-DC converter
to be started, the step-up DC-DC converter may not start up. When selecting products, fully check them using an
actually mounted model. (Refer to Selection of Product and Startup Capacitor (CCPOUT).)
• Select a capacitor with a sufficiently large capacitance for the startup capacitor. In the case of a capacitor with
insufficient capacitance, the step-up DC-DC converter may not start up. When selecting products, fully check them
using an actually mounted model. (Refer to Selection of Product and Startup Capacitor (CCPOUT).)
• The discharge start delay time (tOUT) is longer according to conditions (1), (2), and (3) below. Also note it is further
longer when these conditions are combined.
(1) The operating input voltage (VIN) is low.
(2) The discharge start voltage (VCPOUT1) is high.
(3) The startup capacitor value (CCPOUT) is large.
• When stopping the discharge to OUT pin and recharging a startup capacitor (CCPOUT), CCPOUT is needed to be
charged until CPOUT pin voltage (VCPOUT) is lowered less than discharge stop voltage (VCPOUT2). In this case, set
the condition as follows:
Condition: OUT pin voltage (VOUT)< Discharge stop voltage (VCPOUT2)
• Note that the operation to restart a step-up DC-DC converter does not start when CPOUT pin voltage (VCPOUT)
exceeds the discharge stop voltage (VCPOUT2) even if the power-off state is released. This operation restarts if
VCPOUT is lowered than VCPOUT2 by discharge of a start-up capacitor (CCPOUT).
• When designing for mass production using an application circuit described herein, the product deviation and
temperature characteristics should be taken into consideration. SII shall not bear any responsibility for the products
on the circuits described herein.
• Do not apply an electrostatic discharge to this IC that exceeds the performance ratings of the built-in electrostatic
protection circuit.
• SII claims no responsibility for any disputes arising out of or in connection with any infringement by products
including this IC of patents owned by a third party.
Vemm Vemm [v1
Vemm chourz [v1
1cm [5]
30
n
01
VCPOUT‘131’1 5 V
Ta , 25 C
VcPoun VcPoun
0 05 10
15 20
V1N [v1
VCFOUTHS) * 1 5 V
VcPoLm
VcPoun
740 720 0 20 40 60 50
Ta[ c1
\ | 1 _
\\ NW
\\\ \H
ngoev
Comm 7 10 pF
Ta 7 25 c
\ VcPoums» * 2 4 V
k
VCP‘OUT‘1‘51’1I5 V
\
\§
02503 035 04 045 05 055 06065
V1N [v1
Vemm Vemm [v1
Vemm chourz [v1
1cm [5]
1o
ca
06
04
02
VCFOUTHS) * 2 4 V
Ta , 25 C
VcPoun
VcPoun
o 05 1o 15 20
V1N[V]
VCFOUTHS) * 2 4 V
VcPoLm
VcPoun
740 720 0 20 40 60 50
Ta [ C]
VWZOBV
Comm 7 1o 11F
Ta 7 25 c
VcPoums» * 2 4 V
VCPOUT‘151’1 5 V
05 07 09111315171921
V1N[V]
ULTRA-LOW VOLTAGE OPERATION CHARGE PUMP IC FOR STEP-UP DC-DC CONVERTER STARTUP
Rev.2.0_00 S-882Z Series
Seiko Instruments Inc. 15
Characteristics (Typical Data)
1. Discharge Start Voltage (VCPOUT1), Discharge Stop Voltage (VCPOUT2) vs. Input Voltage (VIN)
°
°
2. Discharge Start Voltage (VCPOUT1), Discharge Stop Voltage (VCPOUT2) vs. Temperature (Ta)
°
°
3. Discharge Control Switch Resistance (RM1) vs. CPOUT Pin Voltage (VCPOUT)
R
M1
[Ω]
35
40
30
25
20 1.7 1.8 1.9 2.0 2.1 2.2 2.3 2.4 2.5
V
CPOUT
[V]
V
CPOUT1(S)
= 1.8 V
Ta = −40
°C
Ta = 25
°C
Ta = 85
°C
4. Discharge Start Delay Time (tOUT) vs. Input Voltage (VIN)
°
°
‘our [5]
‘our [5]
‘our [5]
‘our [5]
V‘NSOBV V‘NZOBV
VCPoums» 7 2 o v Vommus» 7 2 o v
Ta 7 25 C Ta 7 25 C
100 10
50 VW 7 3 v 5
50 VHN 7 o 35 v E 5
40 VW704V § 4 V‘N’10V
20 2
0 0 VW 7 2 o v
o 20 40 so 50 100 o 20 40 so 50 100
Comm [yF] Comm [yF]
V‘NSOBV V‘NZOBV
VCPoums» 7 2 4 v Vommus» 7 2 4 v
Ta 7 25 C Ta 7 25 C
100 10
50 a
VW7oev
50 E e
40 § 4 VW 7 o v
20 2
0 0 VW 7 2 o v
o 20 40 so 50 100 o 20 40 so 50 100
Comm [yF] Comm [yF]
V‘NSOBV V‘NZOBV
VCPoums» 7 2 o v Vommus» 7 2 o v
Comm 710 NF Comm 710 NF
20 1 o
VW7oev
15 VW o 3 v o a
E o 5
10 VW 7 o 35 v 5
c: o 4
V‘N’OAV V‘N’OBV “
5 o 2
o o 0
4o 720 o 20 40 so so 40 720 o 20 40 so 50
Ta [ C] Ta [ C]
V‘NSOBV V‘NZOBV
VCPoums» 7 2 4 v Vommus» 7 2 4 v
Comm 710 NF Comm 710 NF
E
740 720 0 20 40 60 50
Ta [ C] Ta [ C]
ULTRA-LOW VOLTAGE OPERATION CHARGE PUMP IC FOR STEP-UP DC-DC CONVERTER STARTUP
S-882Z Series Rev.2.0_00
16 Seiko Instruments Inc.
5. Discharge Start Delay Time (tOUT) vs. Startup Capacitor Capacitance Value (CCPOUT)
°
°
°
°
6. Discharge Start Delay Time (tOUT) vs. Temperature (Ta)
°
°
°
°
155 [mA]
\sss[ A]
Vow [v1
Vow [v1
00
00
00
40
05
05
05
720
1o
VWM
1o
VWM
15
15
VOFF51’25V
VOFFVS) * 1 9 V
10
VWM
15
VOFFVS) * 2 5 V
VOFFVS) * 1 9 V
Ta[c]
40
VVM , 2 0 V
VCFOUT1151’1 5 V
Ta*25C
60
20
20
20
50
\sss[ A]
04
03
02
01
00
VVM’SOV
VcPoumsr1BV‘ZOV‘ZZV‘ZAV
00 05 1o 15 20 25 so
VWM
ULTRA-LOW VOLTAGE OPERATION CHARGE PUMP IC FOR STEP-UP DC-DC CONVERTER STARTUP
Rev.2.0_00 S-882Z Series
Seiko Instruments Inc. 17
7. Current Consumption During Operation (ISS) vs. Input Voltage (VIN)
°
°
°
8. Current Consumption During Shutdown (ISSS) vs. Input Voltage (VIN)
μ
°
°
°
μ
°
°
°
9. Shutdown Voltage (VOFF) vs. Input Voltage (VIN)
°
10. Shutdown Voltage (VOFF) vs. Temperature (Ta)
°
119M A]
W [ A]
fast: [MHz]
VVM’ZOV
oa ‘
oe Taia‘SC
Ta7256\\
04 1
Taiqoc‘\_
02
00
00 05 1o 15 20 25
00 05
00 05
10
10
V1N [v1
VoFFrs» * 1 9 V
T3525C
T3540 C
15 20 25 so
VVMM
T3525C
15 20 25 so
V1N[V]
119M A]
W [ A]
05
06
04
02
00
12
10
05
06
04
02
00
VVM’SOV
| |
Ta7556\
| |
Ta:25(fi\
I I
T3540 C
A
00 05 1o 15 20 25 so 35 40
V1N[V]
VOFF151’25V
aia C
T3525C
T3540C
00 05 1o 15 20 25 so
VVMM
ULTRA-LOW VOLTAGE OPERATION CHARGE PUMP IC FOR STEP-UP DC-DC CONVERTER STARTUP
S-882Z Series Rev.2.0_00
18 Seiko Instruments Inc.
11. Discharge Control Switch Leak Current (ILEAK) vs. Input Voltage (VIN)
μ
°
°
°
μ
°
°
°
12. VM Pin Input Current (IVM) vs. VM Pin Voltage (VVM)
μ
°
°
°
μ
°
°
°
13. Oscillation Frequency (fOSC) vs. Input Voltage (VIN)
°
mm . ,_
NH
%
S-SSZZ Senes
OUT
V‘N
VM
Cw VSS7L ::
l 777 7/7
Seiko Instrumen
ULTRA-LOW VOLTAGE OPERATION CHARGE PUMP IC FOR STEP-UP DC-DC CONVERTER STARTUP
Rev.2.0_00 S-882Z Series
Seiko Instruments Inc. 19
Application Circuit Example
Figure 20 shows an application circuit example with targeted values of VIN = 0.3 V, VOUT = 3.0 V, and IOUT = 1 mA.
V
IN
C
IN
VIN
C
CPOUT
OUT
VM
VSS
S-882Z Series
VSS C
L
V
OUT
S-8353D30MC
C
VDD
VDD
VOUT
CPOUT
SD1
L
SD2
CONT
Figure 20
Table 8
Part Name Symbol Manufacturer Part No.
S-882Z Series − Seiko Instruments Inc. S-882Z20-M5T1G
(Discharge start voltage value
setting : 2.0 V)
Step-up DC-DC converter − Seiko Instruments Inc. S-8353D30MC
(Output voltage setting : 3.0 V)
Inductor L Sumida Corporation CDRH5D18-101 (100 μH)
Schottky diode SD1, SD2 Rohm Co., Ltd. RB551V-30
Startup capacitor CCPOUT − 10 μF (ceramic type)
Input capacitor CIN − 47 μF
Output capacitor CL − 33 μF (ESR > 50 mΩ)
Power smoothing capacitor CVDD − 1 μF (ceramic type)
Caution The above connection diagram and constant will not guarantee successful operation. Perform
thorough evaluation using the actual application to set the constant.
PI PI
DEED
W
ULTRA-LOW VOLTAGE OPERATION CHARGE PUMP IC FOR STEP-UP DC-DC CONVERTER STARTUP
S-882Z Series Rev.2.0_00
20 Seiko Instruments Inc.
Marking Specifications
(1) SOT-23-5
(1) to (3) : Product code (Refer to Product Name vs. Product Code.)
(4) : Lot number
5 4
1 3 2
(1) (2) (3) (4)
SOT-23-5
To
p
view
Product Name vs. Product Code
Product Code
Product Name (1) (2) (3)
S-882Z18-M5T1x Q Y A
S-882Z20-M5T1x Q Y B
S-882Z22-M5T1x Q Y C
S-882Z24-M5T1x Q Y D
Remark 1. Please contact our sales office for products with specifications other than the above.
2. x: G or U
3. Please select products of environmental code = U for Sn 100%, halogen-free products.
2‘ .
No+ww
m:
Elljlj
A V
.meme
SHEA VAmZVoS
44
No. MP005—A-P-SD-1.2
No.
No.
TITLE
SCALE
UNIT mm
Seiko Instruments Inc.
2.9±0.2
1.9±0.2
0.95±0.1
0.4±0.1
0.16 +0.1
-0.06
123
4
5
No. MP005-A-P-SD-1.2
MP005-A-P-SD-1.2
SOT235-A-PKG Dimensions
No.
TITLE
SCALE
UNIT mm
Seiko Instruments Inc.
ø1.5 +0.1
-0 2.0±0.05
ø1.0 +0.2
-0 4.0±0.1
1.4±0.2
0.25±0.1
3.2±0.2
123
45
No. MP005-A-C-SD-2.1
MP005-A-C-SD-2.1
SOT235-A-Carrier Tape
Feed direction
4.0±0.1(10 pitches:40.0±0.2)
mac 3
+0
2150 43
No. MP005.A_R_SD_1_1
No.
No.
TITLE
SCALE
UNIT mm
Seiko Instruments Inc.
12.5max.
9.0±0.3
ø13±0.2
(60°) (60°)
QTY. 3,000
No. MP005-A-R-SD-1.1
MP005-A-R-SD-1.1
SOT235-A-Reel
Enlarged drawing in the central part
S I I . Seiko Instruments Inc.
www.sii-ic.com
www.sii-ic.com
• The information described herein is subject to change without notice.
• Seiko Instruments Inc. is not responsible for any problems caused by circuits or diagrams described herein
whose related industrial properties, patents, or other rights belong to third parties. The application circuit
examples explain typical applications of the products, and do not guarantee the success of any specific
mass-production design.
• When the products described herein are regulated products subject to the Wassenaar Arrangement or other
agreements, they may not be exported without authorization from the appropriate governmental authority.
• Use of the information described herein for other purposes and/or reproduction or copying without the
express permission of Seiko Instruments Inc. is strictly prohibited.
• The products described herein cannot be used as part of any device or equipment affecting the human
body, such as exercise equipment, medical equipment, security systems, gas equipment, or any apparatus
installed in airplanes and other vehicles, without prior written permission of Seiko Instruments Inc.
• The products described herein are not designed to be radiation-proof.
• Although Seiko Instruments Inc. exerts the greatest possible effort to ensure high quality and reliability, the
failure or malfunction of semiconductor products may occur. The user of these products should therefore
give thorough consideration to safety design, including redundancy, fire-prevention measures, and
malfunction prevention, to prevent any accidents, fires, or community damage that may ensue.
Products related to this Datasheet
IC REG CHARG PUMP 1.8V SOT23-5
IC REG CHARGE PUMP 2V SOT23-5
IC REG CHARG PUMP 2.2V SOT23-5
IC REG CHARG PUMP 2.4V SOT23-5