EVAL-ADXL354,355 User Guide Datasheet by Analog Devices Inc.
View All Related Products | Download PDF Datasheet
ANALOG
DEVICES
ADXL3552 I
OE] ADXL3572I.
91.- -. Ja-
I_ _l
301-736 SIBY
EVAL-ADXL354/EVAL-ADXL355 User Guide
UG-1030
One Technology Way • P. O. Box 9106 • Norwood, MA 02062-9106, U.S.A. • Tel: 781.329.4700 • Fax: 781.461.3113 • www.analog.com
Evaluating the ADXL354/ADXL355 Low Noise, Low Drift, Low Power,
3-Axis MEMS Accelerometers
PLEASE SEE THE LAST PAGE FOR AN IMPORTANT
WARNING AND LEGAL TERMS AND CONDITIONS. Rev. A | Page 1 of 5
FEATURES
2 sets of spaced vias for populating 6-pin headers
Easily attachable to prototyping board or PCB
Small size and board stiffness minimize impact on the
system being monitored and acceleration measurements
EQUIPMENT NEEDED
External host processor
DOCUMENTS NEEDED
ADXL354/ADXL355 data sheet
GENERAL DESCRIPTION
The EVAL -ADXL354BZ, E VA L -ADXL354CZ, and E VA L -
ADXL355Z are simple evaluation boards that allow quick
evaluation of the performance of the ADXL354 and the ADXL355
low noise, low power, 3-axis, MEMS accelerometer. The E VA L -
ADXL354BZ is an analog output supporting a ±2 g or ±4 g
accelerometer; the EVA L -ADXL354CZ is an analog output
supporting a ±2 g or ±8 g accelerometer; and the EVA L -ADXL355Z
is a digital output supporting ±2 g, ±4 g, or ±8 g. These evaluation
boards are ideal for evaluating the ADXL354 and ADXL355 in
an existing system because the stiffness and small size of the
evaluation board minimizes the effect of the evaluation board
on both the system and acceleration measurements.
Full details about the ADXL354/ADXL355 are available in the
ADXL354/ADXL355 data sheet, which is available from Analog
Devices, Inc., and should be consulted in conjunction with this
user guide when using this evaluation board.
PRINTED CIRCUIT BOARD LAYOUT
14832-001
Figure 1. EVAL-ADXL354BZ and EVAL-ADXL354CZ Evaluation Boards
14832-002
Figure 2. EVAL-ADXL355Z Evaluation Board

UG-1030 EVAL-ADXL354/EVAL-ADXL355 User Guide
Rev. A | Page 2 of 5
TABLE OF CONTENTS
Features .............................................................................................. 1
Equipment Needed ........................................................................... 1
Documents Needed .......................................................................... 1
General Description ......................................................................... 1
Printed Circuit Board Layout .......................................................... 1
Revision History ............................................................................... 2
Evaluation Board Hardware ............................................................ 3
Circuit Description............................................................................3
Handling Considerations .................................................................3
Evaluation Board Schematics and Artwork ...................................4
Ordering Information .......................................................................5
Bill of Materials ..............................................................................5
Related Links ..................................................................................5
REVISION HISTORY
6/2018—Rev. 0 to Rev. A
Changes to Figure 7 and Figure 8 ................................................... 4
9/2016—Revision 0: Initial Version
vun v
H‘adsr P
vun v
EVAL-ADXL354/EVAL-ADXL355 User Guide UG-1030
Rev. A | Page 3 of 5
EVALUATION BOARD HARDWARE
The EVAL -ADXL354BZ, E VA L -ADXL354CZ, and E VA L -
ADXL355Z evaluation boards allow users to access the individual
connections of the ADXL354 and ADXL355. Each of the
evaluation boards include decoupling capacitors for supplies, a
few discrete resistors to provide isolation on the V1P8ANA and
V1P8DIG pins, and two 6-pin headers. Refer to the ADXL354/
ADXL355 data sheet for more detail on specific pin definitions.
The power supplies for the ADXL354/ADXL355 is decoupled
using multiple 0.1 μF ceramic (0603) capacitors.
The EVAL -ADXL354BZ and E VA L-ADXL354CZ evaluation
boards have capacitors on each axis output to set the output
low-pass filter and two 3-position jumpers to configure Range
and Mode. The two 6-pin headers provide access to all other
pins. Header P1 provides access to VDDIO (sets the RANGE pin
and the STBY pin levels on the EVA L -ADXL354BZ and E VA L -
ADXL354CZ evaluation boards), VDD (supplies the ADXL354
VSUPPLY pin), VSS/VSSIO (supplies the ground connection), XOUT,
YOUT, and ZOUT, shown in Figure 3. Header P2 provides access to
V1P8ANA, V1P8DIG, TEM P, S T 1, ST2, and VSS (supplies the ground
connection), shown in Figure 4.
1
3
5
2
4
6
X
OUT
Y
OUT
Z
OUT
P1
202-187
V
DDIO
VDD
14832-003
Figure 3. EVAL-ADXL354BZ and EVAL-ADXL354CZ Function Block Diagram
for Header P1
1
3
5
V
1P8ANA
V
1P8DIG
TEMP
2
4
6
ST1
ST1
P2
202-187
14832-004
Figure 4. EVAL-ADXL354BZ and EVAL-ADXL354CZ Function Block Diagram
for Header P2
The EVAL -ADXL355Z uses two 6-pin headers to provide access
to all pins. Header P1 provides access to VDDIO, VDD (which is
connected to the ADXL355 VSUPPLY pin), VSS/VSSIO (supply ground
connection), INT1, INT2, and DRDY, shown in Figure 5.
Header P2 provides access to V1P8ANA, V1P8DIG, MISO/ASEL,
CS/SCL, SCLK/VSSIO, and MOSI/SDA (see Figure 6).
1
3
5
2
4
6
INT1
INT2
DRDY
P1
202-187
V
DDIO
VDD
14832-005
Figure 5. EVAL-ADXL355Z Function Block Diagram for Header P1
1
3
5
2
4
6
CS/SCL
SCLK/V
SSIO
MOSI/SDA
V
1P8ANA
V
1P8DIG
MISO/SDA
P2
202-187
14832-006
Figure 6. EVAL-ADXL355Z Function Block Diagram for Header P2
The vias or headers allow the evaluation boards to attach to
either a prototyping breadboard or to a printed circuit board
(PCB) in an existing user system. Four holes are provided in the
corners of the evaluation board for mechanical attachment of the
evaluation boards in many applications. An external host processor
is required for communication to the ADXL355, while the analog
output of the ADXL354 must be connected to a band limited
analog-to-digital converter (ADC).
The dimensions of the evaluation boards are 0.8 in × 0.8 in.
CIRCUIT DESCRIPTION
The PCB layout of the EVA L-ADXL354BZ, EVA L -ADXL354CZ,
and EVA L-ADXL355Z evaluation boards are shown in Figure 2.
The ADXL354 and ADXL355 each have two moded by which
they can be powered: by integrated low dropout regulators (LDOs)
or external, user supplied 1.8 V regulated supplies. Refer to the
ADXL354/ADXL355 data sheet for more information.
HANDLING CONSIDERATIONS
The EVAL -ADXL354BZ, E VA L -ADXL354CZ, and EVA L -
ADXL355Z evaluation boards are not reverse polarity protected.
Reversing any of the supply connections, including the VSS and
VSSIO pins, can cause damage to the ADXL354/ADXL355.
Dropping the evaluation boards on a hard surface can generate
several thousand g of acceleration, which can exceed the
ADXL354/ADXL355 data sheet absolute maximum limits.
UG-1030 EVAL-ADXL354/EVAL-ADXL355 User Guide
Rev. A | Page 4 of 5
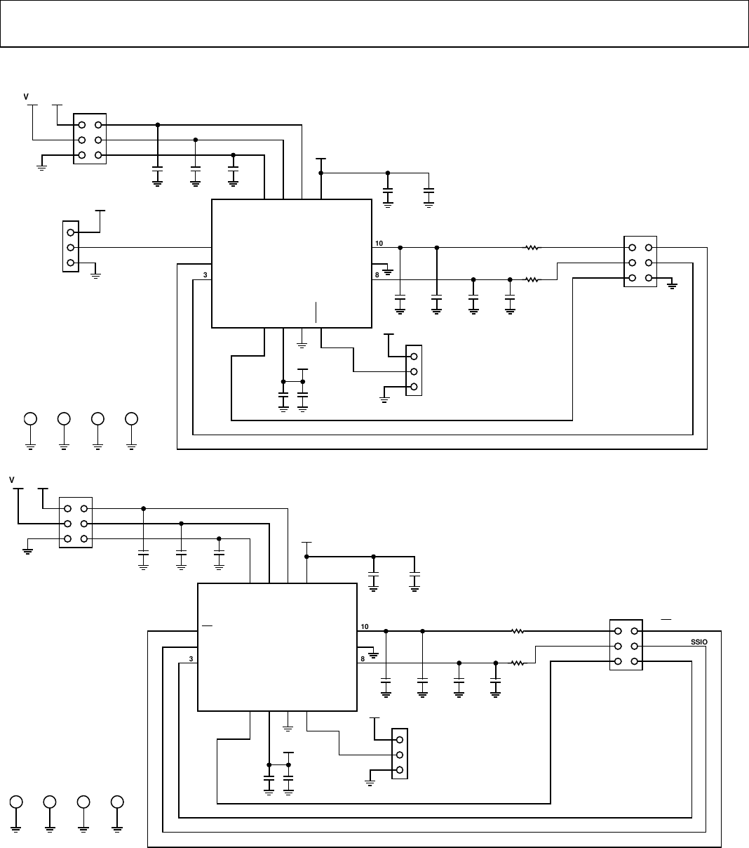
EVALUATION BOARD SCHEMATICS AND ARTWORK
H1 H2 H3 H4
MOUNTING HOLES
1
2
3
RANGE
202-072
V
DDIO
1
2
3
MODE
202-073
V
DDIO
1
3
5
2
4
6
X
OUT
Y
OUT
Z
OUT
P1
202-187
V
DDIO
VDD
1
3
5
2
4
6
ST1
ST2
V
1P8ANA
V
1P8DIG
TEMP
P2
202-187
C1
0.1µF
C6
0.1µF C7
0.1µF C8
0.1µF
C4
0.1µF C5
0.1µF
C9
0.1µF
C2
0.1µF C3
0.1µF
VDD
RANGE
1
ST1
2
ST2
3
V
1P8ANA 10
V
SS 9
V
1P8DIG 8
TEMP
4
V
DDIO
5
V
SSIO
6
STBY
7
Z
OUT 14
Y
OUT 13
X
OUT 12
V
SUPPLY 11
U1
ADXL354
209-381
C10
0.1µF C11
0.1µF
V
DDIO
R1
1kΩ
R2
1kΩ
14832-007
Figure 7. EVAL-ADXL354BZ and EVAL-ADXL354CZ Schematic
H1 H2 H3 H4
MOUNTING HOLES
1
2
3
STBY
202-073
V
DDIO
1
3
5
2
4
6
INT1
INT2
DRDY
P1
202-187
V
DDIO
VDD
1
3
5
2
4
6MOSI/SDA
CS/SCL
SCLK/V
SSIO
V
1P8ANA
V
1P8DIG
MISO/SDA
P2
202-187
C1
0.1µF
C6
0.1µF C7
0.1µF C8
0.1µF
C4
0.1µF C5
0.1µF
C9
0.1µF
C2
0.1µF C3
0.1µF
VDD
CS/SCL
1
SCLK/V
SSIO
2
MOSI/SDA
3
V
1P8ANA 10
V
SS 9
V
1P8DIG 8
MISO/ASEL
4
V
DDIO
5
V
SSIO
6
RESERVED
7
DRDY
14
INT2
13
INT1
12
V
SUPPLY 11
U1
ADXL355
209-358
C10
0.1µF C11
0.1µF
V
DDIO
R1
1kΩ
R2
1kΩ
14832-008
Figure 8. EVAL-ADXL355Z Schematic
ANALOG
DEVICES
www.ana|ug.cum
EVAL-ADXL354/EVAL-ADXL355 User Guide UG-1030
Rev. A | Page 5 of 5
ORDERING INFORMATION
BILL OF MATERIALS
Table 1. EVAL-ADXL354BZ and EVAL-ADXL354CZ Evaluation Boards
Qty
Reference
Designator Description Manufacturer Part Number
1 U1 High performance, 3-axis MEMS accelerometer, LC-14 Analog Devices, Inc. ADXL354
11 C1 to C11 Capacitors, ceramic, 0.1 μF, 50 V, 10%, X7R, 0603 Cal-Chip GMC10X7R104K50NTLF
2 R1, R2 Resistors, 100 kΩ, 1/10W, 1%, 0603 Cal-Chip CR0603F1001T1LF
2 MODE, RANGE Jumpers, 3-position, through hole Prolex 2556P03UA00
2 P1, P2 Headers, male, nonshrouded, 2 × 3, 0.1" spacing, through
hole, do not insert
FCI 67996-206HLF
1 PCB ADXL354 bare board Analog Devices, Inc. EVAL-ADXL354BZ or
EVAL-ADXL354CZ
Table 2. EVAL-ADXL355Z Evaluation Board
Qty
Reference
Designator Description Manufacturer Part Number
1 U1 High performance, 3-axis MEMS accelerometer, LC-14 Analog Devices, Inc. ADXL355
8
C4 to C11
Capacitors, ceramic, 0.1 μF, 50 V, 10%, X7R, 0603
Cal-Chip
GMC10X7R104K50NTLF
2 R1, R2 Resistors, 100 kΩ, 1/10W, 1%, 0603 Cal-Chip CR0603F1001T1LF
1 STBY Jumpers, 3-position, through hole Prolex 2556P03UA00
2 P1, P2 Headers, male, nonshrouded, 2 × 3, 0.1" spacing, through hole,
do not insert
FCI 67996-206HLF
1
PCB
ADXL355 bare board
Analog Devices, Inc.
EVAL-ADXL355Z
RELATED LINKS
Resource Description
ADXL354/ADXL355 ADXL354/ADXL355 product page
ESD Caution
ESD (electrostatic discharge) sensitive device. Charged devices and circuit boards can discharge without detection. Although this product features patented or proprietary protection
circuitry, damage may occur on devices subjected to high energy ESD. Therefore, proper ESD precautions should be taken to avoid performance degradation or loss of functionality.
Legal Terms and Conditions
By using the evaluation board discussed herein (together with any tools, components documentation or support materials, the “Evaluation Board”), you are agreeing to be bound by the terms and conditions
set forth below (“Agreement”) unless you have purchased the Evaluation Board, in which case the Analog Devices Standard Terms and Conditions of Sale shall govern. Do not use the Evaluation Board until you
have read and agreed to the Agreement. Your use of the Evaluation Board shall signify your acceptance of the Agreement. This Agreement is made by and between you (“Customer”) and Analog Devices, Inc.
(“ADI”), with its principal place of business at One Technology Way, Norwood, MA 02062, USA. Subject to the terms and conditions of the Agreement, ADI hereby grants to Customer a free, limited, personal,
temporary, non-exclusive, non-sublicensable, non-transferable license to use the Evaluation Board FOR EVALUATION PURPOSES ONLY. Customer understands and agrees that the Evaluation Board is provided
for the sole and exclusive purpose referenced above, and agrees not to use the Evaluation Board for any other purpose. Furthermore, the license granted is expressly made subject to the following additional
limitations: Customer shall not (i) rent, lease, display, sell, transfer, assign, sublicense, or distribute the Evaluation Board; and (ii) permit any Third Party to access the Evaluation Board. As used herein, the term
“Third Party” includes any entity other than ADI, Customer, their employees, affiliates and in-house consultants. The Evaluation Board is NOT sold to Customer; all rights not expressly granted herein, including
ownership of the Evaluation Board, are reserved by ADI. CONFIDENTIALITY. This Agreement and the Evaluation Board shall all be considered the confidential and proprietary information of ADI. Customer may
not disclose or transfer any portion of the Evaluation Board to any other party for any reason. Upon discontinuation of use of the Evaluation Board or termination of this Agreement, Customer agrees to
promptly return the Evaluation Board to ADI. ADDITIONAL RESTRICTIONS. Customer may not disassemble, decompile or reverse engineer chips on the Evaluation Board. Customer shall inform ADI of any
occurred damages or any modifications or alterations it makes to the Evaluation Board, including but not limited to soldering or any other activity that affects the material content of the Evaluation Board.
Modifications to the Evaluation Board must comply with applicable law, including but not limited to the RoHS Directive. TERMINATION. ADI may terminate this Agreement at any time upon giving written notice
to Customer. Customer agrees to return to ADI the Evaluation Board at that t
ime. LIMITATION OF LIABILITY. THE EVALUATION BOARD PROVIDED HEREUNDER IS PROVIDED “AS IS” AND ADI MAKES NO
WARRANTIES OR REPRESENTATIONS OF ANY KIND WITH RESPECT TO IT. ADI SPECIFICALLY DISCLAIMS ANY REPRESENTATIONS, ENDORSEMENTS, GUARANTEES, OR WARRANTIES, EXPRESS OR IMPLIED, RELATED
TO THE EVALUATION BOARD INCLUDING, BUT NOT LIMITED TO, THE IMPLIED WARRANTY OF MERCHANTABILITY, TITLE, FITNESS FOR A PARTICULAR PURPOSE OR NONINFRINGEMENT OF INTELLECTUAL
PROPERTY RIGHTS. IN NO EVENT WILL ADI AND ITS LICENSORS BE LIABLE FOR ANY INCIDENTAL, SPECIAL, INDIRECT, OR CONSEQUENTIAL DAMAGES RESULTING FROM CUSTOMER’S POSSESSION OR USE OF
THE EVALUATION BOARD, INCLUDING BUT NOT LIMITED TO LOST PROFITS, DELAY COSTS, LABOR COSTS OR LOSS OF GOODWILL. ADI’S TOTAL LIABILITY FROM ANY AND ALL CAUSES SHALL BE LIMITED TO THE
AMOUNT OF ONE HUNDRED US DOLLARS ($100.00). EXPORT. Customer agrees that it will not directly or indirectly export the Evaluation Board to another country, and that it will comply with all applicable
United States federal laws and regulations relating to exports. GOVERNING LAW. This Agreement shall be governed by and construed in accordance with the substantive laws of the Commonwealth of
Massachusetts (excluding conflict of law rules). Any legal action regarding this Agreement will be heard in the state or federal courts having jurisdiction in Suffolk County, Massachusetts, and Customer hereby
submits to the personal jurisdiction and venue of such courts. The United Nations Convention on Contracts for the International Sale of Goods shall not apply to this Agreement and is expressly disclaimed.
©2016–2018 Analog Devices, Inc. All rights reserved. Trademarks and
registered trademarks are the property of their respective owners.
UG14832-0-6/18(A)
Products related to this Datasheet
EVAL BOARD FOR ADXL355
EVAL-ADXL355-PMDZ
EVAL BOARD FOR ADXL354B
EVAL BOARD FOR ADXL354C