ficvanssi
E NEWS 5
N w
m EZrDtem 2
CYUSB303X
EZ-USB® FX3S SuperSpeed USB Controller
Cypress Semiconductor Corporation • 198 Champion Court • San Jose,CA 95134-1709 • 408-943-2600
Document Number: 001-84160 Rev. *J Revised December 13, 2018
EZ-USB® FX3S SuperS peed USB Cont roller
Features
■Universal serial bus (USB) integration
❐USB 3.0 and USB 2.0 peripherals compliant with USB 3.0
specification 1.0
❐5-Gbps USB 3.0 PHY compliant with PIPE 3.0
❐High-speed On-The-Go (HS-OTG) host and peripheral
compliant with OTG Supplement Version 2.0
❐Thirty-two physical endpoints
■General Programmable Interface (GPIF™ II)
❐Programmable 100-MHz GPIF II enables connectivity to a
wide range of external devices
❐8- and 16-bit data bus
❐As many as 16 configurable control signals
■Mass storage support
❐SD 3.0 (SDXC) UHS-1
❐eMMC 4.41
❐Two ports that can support memory card sizes up to 2TB
❐Built-in RAID with support for RAID0 and RAID1
■System I/O expansion with two secure digital I/O (SDIO 3.0)
ports
■Support for USB-attached storage (UAS), mass-storage class
(MSC), human interface device (HID), full, and Turbo-MTP™
■Fully accessible 32-bit CPU
❐ARM926EJ core with 200-MHz operation
❐512-KB or 256-KB embedded SRAM
■Additional connectivity to the following peripherals
❐I2C master controller at 1 MHz
❐I2S master (transmitter only) at sampling frequencies of
8 kHz, 16 kHz, 32 kHz, 44.1 kHz, 96 kHz and 192 kHz
❐UART support of up to 4 Mbps
❐SPI master at 33 MHz
■Selectable clock input frequencies
❐19.2, 26, 38.4, and 52 MHz
❐19.2-MHz crystal input support
■Ultra low-power in core power-down mode
❐Less than 60 µA with VBATT on
❐20 µA with VBATT off
■Independent power domains for core and I/O
❐Core operation at 1.2 V
❐I2S, UART, and SPI operation at 1.8 to 3.3 V
❐I2C operation at 1.2 V
■10-mm × 10-mm, 0.8-mm pitch Pb-free ball grid array (BGA)
package
■EZ-USB® software and development kit (DVK) for easy code
development
Applications
■Digital video camcorders
■Digital still cameras
■Printers
■Scanners
■Video capture cards
■Test and measurement equipment
■Surveillance cameras
■Personal navigation devices
■Medical imaging devices
■Video IP phones
■Portable media players
■Industrial cameras
■RAID controller
■USB Disk on Module
Functional Description
For a complete list of related resources, click here.
Logic Block Diagram
nnnnnnnnnnnnnnnnnnn
CYUSB303X
Document Number: 001-84160 Rev. *J Page 2 of 61
More Information
Cypress provides a wealth of data at www.cypress.com to help you to select the right <product> device for your design, and to help
you to quickly and effectively integrate the device into your design.
■Overview: USB Portfolio, USB Roadmap
■USB 3.0 Product Selectors: FX3, FX3S, CX3, HX3
■Application notes: Cypress offers a large number of USB
application notes covering a broad range of topics, from basic
to advanced level. Recommended application notes for getting
started with FX3 are:
❐AN75705 - Getting Started with EZ-USB FX3
❐AN76405 - EZ-USB FX3 Boot Options
❐AN70707 - EZ-USB FX3/FX3S Hardware Design Guidelines
and Schematic Checklist
❐AN65974 - Designing with the EZ-USB FX3 Slave FIFO
Interface
❐AN75779 - How to Implement an Image Sensor Interface with
EZ-USB FX3 in a USB Video Class (UVC) Framework
❐AN86947 - Optimizing USB 3.0 Throughput with EZ-USB
FX3
❐AN84868 - Configuring an FPGA over USB Using Cypress
EZ-USB FX3
❐AN68829 - Slave FIFO Interface for EZ-USB FX3: 5-Bit
Address Mode
❐AN73609 - EZ-USB FX2LP/ FX3 Developing Bulk-Loop
Example on Linux
❐AN77960 - Introduction to EZ-USB FX3 High-Speed USB
Host Controller
❐AN76348 - Differences in Implementation of EZ-USB FX2LP
and EZ-USB FX3 Applications
❐AN89661 - USB RAID 1 Disk Design Using EZ-USB FX3S
■Code Examples:
❐USB Hi-Speed
❐USB Full-Speed
❐USB SuperSpeed
■Technical Reference Manual (TRM):
❐EZ-USB FX3 Technical Reference Manual
■Development Kits:
❐CYUSB3KIT-003, EZ-USB FX3 SuperSpeed Explorer Kit
■Models: IBIS
EZ-USB FX3 Software Development Kit
Cypress delivers the complete software and firmware stack for FX3, in order to easily integrate SuperSpeed USB into any embedded
application. The Software Development Kit (SDK) comes with tools, drivers and application examples, which help accelerate
application development.
GPIF™ II Designer
The GPIF II Designer is a graphical software that allows designers to configure the GPIF II interface of the EZ-USB FX3 USB 3.0
Device Controller.
The tool allows users the ability to select from one of five Cypress supplied interfaces, or choose to create their own GPIF II interface
from scratch. Cypress has supplied industry standard interfaces such as asynchronous and Synchronous Slave FIFO, Asynchronous
and Synchronous SRAM, and Asynchronous SRAM. Designers who already have one of these pre-defined interfaces in their system
can simply select the interface of choice, choose from a set of standard parameters such as bus width (x8, 16, x32) endianess, clock
settings, and compile the interface. The tool has a streamlined three step GPIF interface development process for users who need a
customized interface. Users are able to first select their pin configuration and standard parameters. Secondly, they can design a virtual
state machine using configurable actions. Finally, users can view output timing to verify that it matches the expected timing. Once the
three step process is complete, the interface can be compiled and integrated with FX3.
nnnnnnnnnnnnnnnnnnn
CYUSB303X
Document Number: 001-84160 Rev. *J Page 3 of 61
Contents
Functional Overview ..........................................................4
Application Examples ....................................................4
USB Interface ......................................................................5
OTG ...............................................................................5
ReNumeration ...............................................................6
VBUS Overvoltage Protection .......................................6
Carkit UART Mode ........................................................6
Host Processor Interface (P-Port) .....................................7
GPIF II ...........................................................................7
Slave FIFO Interface .....................................................7
Asynchronous SRAM ....................................................7
Asynchronous Address/Data Multiplexed ......................8
Synchronous ADMux Interface ......................................8
Processor MMC (PMMC) Slave Interface .....................8
CPU ......................................................................................9
Storage Port (S-Port) ..........................................................9
SD/MMC Clock Stop .....................................................9
SD_CLK Output Clock Stop ..........................................9
Card Insertion and Removal Detection .........................9
Write Protection (WP) ....................................................9
SDIO Interrupt ...............................................................9
SDIO Read-Wait Feature ..............................................9
JTAG Interface ..................................................................10
Other Interfaces ................................................................10
UART Interface ............................................................10
I2C Interface ................................................................10
I2S Interface ................................................................10
SPI Interface ................................................................10
Boot Options .....................................................................11
Reset ..................................................................................11
Hard Reset ..................................................................11
Soft Reset ....................................................................11
Clocking ............................................................................12
32-kHz Watchdog Timer Clock Input ...........................12
Power .................................................................................13
Power Modes ..............................................................13
Configuration Options .....................................................15
Digital I/Os .........................................................................15
GPIOs .................................................................................15
System-level ESD .............................................................15
Pinouts ..............................................................................16
Pin Description .................................................................17
Electrical Specifications ..................................................21
Absolute Maximum Ratings .........................................21
Operating Conditions ...................................................21
DC Specifications ........................................................21
Thermal Characteristics ...................................................23
AC Timing Parameters .....................................................23
GPIF II lines AC characteristics at 100 MHz ...............23
GPIF II PCLK Jitter characteristics ..............................23
GPIF II Timing .............................................................24
Asynchronous SRAM Timing ......................................27
ADMux Timing for Asynchronous Access ...................30
Synchronous ADMux Timing .......................................32
Slave FIFO Interface ...................................................35
Asynchronous Slave FIFO
Read Sequence Description ...............................................37
Asynchronous Slave FIFO
Write Sequence Description ...............................................38
Storage Port Timing ....................................................41
Serial Peripherals Timing ............................................44
Reset Sequence ................................................................49
Package Diagram ..............................................................50
Ordering Information ........................................................51
Ordering Code Definitions ........................................... 51
Acronyms ..........................................................................52
Document Conventions ...................................................52
Units of Measure .........................................................52
Errata .................................................................................53
Qualification Status .....................................................53
Errata Summary ..........................................................53
Document History Page ...................................................59
Sales, Solutions, and Legal Information ........................61
Worldwide Sales and Design Support .........................61
Products ......................................................................61
PSoC® Solutions ........................................................61
Cypress Developer Community ...................................61
Technical Support .......................................................61
CYPRESS‘
' mum luvnxnnnw‘
Crystal
x'Awu
x'Lm
Exlarnnl
Prncassor
(E g MCU ‘cw‘
w: we»
][
n— no
FXSS
'—|uuml:
l
II
Exlerlul
Senal
Perlphenll
.Eg
EEFRam
SDI
eMMC
USB
Host
CYUSB303X
Document Number: 001-84160 Rev. *J Page 4 of 61
Functional Overview
Cypress’s EZ-USB FX3S is the next-generation USB 3.0
peripheral controller, providing integrated and flexible features.
FX3S has a fully configurable, parallel, general programmable
interface called GPIF II, which can connect to any processor,
ASIC, or FPGA. GPIF II is an enhanced version of the GPIF in
FX2LP, Cypress’s flagship USB 2.0 product. It provides easy and
glueless connectivity to popular interfaces, such as
asynchronous SRAM, asynchronous and synchronous address
data multiplexed interfaces, and parallel ATA. FX3S has
integrated the USB 3.0 and USB 2.0 physical layers (PHYs)
along with a 32-bit ARM926EJ-S microprocessor for powerful
data processing and for building custom applications. It
implements an architecture that enables 185-MBps data transfer
from GPIF II to the USB interface.
FX3S features an integrated storage controller and can support
up to two independent mass storage devices on its storage ports.
It can support SD 3.0 and eMMC 4.41 memory cards. It can also
support SDIO 3.0 on these ports. FX3 has built in RAID with
support for RAID 0 and RAID 1 using either SD or eMMC.
An integrated USB 2.0 OTG controller enables applications in
which FX3S may serve dual roles; for example, EZ-USB FX3S
may function as an OTG Host to MSC as well as HID-class
devices. FX3S contains 512 KB or 256 KB of on-chip SRAM for
code and data. EZ-USB FX3S also provides interfaces to
connect to serial peripherals such as UART, SPI, I2C, and I2S.
FX3S comes with application development tools. The software
development kit comes with application examples for
accelerating time to market.
FX3S complies with the USB 3.0 v1.0 specification and is also
backward compatible with USB 2.0. It also complies with
USB 2.0 OTG Specification v2.0.
Application Examples
In a typical application (see Figure 1), FX3S functions as a
coprocessor and connects to an external processor, which
manages system-level functions. Figure 2 shows a typical
application diagram when FX3S functions as the main
processor.
Figure 1. EZ-USB FX3S as a Coprocessor
Note
1. Assuming that GPIF II is configured for a 16-bit data bus (available with certain part numbers; see Ordering Information on page 51), synchronous interface operating
at 100 MHz. This number also includes protocol overheads.
achREss
' Emma m vnxnnnw‘
Crysial
x' - mm.
External
Slave 5 Mm ; USB
Devwe ‘ 5 Host
1:; mega F 3
Sen M ans
RC
11 II
5m SDIO
eMMC 3&3“
4
CYUSB303X
Document Number: 001-84160 Rev. *J Page 5 of 61
Figure 2. EZ-USB FX3S as Main Processor
USB Interface
FX3S complies with the following specifications and supports the
following features:
■Supports USB peripheral functionality compliant with the
USB 3.0 Specification Revision 1.0 and is also backward
compatible with the USB 2.0 Specification.
■Complies with OTG Supplement Revision 2.0. It supports
High-Speed, Full-Speed, and Low-Speed OTG dual-role device
capability. As a peripheral, FX3S is capable of SuperSpeed,
High-Speed, and Full-Speed. As a host, it is capable of
High-Speed, Full-Speed, and Low-Speed.
■Supports Carkit Pass-Through UART functionality on USB
D+/D– lines based on the CEA-936A specification.
■Supports up to 16 IN and 16 OUT endpoints.
■Supports the USB 3.0 Streams feature. It also supports USB
Attached SCSI (UAS) device-class to optimize mass-storage
access performance.
■As a USB peripheral, FX3S supports UAS, USB Video Class
(UVC), Mass Storage Class (MSC), and Media Transfer
Protocol (MTP) USB peripheral classes. As a USB peripheral,
all other device classes are supported only in the pass-through
mode when handled entirely by a host processor external to
the device.
■As an OTG host, FX3S supports MSC and HID device classes.
Note When the USB port is not in use, disable the PHY and
transceiver to save power.
Figure 3. USB Interface Signals
OTG
FX3S is compliant with the OTG Specification Revision 2.0. In
the OTG mode, FX3S supports both A and B device modes and
supports Control, Interrupt, Bulk, and Isochronous data
transfers.
FX3S requires an external charge pump (either standalone or
integrated into a PMIC) to power VBUS in the OTG A-device
mode.
The Target Peripheral List for OTG host implementation consists
of MSC- and HID-class devices.
FX3S does not support Attach Detection Protocol (ADP).
EZ-USB FX3S
VBATT
VBUS
USB Interface
SSRX-
SSRX+
SSTX-
SSTX+
D-
D+
OTG_ID
CYPRESS'
' EMuEnnEn w mmmw-
“E
CYUSB303X
Document Number: 001-84160 Rev. *J Page 6 of 61
OTG Connectivity
In OTG mode, FX3S can be configured to be an A, B, or dual-role
device. It can connect to the following:
■ACA device
■Targeted USB peripheral
■SRP-capable USB peripheral
■HNP-capable USB peripheral
■OTG host
■HNP-capable host
■OTG device
ReNumeration
Because of FX3S’s soft configuration, one chip can take on the
identities of multiple distinct USB devices.
When first plugged into USB, FX3S enumerates automatically
with the Cypress Vendor ID (0x04B4) and downloads firmware
and USB descriptors over the USB interface. The downloaded
firmware executes an electrical disconnect and connect. FX3S
enumerates again, this time as a device defined by the
downloaded information. This patented two-step process, called
ReNumeration, happens instantly when the device is plugged in.
VBUS Overvoltage Protection
The maximum input voltage on FX3S’s VBUS pin is 6 V. A
charger can supply up to 9 V on VBUS. In this case, an external
overvoltage protection (OVP) device is required to protect FX3S
from damage on VBUS. Figure 4 shows the system application
diagram with an OVP device connected on VBUS. Refer to the
DC Specifications table for the operating range of VBUS and
VBATT.
Figure 4. System Diagram with OVP Device For VBUS
Carkit UART Mode
The USB interface supports the Carkit UART mode (UART over
D+/D–) for non-USB serial data transfer. This mode is based on
the CEA-936A specification.
In the Carkit UART mode, the output signaling voltage is 3.3 V.
When configured for the Carkit UART mode, TXD of UART
(output) is mapped to the D– line, and RXD of UART (input) is
mapped to the D+ line.
In the Carkit UART mode, FX3S disables the USB transceiver
and D+ and D– pins serve as pass-through pins to connect to the
UART of the host processor. The Carkit UART signals may be
routed to the GPIF II interface or to GPIO[48] and GPIO[49], as
shown in Figure 5.
In this mode, FX3S supports a rate of up to 9600 bps.
Figure 5. Carkit UART Pass-through Block Diagram
POWER SUBSYSTEM
USB Connector
EZ-USB FX3S
USB-Port
1
8
2
3
4
5
6
7
9
VBUS
GND
SSRX-
SSRX+
SSTX-
SSTX+
D-
D+
OTG_ID
VDD
VIO1
CVDDQ
VIO2
VIO3
AVDD
VIO5
OVP device
VIO4
U3TXVDDQ
U3RXVDDQ
Carkit UART Pass-through
Carkit UART Pass-through
Interface on GPIF II
() RXD
(DP)
TXD (DM)
USB PHY
DP
DM
TXD
RXD
USB-Port
MUX
UART_ TXD
UART_ RXD
GPIO[48]
(UART_TX)
GPIO[49]
(UART_RX)
Ctrl
Carkit UART Pass-through
Interface on GPIOs
CYUSB303X
Document Number: 001-84160 Rev. *J Page 7 of 61
Host Processor Interface (P-Port)
A configurable interface enables FX3S to communicate with
various devices such as Sensor, FPGA, Host Processor, or a
Bridge chip. FX3S supports the following P-Port interfaces.
■GPIF II (16-bit)
■Slave FIFO Interface
■16-bit Asynchronous SRAM Interface
■16-bit Asynchronous address/data multiplexed (ADMux)
Interface
■16-bit Synchronous address/data multiplexed (ADMux)
Interface
■Processor MMC slave Interface compatible with MMC System
specification, MMCA Technical Committee, Version 4.2 with
eMMC 4.3 and 4.4 Pass-Through boot
The following sections describe these P-Port interfaces.
GPIF II
The high-performance GPIF II interface enables functionality
similar to, but more advanced than, FX2LP’s GPIF and Slave
FIFO interfaces.
The GPIF II is a programmable state machine that enables a
flexible interface that may function either as a master or slave in
industry-standard or proprietary interfaces. Both parallel and
serial interfaces may be implemented with GPIF II.
Here are a list of GPIF II features:
■Functions as master or slave
■Provides 256 firmware programmable states
■Supports 8-bit and 16-bit parallel data bus
■Enables interface frequencies up to 100 MHz
■Supports 16 configurable control pins when a 16/8 data bus is
used. All control pins can be either input/output or bi-directional.
GPIF II state transitions are based on control input signals. The
control output signals are driven as a result of the GPIF II state
transitions. The INT# output signal can be controlled by GPIF II.
Refer to the GPIFII Designer tool. The GPIF II state machine’s
behavior is defined by a GPIF II descriptor. The GPIF II
descriptor is designed such that the required interface
specifications are met. 8 kB of memory (separate from the
512 kB of embedded SRAM) is dedicated to the GPIF II
waveform where the GPIF II descriptor is stored in a specific
format.
Cypress’s GPIF II Designer Tool enables fast development of
GPIF II descriptors and includes examples for common
interfaces.
Example implementations of GPIF II are the asynchronous slave
FIFO and synchronous slave FIFO interfaces.
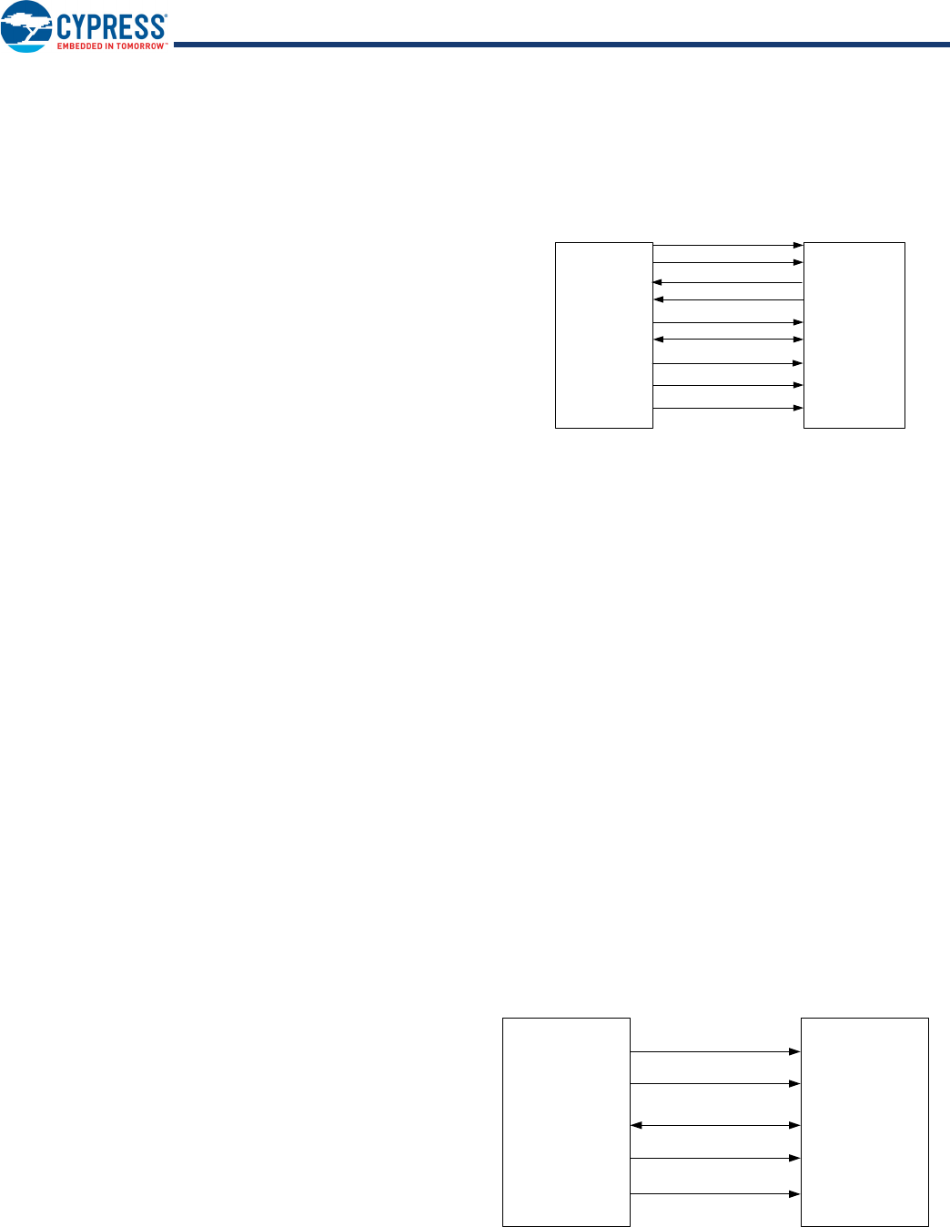
Slave FIFO Interface
The Slave FIFO interface signals are shown in Figure 6. This
interface allows an external processor to directly access up to
four buffers internal to FX3S. Further details of the Slave FIFO
interface are described on page 35.
Note Access to all 32 buffers is also supported over the slave
FIFO interface. For details, contact Cypress Applications
Support.
Figure 6. Slave FIFO Interface
Asynchronous SRAM
This interface consists of standard asynchronous SRAM
interface signals as shown in Figure 7. This interface is used to
access both the configuration registers and buffer memory of
FX3S. Both single-cycle and burst accesses are supported by
asynchronous interface signals.
The most significant address bit, A[7], determines whether the
configuration registers or buffer memory are accessed. When
the configuration registers are selected by asserting the address
bit A[7], the address bus bits A[6:0] point to a configuration
register. When A[7] is deasserted, the buffer memory is
accessed as indicated by the P-Port DMA transfer register and
the transfer size is determined by the P-Port DMA transfer size
register.
Application processors with a DMA controller that use address
auto-increment during DMA transfers, can override this by
connecting any higher-order address line (such as
A[15]/A[23]/A[31]) of the application processor to FX3S’s A[7].
In the asynchronous SRAM mode, when reading from a buffer
memory, FX3S supports two methods of reading out next data
from the buffer. The next data may be read out on the rising edge
of OE# or by toggling the least significant address bit A[0].
In this mode, the P-Port interface works with a 32.5-ns minimum
access cycle providing an interface data rate of up to 61.5 MB
per second.
Figure 7. Asynchronous SRAM Interface
External
Processor EZ-USB FX3S
SLCS#
A[1:0]
D[15:0]
SLRD#
SLOE#
SLWR#
PKTEND
FLAGA
FLAGB
Note: Multiple Flags may be configured.
HOST
PROCESSOR
WEST BRIDGE
BENICIA
CE#
A[7:0]
DQ[15:0]
WE#
OE#
FX3S
CYUSB303X
Document Number: 001-84160 Rev. *J Page 8 of 61
Asynchronous Address/Data Multiplexed
The physical ADMux memory interface consists of signals shown
in Figure 8. This interface supports processors that implement a
multiplexed address/data bus.
Figure 8. ADMux Memory Interface
FX3S’s ADMux interface supports a 16-bit time-multiplexed
address/data SRAM bus.
For read operations, assert both CE# and OE#.
For write operations, assert both CE# and WE#. OE# is “Don’t
Care” during a write operation (during both address and data
phase of the write cycle). The input data is latched on the rising
edge of WE# or CE#, whichever occurs first. Latch the addresses
prior to the write operation by toggling Address Valid (ADV#).
Assert Address Valid (ADV#) during the address phase of the
write operation, as shown in Figure 19 on page 30.
ADV# must be LOW during the address phase of a read/write
operation. ADV# must be HIGH during the data phase of a
read/write operation, as shown in Figure 18 on page 30 and
Figure 19 on page 30.
Synchronous ADMux Interface
FX3S’s P-Port supports a synchronous address/data
multiplexed interface. This operates at an interface frequency of
up to 100 MHz and supports a 16-bit data bus.
The RDY output signal from the FX3S device indicates a data
valid for read transfers and is acknowledged for write transfers.
Figure 9. Synchronous ADMux Interface
See the Synchronous ADMux Interface timing diagrams for
details.
Processor MMC (PMMC) Slave Interface
FX3S supports an MMC slave interface on the P-Port. This
interface is named “PMMC” to distinguish it from the S-Port MMC
interface.
Figure 10 illustrates the signals used to connect to the host
processor.
The PMMC interface’s GO_IRQ_STATE command allows FX3S
to communicate asynchronous events without requiring the INT#
signal. The use of the INT# signal is optional.
Figure 10. PMMC Interface Configuration
The MMC slave interface features are as follows:
■Interface operations are compatible with the MMC-System
Specification, MMCA Technical Committee, Version 4.2.
■Supports booting from an eMMC device connected to the
S-Port. This feature is supported for eMMC devices operating
up to 52-MHz SDR.
■Supports PMMC interface voltage ranges of 1.7 V to 1.95 V
and 2.7 V to 3.6 V.
■Supports open drain (both drive and receive open drain signals)
on CMD pin to allow GO_IRQ_STATE (CMD40) for PMMC.
■Interface clock-frequency range: 0 to 52 MHz.
■Supports 1-bit, 4-bit, or 8-bit mode of operation. This
configuration is determined by the MMC initialization
procedure.
■FX3S responds to standard initialization phase commands as
specified for the MMC 4.2 slave device.
■PMMC mode MMC 4.2 command classes: Class 0 (Basic),
Class 2 (Block read), and Class 4 (Block write), Class 9 (I/O).
FX3S supports the following PMMC commands:
■Class 0: Basic
CMD0, CMD1, CMD2, CMD3, CMD4, CMD6, CMD7, CMD8,
CMD9, CMD10, CMD12, CMD13, CMD15, CMD19, CMD5
(wakeup support)
■Class 2: Block Read
CMD16, CMD17, CMD18, CMD23
■Class 4: Block Write
CMD16, CMD23, CMD24, CMD25
■Class 9: I-O
CMD39, CMD40
HOST
PROCESSOR
WEST BRIDGE
BENICIA
CE#
ADV#
A[7:0]/DQ[15:0]
WE#
OE#
FX3S
HOST
Processor
West Bridge
Benicia
CLK
CE#
ADV#
A[0:7]/DQ[0:15]
WE#
OE#
RDY
FX3S
HOST
PROCESSOR
WEST BRIDGE
BENICIA
CLK
CMD
DAT[7:0]
INT#
MMC4.2 Host
PMMC I/F
FX3S
nnnnnnnnnnnnnnnnnnn
CYUSB303X
Document Number: 001-84160 Rev. *J Page 9 of 61
CPU
FX3S has an on-chip 32-bit, 200-MHz ARM926EJ-S core CPU.
The core has direct access to 16 kB of Instruction Tightly
Coupled Memory (TCM) and 8 kB of Data TCM. The
ARM926EJ-S core provides a JTAG interface for firmware
debugging.
FX3S offers the following advantages:
■Integrates 512 KB of embedded SRAM for code and data and
8 KB of Instruction cache and Data cache.
■Implements efficient and flexible DMA connectivity between the
various peripherals (such as, USB, GPIF II, I2S, SPI, UART),
requiring firmware only to configure data accesses between
peripherals, which are then managed by the DMA fabric.
■Allows easy application development on industry-standard
development tools for ARM926EJ-S.
Examples of the FX3S firmware are available with the Cypress
EZ-USB FX3S Development Kit. Software APIs that can be
ported to an external processor are available with the Cypress
EZ-USB FX3S Software Development Kit.
Storage Port (S-Port)
FX3S has two independent storage ports (S0-Port and S1-Port).
Both storage ports support the following specifications:
■MMC-system specification, MMCA Technical Committee,
Version 4.41
■SD specification, Version 3.0
■SDIO host controller compliant with SDIO Specification Version
3.00
Both storage ports support the following features:
SD/MMC Clock Stop
FX3S supports the stop clock feature, which can save power if
the internal buffer is full when receiving data from the
SD/MMC/SDIO.
SD_CLK Output Clock Stop
During the data transfer, the SD_CLK clock can be enabled (on)
or disabled (stopped) at any time by the internal flow control
mechanism.
SD_CLK output frequency is dynamically configurable using a
clock divisor from a system clock. The clock choice for the divisor
is user-configurable through a register. For example, the
following frequencies may be configured:
■400 kHz – For the SD/MMC card initialization
■20 MHz – For a card with 0- to 20-MHz frequency
■24 MHz – For a card with 0- to 26-MHz frequency
■48 MHz – For a card with 0- to 52-MHz frequency
(48-MHz frequency on SD_CLK is supported when the clock
input to FX3S is 19.2 MHz or 38.4 MHz)
■52 MHz – For a card with 0- to 52-MHz frequency
(52-MHz frequency on SD_CLK is supported when the clock
input to FX3S is 26 MHz or 52 MHz)
■100 MHz – For a card with 0- to 100-MHz frequency
If the DDR mode is selected, data is clocked on both the rising
and falling edge of the SD clock. DDR clocks run up to 52 MHz.
Card Insertion and Removal Detection
FX3S supports the two-card insertion and removal detection
mechanisms.
■Use of SD_D[3] data: During system design, this signal must
have an external 470-k pull-down resistor connected to
SD_D[3]. SD cards have an internal 10-k pull-up resistor.
When the card is inserted or removed from the SD/MMC
connector, the voltage level at the SD_D[3] pin changes and
triggers an interrupt to the CPU. The older generations of MMC
cards do not support this card detection mechanism.
■Use of the S0/S1_INS pin: Some SD/MMC connectors facilitate
a micro switch for card insertion/removal detection. This micro
switch can be connected to S0/S1_INS. When the card is
inserted or removed from the SD/MMC connector, it turns the
micro switch on and off. This changes the voltage level at the
pin that triggers the interrupt to the CPU. The card-detect micro
switch polarity is assumed to be the same as the write-protect
micro switch polarity. A low indicates that the card is inserted.
This S0/S1_INS pin is shared between the two S-Ports.
Register configuration determines which port gets to use this
pin. This pin is mapped to the S1VDDQ power domain; if
S0VDDQ and S1VDDQ are at different voltage levels, this pin
cannot be used as S1_INS.
Write Protection (WP)
The S0_WP/S1_WP (SD Write Protection) on S-Port is used to
connect to the WP micro switch of SD/MMC card connector. This
pin internally connects to a CPU-accessible GPIO for firmware
to detect the SD card write protection.
SDIO Interrupt
The SDIO interrupt functionality is supported as specified in the
SDIO specification Version 2.00 (January 30, 2007).
SDIO Read-Wait Feature
FX3S supports the optional read-wait and suspend-resume
features as defined in the SDIO specification Version 2.00
(January 30, 2007).
CYUSB303X
Document Number: 001-84160 Rev. *J Page 10 of 61
JTAG Interface
FX3S’s JTAG interface has a standard five-pin interface to
connect to a JTAG debugger in order to debug firmware through
the CPU-core’s on-chip-debug circuitry.
Industry-standard debugging tools for the ARM926EJ-S core
can be used for the FX3S application development.
Other Interfaces
FX3S supports the following serial peripherals:
■UART
■I2C
■I2S
■SPI
The SPI, UART, and I2S interfaces are multiplexed on the serial
peripheral port.
UART Interface
The UART interface of FX3S supports full-duplex
communication. It includes the signals noted in Ta b le 1 .
The UART is capable of generating a range of baud rates, from
300 bps to 4608 Kbps, selectable by the firmware. If flow control
is enabled, then FX3S’s UART only transmits data when the CTS
input is asserted. In addition to this, FX3S's UART asserts the
RTS output signal, when it is ready to receive data.
I2C Interface
FX3S’s I2C interface is compatible with the I2C Bus Specification
Revision 3. This I2C interface is capable of operating only as I2C
master; therefore, it may be used to communicate with other I2C
slave devices. For example, FX3S may boot from an EEPROM
connected to the I2C interface, as a selectable boot option.
FX3S’s I2C Master Controller also supports multi-master mode
functionality.
The power supply for the I2C interface is VIO5, which is a
separate power domain from the other serial peripherals. This
gives the I2C interface the flexibility to operate at a different
voltage than the other serial interfaces.
The I2C controller supports bus frequencies of 100 kHz,
400 kHz, and 1 MHz. When VIO5 is 1.2 V, the maximum
operating frequency supported is 100 kHz. When VIO5 is 1.8 V,
2.5 V, or 3.3 V, the operating frequencies supported are 400 kHz
and 1 MHz. The I2C controller supports the clock-stretching
feature to enable slower devices to exercise flow control.
The I2C interface’s SCL and SDA signals require external pull-up
resistors. The pull-up resistors must be connected to VIO5.
I2S Interface
FX3S has an I2S port to support external audio codec devices.
FX3S functions as I2S Master as transmitter only. The I2S
interface consists of four signals: clock line (I2S_CLK), serial
data line (I2S_SD), word select line (I2S_WS), and master
system clock (I2S_MCLK). FX3S can generate the system clock
as an output on I2S_MCLK or accept an external system clock
input on I2S_MCLK.
The sampling frequencies supported by the I2S interface are
8 kHz, 16 kHz, 32 kHz, 44.1 kHz, 96 kHz and 192 kHz.
SPI Interface
FX3S supports an SPI Master interface on the Serial Peripherals
port. The maximum operation frequency is 33 MHz.
The SPI controller supports four modes of SPI communication
(see SPI Timing Specification on page 47 for details on the
modes) with the Start-Stop clock. This controller is a
single-master controller with a single automated SSN control. It
supports transaction sizes ranging from 4 bits to 32 bits.
Table 1. UART Interface Signals
Signal Description
TX Output signal
RX Input signal
CTS Flow control
RTS Flow control
CYUSB303X
Document Number: 001-84160 Rev. *J Page 11 of 61
Boot Options
FX3S can load boot images from various sources, selected by
the configuration of the PMODE pins. Following are the FX3S
boot options:
■Boot from USB
■Boot from I2C
■Boot from SPI
❐Cypress SPI flash parts supported are S25FS064S (64-Mbit),
S25FS128S (128-Mbit) and S25LFL064L (64-Mbit).
❐W25Q32FW (32-Mbit) is also supported.
■Boot from eMMC (S0-port)
■Boot from GPIF II ASync ADMux mode
■Boot from GPIF II Sync ADMux mode
■Boot from GPIF II ASync SRAM mode
■Boot from PMMC (P-Port)
Reset
Hard Reset
A hard reset is initiated by asserting the Reset# pin on FX3S. The
specific reset sequence and timing requirements are detailed in
Figure 31 on page 49 and Table 27 on page 49. All I/Os are
tristated during a hard reset.
Soft Reset
In a soft reset, the processor sets the appropriate bits in the
PP_INIT control register. There are two types of Soft Reset:
■CPU Reset – The CPU Program Counter is reset. Firmware
does not need to be reloaded following a CPU Reset.
■Whole Device Reset – This reset is identical to Hard Reset.
■The firmware must be reloaded following a Whole Device
Reset.
Table 2. FX3S Booting Options
PMODE[2:0] [2] Boot From
F00 Sync ADMux (16-bit)
F01 Async ADMux (16-bit)
F10 PMMC Legacy
F11 USB boot
F0F Async SRAM (16-bit)
F1F I2C, On Failure, USB Boot is Enabled
1FF I2C only
0F1 SPI, On Failure, USB Boot is Enabled
000 S0-Port (eMMC) On failure, USB boot is
enabled
100 S0-port (eMMC)
Table 2. FX3S Booting Options (continued)
PMODE[2:0] [2] Boot From
Note
2. F indicates Floating.
CYUSB303X
Document Number: 001-84160 Rev. *J Page 12 of 61
Clocking
FX3S allows either a crystal to be connected between the
XTALIN and XTALOUT pins or an external clock to be connected
at the CLKIN pin. The XTALIN, XTALOUT, CLKIN, and
CLKIN_32 pins can be left unconnected if they are not used.
Crystal frequency supported is 19.2 MHz, while the external
clock frequencies supported are 19.2, 26, 38.4, and 52 MHz.
FX3S has an on-chip oscillator circuit that uses an external
19.2-MHz (±100 ppm) crystal (when the crystal option is used).
An appropriate load capacitance is required with a crystal. Refer
to the specification of the crystal used to determine the
appropriate load capacitance. The FSLC[2:0] pins must be
configured appropriately to select the crystal- or clock-frequency
option. The configuration options are shown in Ta b l e 3.
Clock inputs to FX3S must meet the phase noise and jitter
requirements specified in Tab l e 4.
The input clock frequency is independent of the clock and data
rate of the FX3S core or any of the device interfaces (including
P-Port and S-Port). The internal PLL applies the appropriate
clock multiply option depending on the input frequency.
32-kHz Watchdog Timer Clock Input
FX3S includes a watchdog timer. The watchdog timer can be
used to interrupt the ARM926EJ-S core, automatically wake up
the FX3S in Standby mode, and reset the ARM926EJ-S core.
The watchdog timer runs a 32-kHz clock, which may be
optionally supplied from an external source on a dedicated FX3S
pin.
The firmware can disable the watchdog timer.
Requirements for the optional 32-kHz clock input are listed in
Tab l e 5.
Table 3. Crystal/Clock Frequency Selection
FSLC[2] FSLC[1] FSLC[0] Crystal/Clock
Frequency
0 0 0 19.2-MHz crystal
1 0 0 19.2-MHz input CLK
1 0 1 26-MHz input CLK
1 1 0 38.4-MHz input CLK
1 1 1 52-MHz input CLK
Table 4. FX3S Input Clock Specifications
Parameter Description Specification Units
Min Max
Phase noise 100-Hz offset ––75 dB
1- kHz offset ––104 dB
10-kHz offset ––120 dB
100-kHz offset ––128 dB
1-MHz offset ––130 dB
Maximum frequency deviation –150 ppm
Duty cycle 30 70 %
Overshoot – 3 %
Undershoot ––3 %
Rise time/fall time – 3 ns
Table 5. 32-kHz Clock Input Requirements
Parameter Min Max Units
Duty cycle 40 60 %
Frequency deviation –±200 ppm
Rise time/fall time –200 ns
CYUSB303X
Document Number: 001-84160 Rev. *J Page 13 of 61
Power
FX3S has the following power supply domains:
■IO_VDDQ: This is a group of independent supply domains for
digital I/Os. The voltage level on these supplies is 1.8 V to 3.3V.
FX3S provides six independent supply domains for digital I/Os
listed as follows (see Pin Description on page 17 for details on
each of the power domain signals):
❐VIO1: GPIF II I/O
❐VIO2: S0-Port Supply
❐VIO3: S1-Port Supply
❐VIO4: S1-Port and Low Speed Peripherals (UART/SPI/I2S)
Supply
❐VIO5: I2C and JTAG (supports 1.2 V to 3.3 V)
❐CVDDQ: Clock
❐VDD: This is the supply voltage for the logic core. The nominal
supply-voltage level is 1.2 V. This supplies the core logic
circuits. The same supply must also be used for the following:
• AVDD: This is the 1.2-V supply for the PLL, crystal
oscillator, and other core analog circuits
• U3TXVDDQ/U3RXVDDQ: These are the 1.2-V supply
voltages for the USB 3.0 interface.
■VBATT/VBUS: This is the 3.2-V to 6-V battery power supply for
the USB I/O and analog circuits. This supply powers the USB
transceiver through FX3S’s internal voltage regulator. VBATT
is internally regulated to 3.3 V.
Note: No specific power-up sequence for FX3S power domains.
Minimum power on reset time of 1 ms should be met and the
power domains must be stable for FX3S operation.
Power Modes
FX3S supports the following power modes:
■Normal mode: This is the full-functional operating mode. The
internal CPU clock and the internal PLLs are enabled in this
mode.
❐Normal operating power consumption does not exceed the
sum of ICC Core max and ICC USB max (see the DC
Specifications table for current consumption specifications).
❐The I/O power supplies VIO2, VIO3, VIO4, and VIO5 can be
turned off when the corresponding interface is not in use.
VIO1 cannot be turned off at any time if the GPIF II interface
is used in the application.
■Low-power modes (see Tab l e 6):
❐Suspend mode with USB 3.0 PHY enabled (L1)
❐Suspend mode with USB 3.0 PHY disabled (L2)
❐Standby mode (L3)
❐Core power-down mode (L4)
Table 6. Entry and Exit Methods for Low-Power Modes
Low-Power Mode Characteristics Methods of Entry Methods of Exit
Suspend Mode
with USB 3.0 PHY
Enabled (L1)
■The power consumption in this mode
does not exceed ISB1
■USB 3.0 PHY is enabled and is in U3
mode (one of the suspend modes defined
by the USB 3.0 specification). This one
block alone is operational with its internal
clock while all other clocks are shut down
■All I/Os maintain their previous state
■Power supply for the wakeup source and
core power must be retained. All other
power domains can be turned on/off
individually
■The states of the configuration registers,
buffer memory, and all internal RAM are
maintained
■All transactions must be completed
before FX3S enters Suspend mode
(state of outstanding transactions are not
preserved)
■The firmware resumes operation from
where it was suspended (except when
woken up by RESET# assertion)
because the program counter does not
reset
■Firmware executing on ARM926EJ-S
core can put FX3S into suspend mode.
For example, on USB suspend
condition, firmware may decide to put
FX3S into suspend mode
■External Processor, through the use of
mailbox registers, can put FX3S into
suspend mode
■D+ transitioning to low
or high
■D- transitioning to low or
high
■Impedance change on
OTG_ID pin
■Resume condition on
SSRX±
■Detection of VBUS
■Level detect on
UART_CTS
(programmable
polarity)
■GPIF II interface
assertion of CTL[0]
■Assertion of RESET#
CYUSB303X
Document Number: 001-84160 Rev. *J Page 14 of 61
Suspend Mode
with USB 3.0 PHY
Disabled (L2)
■The power consumption in this mode
does not exceed ISB2
■USB 3.0 PHY is disabled and the USB
interface is in suspend mode
■The clocks are shut off. The PLLs are
disabled
■All I/Os maintain their previous state
■USB interface maintains the previous
state
■Power supply for the wakeup source and
core power must be retained. All other
power domains can be turned on/off
individually
■The states of the configuration registers,
buffer memory and all internal RAM are
maintained
■All transactions must be completed
before FX3S enters Suspend mode
(state of outstanding transactions are not
preserved)
■The firmware resumes operation from
where it was suspended (except when
woken up by RESET# assertion)
because the program counter does not
reset
■Firmware executing on ARM926EJ-S
core can put FX3S into suspend mode.
For example, on USB suspend
condition, firmware may decide to put
FX3S into suspend mode
■External Processor, through the use of
mailbox registers can put FX3S into
suspend mode
■D+ transitioning to low
or high
■D- transitioning to low or
high
■Impedance change on
OTG_ID pin
■Detection of VBUS
■Level detect on
UART_CTS
(programmable
polarity)
■GPIF II interface
assertion of CTL[0]
■Assertion of RESET#
Standby Mode
(L3)
■The power consumption in this mode
does not exceed ISB3
■All configuration register settings and
program/data RAM contents are
preserved. However, data in the buffers
or other parts of the data path, if any, is
not guaranteed. Therefore, the external
processor should take care that the data
needed is read before putting FX3S into
this Standby Mode
■The program counter is reset after waking
up from Standby
■GPIO pins maintain their configuration
■Crystal oscillator is turned off
■Internal PLL is turned off
■USB transceiver is turned off
■ARM926EJ-S core is powered down.
Upon wakeup, the core re-starts and runs
the program stored in the program/data
RAM
■Power supply for the wakeup source and
core power must be retained. All other
power domains can be turned on/off
individually
■Firmware executing on ARM926EJ-S
core or external processor configures
the appropriate register
■Detection of VBUS
■Level detect on
UART_CTS
(Programmable
Polarity)
■GPIF II interface
assertion of CTL[0]
■Assertion of RESET#
Table 6. Entry and Exit Methods for Low-Power Modes (continued)
Low-Power Mode Characteristics Methods of Entry Methods of Exit
CYUSB303X
Document Number: 001-84160 Rev. *J Page 15 of 61
Configuration Options
Configuration options are available for specific usage models.
Contact Cypress Applications or Marketing for details.
Digital I/Os
FX3S has internal firmware-controlled pull-up or pull-down
resistors on all digital I/O pins. An internal 50-kresistor pulls
the pins high, while an internal 10-kresistor pulls the pins low
to prevent them from floating. The I/O pins may have the
following states:
■Tristated (High-Z)
■Weak pull-up (via internal 50 k)
■Pull-down (via internal 10 k)
■Hold (I/O hold its value) when in low-power modes
■The JTAG TDI, TMC, and TRST# signals have fixed 50-k
internal pull-ups, and the TCK signal has a fixed 10-k
pull-down resistor.
All unused I/Os should be pulled high by using the internal
pull-up resistors. All unused outputs should be left floating. All
I/Os can be driven at full-strength, three-quarter strength,
half-strength, or quarter-strength. These drive strengths are
configured separately for each interface.
GPIOs
EZ-USB enables a flexible pin configuration both on the GPIF II
and the serial peripheral interfaces. Any unused control pins
(except CTL[15]) on the GPIF II interface can be used as GPIOs.
Similarly, any unused pins on the serial peripheral interfaces may
be configured as GPIOs. See the Pin Description on page 17 for
pin configuration options.
All GPIF II and GPIO pins support an external load of up to 16 pF
for every pin.
EMI
FX3S meets EMI requirements outlined by FCC 15B (USA) and
EN55022 (Europe) for consumer electronics. FX3S can tolerate
reasonable EMI, conducted by the aggressor, outlined by these
specifications and continue to function as expected.
System-level ESD
FX3S has built-in ESD protection on the D+, D–, and GND pins
on the USB interface. The ESD protection levels provided on
these ports are:
■±2.2-KV human body model (HBM) based on JESD22-A114
Specification
■±6-KV contact discharge and ±8-KV air gap discharge based
on IEC61000-4-2 level 3A
■± 8-KV Contact Discharge and ±15-KV Air Gap Discharge
based on IEC61000-4-2 level 4C.
This protection ensures the device continues to function after
ESD events up to the levels stated in this section.
The SSRX+, SSRX–, SSTX+, and SSTX– pins only have up to
±2.2-KV HBM internal ESD protection.
Core Power Down
Mode (L4)
■The power consumption in this mode
does not exceed ISB4
■Core power is turned off
■All buffer memory, configuration
registers, and the program RAM do not
maintain state. After exiting this mode,
reload the firmware
■In this mode, all other power domains can
be turned on/off individually
■Turn off VDD
■Reapply VDD
■Assertion of RESET#
Note: The power consumption depends on how the FX3S IOs are utilized in the application. Refer to KBA85505 to estimate the
current consumption by different power domains (VIO1–VIO5).
Table 6. Entry and Exit Methods for Low-Power Modes (continued)
Low-Power Mode Characteristics Methods of Entry Methods of Exit
uuuuuuuuuuuuuuuuuu
CYUSB303X
Document Number: 001-84160 Rev. *J Page 16 of 61
Pinouts
Figure 11. FX3S Ball Map (Top View)
1234567891011
AU3VSSQ U3RXVDDQ SSRXM SSRXP SSTXP SSTXM AVDD VSS DP DM NC
BVIO4 FSLC[0] R_USB3 FSLC[1] U3TXVDDQ CVDDQ AVSS VSS VSS VDD TRST#
CGPIO[54] GPIO[55] VDD GPIO[57] RESET# XTALIN XTALOUT R_USB2 OTG_ID TDO VIO5
DGPIO[50] GPIO[51] GPIO[52] GPIO[53] GPIO[56] CLKIN_32 CLKIN VSS I2C_GPIO[58] I2C_GPIO[59] NC
EGPIO[47] VSS VIO3 GPIO[49] GPIO[48] FSLC[2] TDI TMS VDD VBATT VBUS
FVIO2 GPIO[45] GPIO[44] GPIO[41] GPIO[46] TCK GPIO[2] GPIO[5] GPIO[1] GPIO[0] VDD
GVSS GPIO[ 4 2 ] GPIO[ 4 3 ] GPIO[ 3 0 ] GPIO[25] GPIO[22] GPIO[21] GPIO[15] GPIO[ 4 ] GPIO[3] VSS
HVDD GPIO[39] GPIO[40] GPIO[31] GPIO[29] GPIO[26] GPIO[20] GPIO[24] GPIO[7] GPIO[6] VIO1
JGPIO[38] GPIO[36] GPIO[37] GPIO[34] GPIO[28] GPIO[16] GPIO[19] GPIO[14] GPIO[9] GPIO[8] VDD
KGPIO[35] GPIO[33] VSS VSS GPIO[2 7] GP IO[2 3 ] GPIO[ 18 ] GPIO[17 ] GPIO[13 ] GPIO[12] GPIO[ 10 ]
LVSS VSS VSS GPIO[32] VDD VSS VDD INT# VIO1 GPIO[11] VSS
‘CYPRESS'
' mmznwmumw
Nous
CYUSB303X
Document Number: 001-84160 Rev. *J Page 17 of 61
Pin Description
Table 7. Pin Description
Pin Power
Domain I/O Name FX3S Pin Description
P-Port
GPIF II
Interface
Slave FIFO
Interface [3] PMMC Async
SRAM
Async
ADMux SyncADMux
F10 VIO1 I/O GPIO[0] DQ[0] DQ[0] MMC_D0 DQ[0] DQ[0]/A[0] DQ[0]/A[0]
F9 VIO1 I/O GPIO[1] DQ[1] DQ[1] MMC_D1 DQ[1] DQ[1]/A[1] DQ[1]/A[1]
F7 VIO1 I/O GPIO[2] DQ[2] DQ[2] MMC_D2 DQ[2] DQ[2]/A[2] DQ[2]/A[2]
G10 VIO1 I/O GPIO[3] DQ[3] DQ[3] MMC_D3 DQ[3] DQ[3]/A[3] DQ[3]/A[3]
G9 VIO1 I/O GPIO[4] DQ[4] DQ[4] MMC_D4 DQ[4] DQ[4]/A[4] DQ[4]/A[4]
F8 VIO1 I/O GPIO[5] DQ[5] DQ[5] MMC_D5 DQ[5] DQ[5]/A[5] DQ[5]/A[5]
H10 VIO1 I/O GPIO[6] DQ[6] DQ[6] MMC_D6 DQ[6] DQ[6]/A[6] DQ[6]/A[6]
H9 VIO1 I/O GPIO[7] DQ[7] DQ[7] MMC_D7 DQ[7] DQ[7]/A[7] DQ[7]/A[7]
J10 VIO1 I/O GPIO[8] DQ[8]/A0 [4] DQ[8]/A0 [4] GPIO DQ[8] DQ[8]/A[8] DQ[8]/A[8]
J9 VIO1 I/O GPIO[9] DQ[9]/A1 [4] DQ[9]/A1 [4] GPIO DQ[9] DQ[9]/A[9] DQ[9]/A[9]
K11 VIO1 I/O GPIO[10] DQ[10] DQ[10] GPIO DQ[10] DQ[10]/A[10] DQ[10]/A[10]
L10 VIO1 I/O GPIO[11] DQ[11] DQ[11] GPIO DQ[11] DQ[11]/A[11] DQ[11]/A[11]
K10 VIO1 I/O GPIO[12] DQ[12] DQ[12] GPIO DQ[12] DQ[12]/A[12] DQ[12]/A[12]
K9 VIO1 I/O GPIO[13] DQ[13] DQ[13] GPIO DQ[13] DQ[13]/A[13] DQ[13]/A[13]
J8 VIO1 I/O GPIO[14] DQ[14] [5] DQ[14] GPIO DQ[14] DQ[14]/A[14] DQ[14]/A[14]
G8 VIO1 I/O GPIO[15] DQ[15] [5] DQ[15] GPIO DQ[15] DQ[15]/A[15] DQ[15]/A[15]
J6 VIO1 I/O GPIO[16] PCLK CLK MMC_CLK CLK CLK CLK
K8 VIO1 I/O GPIO[17] CTL[0] SLCS# GPIO CE# CE# CE#
K7 VIO1 I/O GPIO[18] CTL[1] SLWR# MMC_CMD WE# WE# WE#
J7 VIO1 I/O GPIO[19] CTL[2] SLOE# GPIO OE# OE# OE#
H7 VIO1 I/O GPIO[20] CTL[3] SLRD# GPIO DACK# DACK# DACK#
G7 VIO1 I/O GPIO[21] CTL[4] FLAGA GPIO DRQ# DRQ# DRQ#
G6 VIO1 I/O GPIO[22] CTL[5] FLAGB GPIO A[7] GPIO GPIO
K6 VIO1 I/O GPIO[23] CTL[6] GPIO GPIO A[6] GPIO RDY
H8 VIO1 I/O GPIO[24] CTL[7] PKTEND# GPIO A[5] GPIO GPIO
G5 VIO1 I/O GPIO[25] CTL[8] GPIO GPIO A[4] GPIO GPIO
H6 VIO1 I/O GPIO[26] CTL[9] GPIO GPIO A[3] GPIO GPIO
K5 VIO1 I/O GPIO[27] CTL[10] GPIO GPIO A[2] ADV# ADV#
J5 VIO1 I/O GPIO[28] CTL[11] A1 CARKIT_UART_RX A[1] GPIO GPIO
H5 VIO1 I/O GPIO[29] CTL[12] A0 CARKIT_UART_TX A[0] GPIO GPIO
G4 VIO1 I/O GPIO[30] PMODE[0] PMODE[0] PMODE[0] PMODE[0] PMODE[0] PMODE[0]
H4 VIO1 I/O GPIO[31] PMODE[1] PMODE[1] PMODE[1] PMODE[1] PMODE[1] PMODE[1]
L4 VIO1 I/O GPIO[32] PMODE[2] PMODE[2] PMODE[2] PMODE[2] PMODE[2] PMODE[2]
L8 VIO1 I/O INT# INT#/CTL[15] CTL[15] INT# INT# INT# INT#
C5 CVDDQ I RESET# RESET# RESET# RESET# RESET# RESET# RESET#
Notes
3. Slave FIFO is an example configuration of GPIF II Interface. The Slave FIFO control signal assignments can be modified using GPIF-II designer tool.
4. For 8-bit data bus configuration, GPIO[8] and GPIO[9] act as address lines.
5. GPIF II can also be configured as a serial interface. The DQ[15] pin becomes a serial output and DQ[14] becomes a serial input in this mode.
CYUSB303X
Document Number: 001-84160 Rev. *J Page 18 of 61
Table 8. Pin Description
Pin Power
Domain I/O Name FX3S Pin Description
S0-Port
8b MMC SD+GPIO GPIO
K2 VIO2 I/O GPIO[33] S0_SD0 S0_SD0 GPIO
J4 VIO2 I/O GPIO[34] S0_SD1 S0_SD1 GPIO
K1 VIO2 I/O GPIO[35] S0_SD2 S0_SD2 GPIO
J2 VIO2 I/O GPIO[36] S0_SD3 S0_SD3 GPIO
J3 VIO2 I/O GPIO[37] S0_SD4 GPIO GPIO
J1 VIO2 I/O GPIO[38] S0_SD5 GPIO GPIO
H2 VIO2 I/O GPIO[39] S0_SD6 GPIO GPIO
H3 VIO2 I/O GPIO[40] S0_SD7 GPIO GPIO
F4 VIO2 I/O GPIO[41] S0_CMD S0_CMD GPIO
G2 VIO2 I/O GPIO[42] S0_CLK S0_CLK GPIO
G3 VIO2 I/O GPIO[43] S0_WP S0_WP GPIO
F3 VIO2 I/O GPIO[44] S0S1_INS S0S1_INS GPIO
F2 VIO2 I/O GPIO[45] MMC0_RST_OUT GPIO GPIO
S1-Port
8b MMC SD+UART SD+SPI SD+GPIO GPIO
GPIO+UART
+I2S
SD+I2S
UART+SPI+
I2S
F5 VIO3 I/O GPIO[46] S1_SD0 S1_SD0 S1_SD0 S1_SD0 GPIO GPIO S1_SD0 UART_RTS
E1 VIO3 I/O GPIO[47] S1_SD1 S1_SD1 S1_SD1 S1_SD1 GPIO GPIO S1_SD1 UART_CTS
E5 VIO3 I/O GPIO[48] S1_SD2 S1_SD2 S1_SD2 S1_SD2 GPIO GPIO S1_SD2 UART_TX
E4 VIO3 I/O GPIO[49] S1_SD3 S1_SD3 S1_SD3 S1_SD3 GPIO GPIO S1_SD3 UART_RX
D1 VIO3 I/O GPIO[50] S1_CMD S1_CMD S1_CMD S1_CMD GPIO I2S_CLK S1_CMD I2S_CLK
D2 VIO3 I/O GPIO[51] S1_CLK S1_CLK S1_CLK S1_CLK GPIO I2S_SD S1_CLK I2S_SD
D3 VIO3 I/O GPIO[52] S1_WP S1_WP S1_WP S1_WP GPIO I2S_WS S1_WP I2S_WS
D4 VIO4 I/O GPIO[53] S1_SD4 UART_
RTS
SPI_SCK GPIO GPIO UART_RTS GPIO SPI_SCK
C1 VIO4 I/O GPIO[54] S1_SD5 UART_
CTS
SPI_SSN GPIO GPIO UART_CTS I2S_CLK SPI_SSN
C2 VIO4 I/O GPIO[55] S1_SD6 UART_TX SPI_MISO GPIO GPIO UART_TX I2S_SD SPI_MISO
D5 VIO4 I/O GPIO[56] S1_SD7 UART_RX SPI_MOSI GPIO GPIO UART_RX I2S_WS SPI_MOSI
C4 VIO4 I/O GPIO[57] MMC1_
RST_OUT
GPIO GPIO GPIO GPIO I2S_MCLK I2S_MCLK I2S_MCLK
CYUSB303X
Document Number: 001-84160 Rev. *J Page 19 of 61
Table 9. Pin Description
Pin Power
Domain I/O Name FX3S Pin Description
USB Port
C9 VBUS/
VBATT
I OTG_ID OTG_ID
A3 U3RX
VDDQ
I SSRXM SSRX–
A4 U3RX
VDDQ
I SSRXP SSRX+
A6 U3TX
VDDQ
O SSTXM SSTX-
A5 U3TX
VDDQ
O SSTXP SSTX+
A9 VBUS/
VBATT
I/O DP D+
A10 VBUS/
VBATT
I/O DM D–
A11 NC No connect
Crystal/Clocks
B2 CVDDQ I FSLC[0] FSLC[0]
C6 AVDD I/O XTALIN XTALIN
C7 AVDD I/O XTALOUT XTALOUT
B4 CVDDQ I FSLC[1] FSLC[1]
E6 CVDDQ I FSLC[2] FSLC[2]
D7 CVDDQ I CLKIN CLKIN
D6 CVDDQ I CLKIN_32 CLKIN_32
I2C and JTAG
D9 VIO5 I/O I2C_GPIO[58] I2C_SCL
D10 VIO5 I/O I2C_GPIO[59] I2C_SDA
E7 VIO5 I TDI TDI
C10 VIO5 O TDO TDO
B11 VIO5 I TRST# TRST#
E8 VIO5 I TMS TMS
F6 VIO5 I TCK TCK
D11 VIO5 O O[60] GPIO
CYPRESS'
' mmmwmumw
CYUSB303X
Document Number: 001-84160 Rev. *J Page 20 of 61
Table 10. Pin Description
FX3S Pin Description
Pin Power
Domain I/O Name Power
E10 PWR VBATT
B10 PWR VDD
A1 PWR U3VSSQ
E11 PWR VBUS
D8 PWR VSS
H11 PWR VIO1
E2 PWR VSS
L9 PWR VIO1
G1 PWR VSS
F1 PWR VIO2
G11 PWR VSS
E3 PWR VIO3
L1 PWR VSS
B1 PWR VIO4
L6 PWR VSS
B6 PWR CVDDQ
B5 PWR U3TXVDDQ
A2 PWR U3RXVDDQ
C11 PWR VIO5
L11 PWR VSS
A7 PWR AVDD
B7 PWR AVSS
C3 PWR VDD
B8 PWR VSS
E9 PWR VDD
B9 PWR VSS
F11 PWR VDD
H1 PWR VDD
L7 PWR VDD
J11 PWR VDD
L5 PWR VDD
K4 PWR VSS
L3 PWR VSS
K3 PWR VSS
L2 PWR VSS
A8 PWR VSS
Precision Resistors
C8 VBUS/
VBATT
I/O R_usb2 Precision resistor for USB 2.0 (Connect a 6.04 kΩ ±1% resistor between this pin and GND)
B3 U3TX
VDDQ
I/O R_usb3 Precision resistor for USB 3.0 (Connect a 200 Ω ±1% resistor between this pin and GND)
“CYPRESS
(Mailman w vmmw
ower
m
m
m
m
ngm.
CYUSB303X
Document Number: 001-84160 Rev. *J Page 21 of 61
Electrical Specifications
Absolute Maximum Ratings
Exceeding maximum ratings may shorten the useful life of the
device.
Storage temperature .................................... –65 °C to +150 °C
Ambient temperature
with power supplied (Industrial) ..................... –40 °C to +85 °C
Supply voltage to ground potential
VDD, AVDDQ ......................................................................1.25 V
VIO1,VIO2, VIO3, VIO4, VIO5 ................................................3.6 V
U3TXVDDQ, U3RXVDDQ ...................................................1.25 V
DC input voltage to any input pin ................................VCC + 0.3
DC voltage applied to outputs
in high Z state .............................................................VCC + 0.3
(VCC is the corresponding I/O voltage)
Static discharge voltage ESD protection levels:
■± 2.2-KV HBM based on JESD22-A114
■Additional ESD protection levels on D+, D–, and GND pins, and
serial peripheral pins
■± 6-KV contact discharge, ± 8-KV air gap discharge based on
IEC61000-4-2 level 3A, ± 8-KV contact discharge, and ± 15-KV
air gap discharge based on IEC61000-4-2 level 4C
Latch-up current .........................................................> 200 mA
Maximum output short-circuit current
for all I/O configurations. (Vout = 0 V) ........................ –100 mA
Operating Conditions
TA (ambient temperature under bias)
Industrial ........................................................ –40 °C to +85 °C
VDD, AVDDQ, U3TXVDDQ, U3RXVDDQ
Supply voltage ..................................................1.15 V to 1.25 V
VBATT supply voltage ...............................................3.2 V to 6 V
VIO1, VIO2, VIO3, VIO4, CVDDQ
Supply voltage ......................................................1.7 V to 3.6 V
VIO5 supply voltage ............................................ 1.15 V to 3.6 V
DC Specifications
Table 11. DC Specifications
Parameter Description Min Max Units Notes
VDD Core voltage supply 1.15 1.25 V 1.2-V typical
AVDD Analog voltage supply 1.15 1.25 V 1.2-V typical
VIO1 GPIF II I/O power supply domain 1.7 3.6 V 1.8-, 2.5-, and 3.3-V typical
VIO2 S0-Port power supply domain 1.7 3.6 V 1.8-, 2.5-, and 3.3-V typical
VIO3 S1-Port power supply domain 1.7 3.6 V 1.8-, 2.5-, and 3.3-V typical
VIO4 S1-Port and UART/SPI/I2S power
supply domain
1.7 3.6 V 1.8-, 2.5-, and 3.3-V typical
VBATT USB voltage supply 3.2 6 V 3.7-V typical
VBUS USB voltage supply 4.0 6 V 5-V typical
U3TXVDDQ USB 3.0 1.2-V supply 1.15 1.25 V 1.2-V typical. A 22-µF bypass capacitor is required
on this power supply.
U3RXVDDQ USB 3.0 1.2-V supply 1.15 1.25 V 1.2-V typical. A 22-µF bypass capacitor is required
on this power supply.
CVDDQ Clock voltage supply 1.7 3.6 V 1.8-, 3.3-V typical
VIO5 I2C and JTAG voltage supply 1.15 3.6 V 1.2-, 1.8-, 2.5-, and 3.3-V typical
VIH1 Input HIGH voltage 1 0.625 × VCC VCC + 0.3 V For 2.0 V VCC 3.6 V (except USB port).VCC is
the corresponding I/O voltage supply.
VIH2 Input HIGH voltage 2 VCC – 0.4 VCC + 0.3 V For 1.7 V VCC 2.0 V
(except USB port).VCC is the corresponding I/O
voltage supply.
VIL Input LOW voltage –0.3 0.25 × VCC VV
CC is the corresponding I/O voltage supply.
VOH Output HIGH voltage 0.9 × VCC –VI
OH (max) = –100 µA tested at quarter drive strength.
VCC is the corresponding I/O voltage supply.
Refer to Table 12 on page 23 for values of IOH at
various drive strength and VCC.
CYUSB303X
Document Number: 001-84160 Rev. *J Page 22 of 61
VOL Output LOW voltage – 0.1 × VCC V IOL (min) = +100 µA tested at quarter drive strength.
VCC is the corresponding I/O voltage supply.
Refer to Table 12 on page 23 for values of IOL at
various drive strength and VCC.
IIX Input leakage current for all pins
except
SSTXP/SSXM/SSRXP/SSRXM
–1 1 µA All I/O signals held at VDDQ
(For I/Os with a pull-up or pull-down resistor
connected, the leakage current increases by
VDDQ/Rpu or VDDQ/RPD
IOZ Output High-Z leakage current for
all pins except SSTXP/ SSXM/
SSRXP/SSRXM
–1 1 µA All I/O signals held at VDDQ
ICC Core Core and analog voltage
operating current
– 200 mA Total current through AVDD, VDD
ICC USB USB voltage supply operating
current
–60mA
ISB1 Total suspend current during
suspend mode with USB 3.0 PHY
enabled (L1)
– – mA Core current: 1.5 mA
I/O current: 20 µA
USB current: 2 mA
For typical PVT (typical silicon, all power supplies at
their respective nominal levels at 25 °C.)
ISB2 Total suspend current during
suspend mode with USB 3.0 PHY
disabled (L2)
– – mA Core current: 250 µA
I/O current: 20 µA
USB current: 1.2 mA
For typical PVT (Typical silicon, all power supplies
at their respective nominal levels at 25 °C.)
ISB3 Total standby current during
standby mode (L3)
– – µA Core current: 60 µA
I/O current: 20 µA
USB current: 40 µA
For typical PVT (typical silicon, all power supplies at
their respective nominal levels at 25 °C.)
ISB4 Total standby current during core
power-down mode (L4)
– – µA Core current: 0 µA
I/O current: 20 µA
USB current: 40 µA
For typical PVT (typical silicon, all power supplies at
their respective nominal levels at 25 °C.)
VRAMP Voltage ramp rate on core and I/O
supplies
0.2 50 V/ms Voltage ramp must be monotonic
VNNoise level permitted on VDD and
I/O supplies
– 100 mV Max p-p noise level permitted on all supplies except
AVDD
VN_AVDD Noise level permitted on AVDD
supply
– 20 mV Max p-p noise level permitted on AVDD
Table 11. DC Specifications (continued)
Parameter Description Min Max Units Notes
aCYPRESS'
' mmmwmumw
CYUSB303X
Document Number: 001-84160 Rev. *J Page 23 of 61
Thermal Characteristics
AC Timing Parameters
GPIF II lines AC characteristics at 100 MHz
GPIF II PCLK Jitter characteristics
Table 12. IOH/IOL values for different drive strength and VDDIO values
VDDIO (V) VOH (V) VOL (V) Drive Strength IOH max (mA) IOL min (mA)
1.7 1.53 0.17 Quarter 1.02 2.21
Half 1.51 3.28
Three-Quarters 1.83 3.85
Full 2.28 4.73
2.5 2.25 0.25 Quarter 5.03 3.96
Half 7.38 5.84
Three-Quarters 8.89 6.89
Full 11.07 8.61
3.6 3.24 0.36 Quarter 7.80 5.74
Half 11.36 8.64
Three-Quarters 13.64 10.15
Full 16.92 12.67
Table 13. Thermal Characteristics
Parameter Description Value Unit
TJ MAX Maximum Junction Temperature 125 C
JA Thermal resistance (junction to ambient) 34.66 C/W
JB Thermal resistance (junction to board) 27.03 C/W
JC Thermal resistance (junction to case) 13.57 C/W
Table 14. GPIF II lines AC characteristics at 100 MHz
Symbol Parameter Min Typ Max Unit
Tr Rise time – – 2.5 ns
Tf Fall time – – 2.5 ns
Tov Overshoot – – 3 %
Tun Undershoot – – 3 %
Table 15. GPIF II PCLK Jitter characteristics
Clk Freq (MHz) Period Jitter (ps) C-C min (ps) C-C max (ps)
10.08 354.44 –187.92 204.55
25.2 205.97 –153.54 126.53
50.4 144.62 –100.16 85.769
100.8 171.43 –155.13 157.14
Note: The clock jitter is measured using internally generated PCLK. ie. PCLK is configured as an output from GPIF. The data
is measured over 10,000 clock cycles.
M
CYUSB303X
Document Number: 001-84160 Rev. *J Page 24 of 61
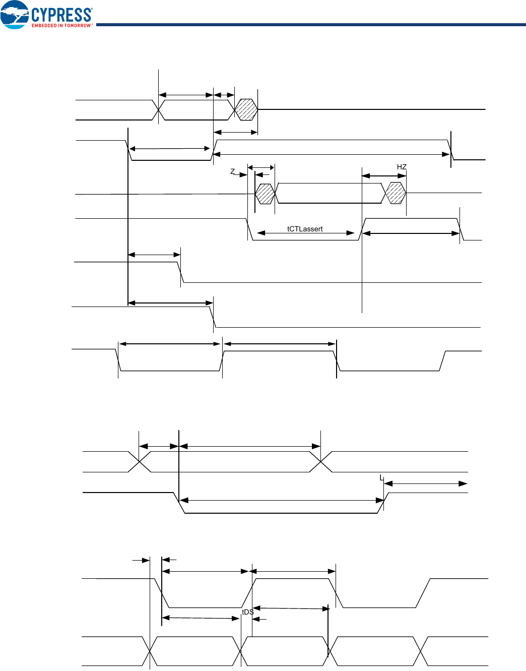
GPIF II Timing
Figure 12. GPIF II Timing in Synchronous Mode
-
CTL (OUT)
CTL(IN)
tS tH
tDHtDS
tCLK
CLK
tCTLO
tCOE
Data (IN) Data1
(OUT)
tHZ
tLZ tDOH
tCOH
tCLKH tCLKL
tLZ
Data2
(OUT)
tCO
tDOH
DQ[15:0]
Table 16. GPIF II Timing Parameters in Synchronous Mode
Parameter [6] Description Min Max Units
Frequency Interface clock frequency –100 MHz
tCLK Interface clock period 10 –ns
tCLKH Clock high time 4 – ns
tCLKL Clock low time 4 – ns
tS CTL input to clock setup time (Sync speed = 1) 2 – ns
tH CTL input to clock hold time (Sync speed = 1) 0.5 –ns
tDS Data in to clock setup time (Sync speed = 1) 2 – ns
tDH Data in to clock hold time (Sync speed = 1) 0.5 –ns
tCO Clock to data out propagation delay when DQ bus is already in output direction
(Sync speed = 1) – 7 ns
tCOE Clock to data out propagation delay when DQ lines change to output from tristate
and valid data is available on the DQ bus (Sync speed = 1) – 9
tCTLO Clock to CTL out propagation delay (Sync speed = 1) – 8 ns
tDOH Clock to data out hold 2 – ns
tCOH Clock to CTL out hold 0 – ns
tHZ Clock to high-Z – 8 ns
tLZ Clock to low-Z (Sync speed = 1) 0 – ns
tS_ss0 CTL input/data input to clock setup time (Sync speed = 0) 5 – ns
tH_ss0 CTL input/data input to clock hold time (Sync speed = 0) 2.5 –ns
tCO_ss0 Clock to data out / CTL out
propagation delay (sync speed = 0) –15 ns
tLZ_ss0 Clock to low-Z (sync speed = 0) 2 – ns
Note
6. All parameters guaranteed by design and validated through characterization.
CYUSB303X
Document Number: 001-84160 Rev. *J Page 25 of 61
Figure 13. GPIF II Timing in Asynchronous Mode
Figure 14. GPIF II Timing in Asynchronous DDR Mode
DATA/ ADDR
CTL#
(I/P , ALE/ DLE)
tCHZ
tCTLalpha
tCTLbeta
tDH/tAH
tCTLdeassert_DQlatch
tCTLdeassert
DATA IN
tCTLassert_DQlatch
tCHZ/tOEHZ
tCLZ/ tOELZ
tDS/ tAS
DATA OUT
DATA OUT
CTL#
(I/P, non ALE/ DLE
ALPHA
O/P
BETA
O/P
tCTL#
(O/P)
tCTLassert tCTLdeassert
11
1. n is an integer >= 0
tAA/tDO
tCTLassert
DATA/
ADDR
CTL#
I/P (non DLE/ALE)
tDST tDHT
tCTLassert_DQassert
tCTLdeassert_DQassert
DATA IN
CTL#
(I/P)
tDS
tCTLassert_DQlatchDDR
tCTLdeassert_DqlatchDDR
tDH
tDS tDH
U]
CYUSB303X
Document Number: 001-84160 Rev. *J Page 26 of 61
Table 17. GPIF II Timing in Asynchronous Mode
Note The following parameters assume one state transition.
Parameter [7] Description Min Max Units
tDS Data In to DLE setup time. Valid in DDR async mode. 2.3 –ns
tDH Data In to DLE hold time. Valid in DDR async mode. 2 – ns
tAS Address In to ALE setup time 2.3 –ns
tAH Address In to ALE hold time 2 – ns
tCTLassert CTL I/O asserted width for CTRL inputs without DQ input associ-
ation and for outputs. 7 – ns
tCTLdeassert CTL I/O deasserted width for CTRL inputs without DQ input
association and for outputs. 7 – ns
tCTLassert_DQassert
CTL asserted pulse width for CTL inputs that signify DQ inputs
valid at the asserting edge but do not employ in-built latches
(ALE/DLE) for those DQ inputs.
20 –ns
tCTLdeassert_DQassert
CTL deasserted pulse width for CTL inputs that signify DQ input
valid at the asserting edge but do not employ in-built latches
(ALE/DLE) for those DQ inputs.
7 – ns
tCTLassert_DQdeassert
CTL asserted pulse width for CTL inputs that signify DQ inputs
valid at the deasserting edge but do not employ in-built latches
(ALE/DLE) for those DQ inputs.
7 – ns
tCTLdeassert_DQdeassert
CTL deasserted pulse width for CTL inputs that signify DQ inputs
valid at the deasserting edge but do not employ in-built latches
(ALE/DLE) for those DQ inputs.
20 –ns
tCTLassert_DQlatch
CTL asserted pulse width for CTL inputs that employ in-built
latches (ALE/DLE) to latch the DQ inputs. In this non-DDR case,
in-built latches are always close at the deasserting edge.
7 – ns
tCTLdeassert_DQlatch
CTL deasserted pulse width for CTL inputs that employ in-built
latches (ALE/DLE) to latch the DQ inputs. In this non-DDR case,
in-built latches always close at the deasserting edge.
10 –ns
tCTLassert_DQlatchDDR CTL asserted pulse width for CTL inputs that employ in-built
latches (DLE) to latch the DQ inputs in DDR mode. 10 –ns
tCTLdeassert_DQlatchDDR CTL deasserted pulse width for CTL inputs that employ in-built
latches (DLE) to latch the DQ inputs in DDR mode. 10 –ns
tAA
DQ/CTL input to DQ output time when DQ change or CTL change
needs to be detected and affects internal updates of input and
output DQ lines.
–30 ns
tDO CTL to data out when the CTL change merely enables the output
flop update whose data was already established. –25 ns
tOELZ CTL designated as OE to low-Z. Time when external devices
should stop driving data. 0 – ns
tOEHZ CTL designated as OE to high-Z 8 8 ns
tCLZ CTL (non-OE) to low-Z. Time when external devices should stop
driving data. 0 – ns
tCHZ CTL (non-OE) to high-Z 30 30 ns
tCTLalpha CTL to alpha change at output –25 ns
tCTLbeta CTL to beta change at output –30 ns
tDST Addr/data setup when DLE/ALE not used 2 – ns
tDHT Addr/data hold when DLE/ALE not used 20 –ns
Note
7. All parameters guaranteed by design and validated through characterization.
CYUSB303X
Document Number: 001-84160 Rev. *J Page 27 of 61
Asynchronous SRAM Timing
Figure 15. Non-multiplexed Asynchronous SRAM Read Timing
tRC
tOE
tOLZ
tOHH
ADDRESS
CE#
OE#
DATA OUT
HIGH
IMPEDANCE
OE# Controlled Timing
Socket Read – Address Transition Controlled Timing (OE# is asserted)
HIGH
IMPEDANCE
DATA
VALID
DATA
VALID
HIGH
IMPEDANCE
tOHC
tAOS
tOEZ
WE# (HIGH)
DATA
OUT
tAA
tOH
A[0]
HIGH
IMPEDANCE
DATA VALID DATA VALID DATA VALID
OE# tOE
tAH
U
CYUSB303X
Document Number: 001-84160 Rev. *J Page 28 of 61
Figure 16. Non-multiplexed Asynchronous SRAM Write Timing (WE# and CE# Controlled)
Figure 17. Non-multiplexed Asynchronous SRAM Write Timing (WE# Controlled, OE# LOW)
Write Cycle 2 CE# Controlled, OE# High During Write
tWC
tCW
tAW
tAS
tAH
tDS tDH
tWHZ
VALID DATA
ADDRESS
DATA I/O
tWP
CE#
WE#
OE#
Write Cycle 1 WE# Controlled, OE# High During Write
tWPH
VALID DATA
tWC
tCW
tAW
tAS
tAH
tDS tDH
tWHZ
VALID DATA
ADDRESS
DATA I/O
tWP
CE#
WE#
OE#
tCPH
VALID DATA
tWC
tCW
tAW
tAS
tAH
tDS tDH
VALID DATA
CE#
WE#
DATA I/O
tWP
tOW
tWHZ
Write Cycle 3 WE# Controlled. OE# Low
Note: tWP must be adjusted such that tWP > tWHZ + tDS
CYUSB303X
Document Number: 001-84160 Rev. *J Page 29 of 61
Table 18. Asynchronous SRAM Timing Parameters
Parameter [8] Description Min Max Units
–SRAM interface bandwidth –61.5 MBps
tRC Read cycle time 32.5 –ns
tAA Address to data valid –30 ns
tAOS Address to OE# LOW setup time 7 – ns
tOH Data output hold from address change 3 – ns
tOHH OE# HIGH hold time 7.5 –ns
tOHC OE# HIGH to CE# HIGH 2 – ns
tOE OE# LOW to data valid –25 ns
tOLZ OE# LOW to LOW-Z 0 – ns
tWC Write cycle time 30 –ns
tCW CE# LOW to write end 30 –ns
tAW Address valid to write end 30 –ns
tAS Address setup to write start 7 – ns
tAH Address hold time from CE# or WE# 2 – ns
tWP WE# pulse width 20 –ns
tWPH WE# HIGH time 10 –ns
tCPH CE# HIGH time 10 –ns
tDS Data setup to write end 7 – ns
tDH Data hold to write end 2 – ns
tWHZ Write to DQ HIGH-Z output –22.5 ns
tOEZ OE# HIGH to DQ HIGH-Z output –22.5 ns
tOW End of write to LOW-Z output 0 – ns
Note
8. All parameters guaranteed by design and validated through characterization.
CYUSB303X
Document Number: 001-84160 Rev. *J Page 30 of 61
ADMux Timing for Asynchronous Access
Figure 18. ADMux Asynchronous Random Read
Figure 19. ADMux Asynchronous Random Write
Valid Address
A[0:7]/DQ[0:15]
ADV#
OE#
CE#
Valid Data
tVP
tAVS tAVH
tAVOE
tCO
tRC
tHZ
tHZ
tOE
tOLZ
tCEAV
Note:
1. Multiple read cycles can be executed while keeping CE# low.
2. Read operation ends with either de-assertion of either OE# or CE#, whichever comes earlier.
Valid
Addr
tACC
WE# (HIGH)
tCPH
Address Valid
A[0:7]/DQ[0:15]
ADV#
WE#
CE#
Data Valid
tAVWE
tWP
tDS tDH
tVP
tAVS tAVH
tCW
Note:
1. Multiple write cycles can be executed while keeping CE# low.
2. Write operation ends with de-assertion of either WE# or CE#, whichever comes earlier.
tCPH
tWC
Valid
Addr
tAW
tVPH
tCEAV
tWPH
CYUSB303X
Document Number: 001-84160 Rev. *J Page 31 of 61
Table 19. Asynchronous ADMux Timing Parameters
Parameter [9] Description Min Max Units Notes
ADMux Asynchronous READ Access Timing Parameters
tRC Read cycle time (address valid to
address valid) 54.5 –ns This parameter is dependent on when the
P-port processors deasserts OE#
tACC Address valid to data valid –32 ns –
tCO CE# assert to data valid –34.5 ns –
tAVOE ADV# deassert to OE# assert 2 – ns –
tOLZ OE# assert to data LOW-Z 0 – ns –
tOE OE# assert to data valid –25 ns –
tHZ Read cycle end to data HIGH-Z –22.5 ns –
ADMux Asynchronous WRITE Access Timing Parameters
tWC Write cycle time (Address Valid to
Address Valid) –52.5 ns –
tAW Address valid to write end 30 –ns –
tCW CE# assert to write end 30 –ns –
tAVWE ADV# deassert to WE# assert 2 – ns –
tWP WE# LOW pulse width 20 –ns –
tWPH WE# HIGH pulse width 10 –ns –
tDS Data valid setup to WE# deassert 18 –ns –
tDH Data valid hold from WE# deassert 2 – ns –
ADMux Asynchronous Common READ/WRITE Access Timing Parameters
tAVS Address valid setup to ADV# deassert 5 – ns –
tAVH Address valid hold from ADV# deassert 2 – ns –
tVP ADV# LOW pulse width 7.5 –ns –
tCPH CE# HIGH pulse width 10 –ns –
tVPH ADV# HIGH pulse width 15 –ns –
tCEAV CE# assert to ADV# assert 0 – ns –
Note
9. All parameters guaranteed by design and validated through characterization.
:iCYPRESS'
' EMuEnnEn w mnmw
/////////////
4;
CYUSB303X
Document Number: 001-84160 Rev. *J Page 32 of 61
Synchronous ADMux Timing
Figure 20. Synchronous ADMux Interface – Read Cycle Timing
Figure 21. Synchronous ADMux Interface – Write Cycle Timing
A[0:7]/DQ[0:15]
ADV#
CE#
OE#
RDY
tAVOE
tS
Valid Address
tS
tH
tS tH
tCO
tOHZ
tCLKH tCLKL
CLK
tCH
tKW tKW
tOLZ
tCLK
2- cycle latency from OE# to DATA
WE# (HIGH)
Valid Data
Note:
1) External P-Port processor and FX3S operate on the same clock edge
2) External processor sees RDY assert 2 cycles after OE # asserts andand sees RDY deassert a cycle after the data appears on the output
3) Valid output data appears 2 cycle after OE # asserted. The data is held until OE # deasserts
4) Two cycle latency is shown for 0-100 MHz operation. Latency can be reduced by 1 cycle for operations at less than 50 MHz (this 1 cycle latency is not supported by the bootloader)
A[0:7]/DQ[0:15]
ADV#
CE#
WE#
RDY
tAVWE
tS
Valid Address
tS
Valid Data
tH
tS tH
tDHtDS
tCLK
CLK
tKW
Note:
1) External P-Port processor and FX3S operate on the same clock edge
2) External processor sees RDY assert 2 cycles after WE # asserts and deassert 3 cycles after the edge sampling the data.
3) Two cycle latency is shown for 0-100 MHz operation. Latency can be reduced by 1 cycle for operations at less than 50 MHz (this 1 cycle latency is not supported by the bootloader)
tS tH
tKW
2-cycle latency between
WE# and data being latched 2-cycle latency between this clk edge and RDY deassertion seen by
the host
VITLW (
CYUSB303X
Document Number: 001-84160 Rev. *J Page 33 of 61
Figure 22. Synchronous ADMux Interface – Burst Read Timing
Figure 23. Sync ADMux Interface – Burst Write Timing
A[0:7]/DQ[0:15]
ADV#
CE#
OE#
RDY
tAVOE
tS
Valid Address
tS
D0 D1
tH
tS tH
tCH
tCO
D2
tCLKH tCLKL
tCLK
CLK
D3
2-cycle latency from OE# to Data
tKW
tKW
tHZ
tOLZ
Note:
1) External P-Port processor and FX3S work operate on the same clock edge
2) External processor sees RDY assert 2 cycles after OE # asserts andand sees RDY deassert a cycle after the last burst data appears on the output
3) Valid output data appears 2 cycle after OE # asserted. The last burst data is held until OE # deasserts
4) Burst size of 4 is shown. Transfer size for the operation must be a multiple of burst size. Burst size is usually power of 2. RDY will not deassert in the middle of the burst.
5) External processor cannot deassert OE in the middle of a burst. If it does so, any bytes remaining in the burst packet could get lost.
6) Two cycle latency is shown for 0-100 MHz operation. Latency can be reduced by 1 cycle for operations at less than 50 MHz (this 1 cycle latency is not supported by the bootloader)
A[0:7]/DQ[0:15]
ADV#
CE#
WE#
tAVWE
tS
Valid Address
tS
D1
tH
tS tH
tDHtDS
D3
tDH
tCLKH tCLKL
tCLK
CLK
D0
RDY tKW
D2
2-cycle latency between
WE# and data being latched
tKW
2-cycle latency between this clk edge and RDY
deassertion seen by the host
Note:
1) External P-Port processor and FX3S operate on the same clock edge
2) External processor sees RDY assert 2 cycles after WE # asserts and deasserts 3 cycles after the edge sampling the last burst data.
3) Transfer size for the operation must be a multiple of burst size. Burst size is usually power of 2. RDY will not deassert in the middle of the burst. Burst size of 4 is shown
4) External processor cannot deassert WE in the middle of a burst. If it does so, any bytes remaining in the burst packet could get lost.
5)Two cycle latency is shown for 0-100 MHz operation. Latency can be reduced by 1 cycle for operations at less than 50 MHz (this 1 cycle latency is not supported by the bootloader)
CYUSB303X
Document Number: 001-84160 Rev. *J Page 34 of 61
Table 20. Synchronous ADMux Timing Parameters
Parameter [10] Description Min Max Unit
FREQ Interface clock frequency –100 MHz
tCLK Clock period 10 –ns
tCLKH Clock HIGH time 4 – ns
tCLKL Clock LOW time 4 – ns
tS CE#/WE#/DQ setup time 2 – ns
tH CE#/WE#/DQ hold time 0.5 –ns
tCH Clock to data output hold time 0 – ns
tDS Data input setup time 2 – ns
tDH Clock to data input hold 0.5 –ns
tAVDOE ADV# HIGH to OE# LOW 0 – ns
tAVDWE ADV# HIGH to WE# LOW 0 – ns
tHZ CE# HIGH to Data HIGH-Z – 8 ns
tOHZ OE# HIGH to Data HIGH-Z – 8 ns
tOLZ OE# LOW to Data LOW-Z 0 – ns
tKW Clock to RDY valid – 8 ns
Note
10. All parameters guaranteed by design and validated through characterization.
fllf‘q—p Ljfibxibfluud L
\
f?
;;
CYUSB303X
Document Number: 001-84160 Rev. *J Page 35 of 61
Slave FIFO Interface
Synchronous Slave FIFO Sequence Description
■FIFO address is stable and SLCS is asserted
■FLAG indicates FIFO not empty status
■SLOE is asserted. SLOE is an output-enable only, whose sole
function is to drive the data bus.
■SLRD is asserted
The FIFO pointer is updated on the rising edge of the PCLK,
while the SLRD is asserted. This starts the propagation of data
from the newly addressed location to the data bus. After a
propagation delay of tco (measured from the rising edge of
PCLK), the new data value is present. N is the first data value
read from the FIFO. To have data on the FIFO data bus, SLOE
must also be asserted.
The same sequence of events is shown for a burst read.
FLAG Usage:
The FLAG signals are monitored for flow control by the external
processor. FLAG signals are outputs from FX3S that may be
configured to show empty, full, or partial status for a dedicated
thread or the current thread that is addressed.
Socket Switching Delay (Tssd):
The socket-switching delay is measured from the time
EPSWITCH# is asserted by the master, with the new socket
address on the address bus, to the time the Current_Thread_D-
MA_Ready flag is asserted. For the Producer socket, the flag is
asserted when it is ready to receive data in the DMA buffer. For
the Consumer socket, the flag is asserted when it is ready to
drive data out of the DMA buffer. For a synchronous slave FIFO
interface, the switching delay is measured in the number of GPIF
interface clock cycles; for an asynchronous slave FIFO interface,
in PIB clock cycles. This is applicable only for the 5-bit Slave
FIFO interface; there is no socket-switching delay in FX3’s 2-bit
Slave FIFO interface, which makes use of thread switching in the
GPIF™ II state machine.
Note For burst mode, the SLRD# and SLOE# are asserted
during the entire duration of the read. When SLOE# is asserted,
the data bus is driven (with data from the previously addressed
FIFO). For each subsequent rising edge of PCLK, while the
SLRD# is asserted, the FIFO pointer is incremented and the next
data value is placed on the data bus.
Figure 24. Synchronous Slave FIFO Read Mode
Synchronous Read Cycle Timing
PCLK
FIFO ADDR
tCYC
tCH tCL
AS
SLCS
SLRD
tRDS tRDH
SLOE
FLAGA
( dedicated thread Flag for An )
( 1 = Not Empty 0 = Empty )
tOELZ
Data Out High-Z Data
driven:D
N(An)
tCDH
tOEZ t
An Am
D
N(Am)
SLWR (HIGH)
tAH
FLAGB
t
tCFLG
tCFLG
t
Tssd
(dedicated thread Flag for Am )
( 1 = Not Empty 0 = Empty )
Tssd
t
CO
DN (An) DN+1 (Am) DN+2 (Am)
ACCD
ACCD
High-Z High-Z
tOEZ
my D
\LS
+ t
Hm
CYUSB303X
Document Number: 001-84160 Rev. *J Page 36 of 61
Synchronous Slave FIFO Write Sequence Description
■FIFO address is stable and the signal SLCS# is asserted
■External master or peripheral outputs the data to the data bus
■SLWR# is asserted
■While the SLWR# is asserted, data is written to the FIFO and
on the rising edge of the PCLK, the FIFO pointer is incremented
■The FIFO flag is updated after a delay of t WFLG from the rising
edge of the clock
The same sequence of events is also shown for burst write
Note For the burst mode, SLWR# and SLCS# are asserted for
the entire duration, during which all the required data values are
written. In this burst write mode, after the SLWR# is asserted, the
data on the FIFO data bus is written to the FIFO on every rising
edge of PCLK. The FIFO pointer is updated on each rising edge
of PCLK.
Short Packet: A short packet can be committed to the USB host
by using the PKTEND#. The external device or processor should
be designed to assert the PKTEND# along with the last word of
data and SLWR# pulse corresponding to the last word. The
FIFOADDR lines must be held constant during the PKTEND#
assertion.
Zero-Length Packet: The external device or processor can
signal a Zero-Length Packet (ZLP) to FX3S simply by asserting
PKTEND#, without asserting SLWR#. SLCS# and address must
be driven as shown in Figure 25.
Figure 25. Synchronous Slave FIFO Write Mode
Synchronous Write Cycle Timing
PCLK
FIFO ADDR
tCYC
tCH tCL
tAS
SLCS
SLWR
Data IN High-Z DN(An)
tDH
tDS tDH tDS tDH
tWRS tWRH
tPEH
PKTEND
DN(Am) DN+1(Am) DN+2 (Am)
SLOE
(HIGH)
An Am
tAH
tPES
FLAGA
dedicated thread FLAG for An
( 1 = Not Full 0= Full)
tCFLG
FLAGB
current thread FLAG for Am
( 1 = Not Full 0= Full)
tCFLG
tFAD
tFAD
Tssd
Tssd
CYUSB303X
Document Number: 001-84160 Rev. *J Page 37 of 61
Asynchronous Slave FIFO Read Sequence
Description
■FIFO address is stable and the SLCS# signal is asserted.
■SLOE# is asserted. This results in driving the data bus.
■SLRD # is asserted.
■Data from the FIFO is driven after assertion of SLRD#. This
data is valid after a propagation delay of tRDO from the falling
edge of SLRD#.
■FIFO pointer is incremented on deassertion of SLRD#
In Figure 26 on page 38, data N is the first valid data read from
the FIFO. For data to appear on the data bus during the read
cycle, SLOE# must be in an asserted state. SLRD# and SLOE#
can also be tied.
The same sequence of events is also shown for a burst read.
Note In the burst read mode, during SLOE# assertion, the data
bus is in a driven state (data is driven from a previously
addressed FIFO). After assertion of SLRD# data from the FIFO
is driven on the data bus (SLOE# must also be asserted). The
FIFO pointer is incremented after deassertion of SLRD#.
Table 21. Synchronous Slave FIFO Parameters
Parameter [11] Description Min Max Units
FREQ Interface clock frequency –100 MHz
tCYC Clock period 10 –ns
tCH Clock high time 4 – ns
tCL Clock low time 4 – ns
tRDS SLRD# to CLK setup time 2 – ns
tRDH SLRD# to CLK hold time 0.5 –ns
tWRS SLWR# to CLK setup time 2 – ns
tWRH SLWR# to CLK hold time 0.5 –ns
tCO Clock to valid data – 7 ns
tDS Data input setup time 2 – ns
tDH CLK to data input hold 0.5 –ns
tAS Address to CLK setup time 2 – ns
tAH CLK to address hold time 0.5 –ns
tOELZ SLOE# to data low-Z 0 – ns
tCFLG CLK to flag output propagation delay – 8 ns
tOEZ SLOE# deassert to Data Hi Z – 8 ns
tPES PKTEND# to CLK setup 2 – ns
tPEH CLK to PKTEND# hold 0.5 –ns
tCDH CLK to data output hold 2 – ns
tSSD Socket switching delay 268 Clock
cycles
tACCD Latency from SLRD# to Data 2 2 Clock
cycles
tFAD Latency from SLWR# to FLAG 3 3 Clock
cycles
Note Three-cycle latency from ADDR to DATA/FLAGS
Note
11. All parameters guaranteed by design and validated through characterization.
SES 1
4;
1 T
CYUSB303X
Document Number: 001-84160 Rev. *J Page 38 of 61
Figure 26. Asynchronous Slave FIFO Read Mode
Asynchronous Slave FIFO Write Sequence
Description
■FIFO address is driven and SLCS# is asserted
■SLWR# is asserted. SLCS# must be asserted with SLWR# or
before SLWR# is asserted
■Data must be present on the tWRS bus before the deasserting
edge of SLWR#
■Deassertion of SLWR# causes the data to be written from the
data bus to the FIFO, and then the FIFO pointer is incremented
■The FIFO flag is updated after the tWFLG from the deasserting
edge of SLWR.
The same sequence of events is shown for a burst write.
Note that in the burst write mode, after SLWR# deassertion, the
data is written to the FIFO, and then the FIFO pointer is
incremented.
Short Packet: A short packet can be committed to the USB host
by using the PKTEND#. The external device or processor should
be designed to assert the PKTEND# along with the last word of
data and SLWR# pulse corresponding to the last word. The
FIFOADDR lines must be held constant during the PKTEND#
assertion.
Zero-Length Packet: The external device or processor can
signal a zero-length packet (ZLP) to FX3S simply by asserting
PKTEND#, without asserting SLWR#. SLCS# and the address
must be driven as shown in Figure 27 on page 39.
FLAG Usage: The FLAG signals are monitored by the external
processor for flow control. FLAG signals are FX3S outputs that
can be configured to show empty, full, and partial status for a
dedicated address or the current address.
FIFO ADDR
tAS
SLCS
SLRD
tRDl
SLOE
FLAGA
dedicated thread Flag for An
(1=Not empty 0 = Empty)
tOE
Data Out High-Z
tAH
DN(An)
tRDO tOE tRDO
tOH tOH
tRDh
tRDO
tLZ
DN(An) DN(Am) DN+1(Am) DN+2(Am)
SLWR
(HIGH)
An Am
FLAGB
dedicated thread Flag for Am
(1=Not empty 0 = Empty)
tRFLG
tFLG

CYUSB303X
Document Number: 001-84160 Rev. *J Page 39 of 61
Figure 27. Asynchronous Slave FIFO Write Mode
Asynchronous Write Cycle Timing
FIFO ADDR
tAS
SLCS
SLWR
tWRl
DATA In High-Z
tAH
DN(An)
tWR
S
tWR
S
tWRH
tWRh
tWRH
PKTEND
DN(Am) DN+1(Am) DN+2(Am)
SLOE
(HIGH)
An Am
FLAGA
dedicated thread Flag for An
(1=Not Full 0 = Full)
tWFLG
tWFLG
FLAGB
dedicated thread Flag for Am
(1=Not Full 0 = Full)
tFLG
tWRPE
tWRPE: SLWR# de-assert to PKTEND deassert = 2ns min (This means that PKTEND should not be be deasserted before SLWR#)
Note: PKTEND must be asserted at the same time as SLWR#.
Asynchronous ZLP Write Cycle Timing
FIFO ADDR
tAS
SLCS
SLWR
(HIGH)
DATA In High-Z
tAH
SLOE
(HIGH)
An
FLAGA
dedicated thread Flag for An
(1=Not Full 0 = Full)
FLAGB
dedicated thread Flag for Am
(1=Not Full 0 = Full)
PKTEND
tPEl tPEh
tWFLG
tPEh
CYUSB303X
Document Number: 001-84160 Rev. *J Page 40 of 61
Table 22. Asynchronous Slave FIFO Parameters
Parameter [12] Description Min Max Units
tRDI SLRD# low 20 –ns
tRDh SLRD# high 10 –ns
tAS Address to SLRD#/SLWR# setup time 7 – ns
tAH SLRD#/SLWR#/PKTEND to address hold time 2 – ns
tRFLG SLRD# to FLAGS output propagation delay –35 ns
tFLG ADDR to FLAGS output propagation delay –22.5
tRDO SLRD# to data valid –25 ns
tOE OE# low to data valid –25 ns
tLZ OE# low to data low-Z 0 – ns
tOH SLOE# deassert data output hold –22.5 ns
tWRI SLWR# low 20 –ns
tWRh SLWR# high 10 –ns
tWRS Data to SLWR# setup time 7 – ns
tWRH SLWR# to Data Hold time 2 – ns
tWFLG SLWR#/PKTEND to Flags output propagation delay –35 ns
tPEI PKTEND low 20 –ns
tPEh PKTEND high 7.5 –ns
tWRPE SLWR# deassert to PKTEND deassert 2 – ns
Note
12. All parameters guaranteed by design and validated through characterization.
‘CYPRESS'
' mmmwmumw
Parameter
CYUSB303X
Document Number: 001-84160 Rev. *J Page 41 of 61
Storage Port Timing
The S0-Port and S1-Port support the MMC Specification Version 4.41 and SD Specification Version 3.0. Table 23 lists the timing
parameters for S-Port of the FX3S device.
Table 23. S-Port Timing Parameters
Parameter [13] Description Min Max Units
MMC-20
tSDIS CMD Host input setup time for CMD 4.8 –ns
tSDIS DAT Host input setup time for DAT 4.8 –ns
tSDIH CMD Host input hold time for CMD 4.4 –ns
tSDIH DAT Host input hold time for DAT 4.4 –ns
tSDOS CMD Host output setup time for CMD 5 – ns
tSDOS DAT Host output setup time for DAT 5 – ns
tSDOH CMD Host output hold time for CMD 5 – ns
tSDOH DAT Host output hold time for DAT 5 – ns
tSCLKR Clock rise time – 2 ns
tSCLKF Clock fall time – 2 ns
tSDCK Clock cycle time 50 –ns
SDFREQ Clock frequency –20 MHz
tSDCLKOD Clock duty cycle 40 60 %
MMC-26
tSDIS CMD Host input setup time for CMD 10 –ns
tSDIS DAT Host input setup time for DAT 10 –ns
tSDIH CMD Host input hold time for CMD 9 – ns
tSDIH DAT Host input hold time for DAT 9 – ns
tSDOS CMD Host output setup time for CMD 3 – ns
tSDOS DAT Host output setup time for DAT 3 – ns
tSDOH CMD Host output hold time for CMD 3 – ns
tSDOH DAT Host output hold time for DAT 3 – ns
tSCLKR Clock rise time – 2 ns
tSCLKF Clock fall time – 2 ns
tSDCK Clock cycle time 38.5 –ns
SDFREQ Clock frequency –26 MHz
tSDCLKOD Clock duty cycle 40 60 %
MC-HS
tSDIS CMD Host input setup time for CMD 4 – ns
tSDIS DAT Host input setup time for DAT 4 – ns
tSDIH CMD Host input hold time for CMD 3 – ns
tSDIH DAT Host input hold time for DAT 3 – ns
tSDOS CMD Host output setup time for CMD 3 – ns
tSDOS DAT Host output setup time for DAT 3 – ns
tSDOH CMD Host output hold time for CMD 3 – ns
tSDOH DAT Host output hold time for DAT 3 – ns
Note
13. All parameters guaranteed by design and validated through characterization.
“CYPRESS
mmmwmumw
Parameter
CYUSB303X
Document Number: 001-84160 Rev. *J Page 42 of 61
tSCLKR Clock rise time – 2 ns
tSCLKF Clock fall time – 2 ns
tSDCK Clock cycle time 19.2 –ns
SDFREQ Clock frequency –52 MHz
tSDCLKOD Clock duty cycle 40 60 %
MMC-DDR52
tSDIS CMD Host input setup time for CMD 4 – ns
tSDIS DAT Host input setup time for DAT 0.56 –ns
tSDIH CMD Host input hold time for CMD 3 – ns
tSDIH DAT Host input hold time for DAT 2.58 –ns
tSDOS CMD Host output setup time for CMD 3 – ns
tSDOS DAT Host output setup time for DAT 2.5 –ns
tSDOH CMD Host output hold time for CMD 3 – ns
tSDOH DAT Host output hold time for DAT 2.5 –ns
tSCLKR Clock rise time – 2 ns
tSCLKF Clock fall time – 2 ns
tSDCK Clock cycle time 19.2 –ns
SDFREQ Clock frequency –52 MHz
tSDCLKOD Clock duty cycle 45 55 %
SD-Default Speed (SDR12)
tSDIS CMD Host input setup time for CMD 24 –ns
tSDIS DAT Host input setup time for DAT 24 –ns
tSDIH CMD Host input hold time for CMD 2.5 –ns
tSDIH DAT Host input hold time for DAT 2.5 –ns
tSDOS CMD Host output setup time for CMD 5 – ns
tSDOS DAT Host output setup time for DAT 5 – ns
tSDOH CMD Host output hold time for CMD 5 – ns
tSDOH DAT Host output hold time for DAT 5 – ns
tSCLKR Clock rise time – 2 ns
tSCLKF Clock fall time – 2 ns
tSDCK Clock cycle time 40 –ns
SDFREQ Clock frequency –25 MHz
tSDCLKOD Clock duty cycle 40 60 %
SD-High-Speed (SDR25)
tSDIS CMD Host input setup time for CMD 4 – ns
tSDIS DAT Host input setup time for DAT 4 – ns
tSDIH CMD Host input hold time for CMD 2.5 –ns
tSDIH DAT Host input hold time for DAT 2.5 –ns
tSDOS CMD Host output setup time for CMD 6 – ns
tSDOS DAT Host output setup time for DAT 6 – ns
tSDOH CMD Host output hold time for CMD 2 – ns
tSDOH DAT Host output hold time for DAT 2 – ns
tSCLKR Clock rise time – 2 ns
Table 23. S-Port Timing Parameters (continued)
Parameter [13] Description Min Max Units
aCYPRESS'
' mmmwmumw
Parameter
CYUSB303X
Document Number: 001-84160 Rev. *J Page 43 of 61
tSCLKF Clock fall time – 2 ns
tSDCK Clock cycle time 20 –ns
SDFREQ Clock frequency –50 MHz
tSDCLKOD Clock duty cycle 40 60 %
SD-SDR50
tSDIS CMD Host input setup time for CMD 1.5 –ns
tSDIS DAT Host input setup time for DAT 1.5 –ns
tSDIH CMD Host input hold time for CMD 2.5 –ns
tSDIH DAT Host input hold time for DAT 2.5 –ns
tSDOS CMD Host output setup time for CMD 3 – ns
tSDOS DAT Host output setup time for DAT 3 – ns
tSDOH CMD Host output hold time for CMD 0.8 –ns
tSDOH DAT Host output hold time for DAT 0.8 –ns
tSCLKR Clock rise time – 2 ns
tSCLKF Clock fall time – 2 ns
tSDCK Clock cycle time 10 –ns
SDFREQ Clock frequency 100 MHz
tSDCLKOD Clock duty cycle 40 60 %
SD-DDR50
tSDIS CMD Host input setup time for CMD 4 – ns
tSDIS DAT Host input setup time for DAT 0.92 –ns
tSDIH CMD Host input hold time for CMD 2.5 –ns
tSDIH DAT Host input hold time for DAT 2.5 –ns
tSDOS CMD Host output setup time for CMD 6 – ns
tSDOS DAT Host output setup time for DAT 3 – ns
tSDOH CMD Host output hold time for CMD 0.8 –ns
tSDOH DAT Host output hold time for DAT 0.8 –ns
tSCLKR Clock rise time – 2 ns
tSCLKF Clock fall time – 2 ns
tSDCK Clock cycle time 20 –ns
SDFREQ Clock frequency –50 MHz
tSDCLKOD Clock duty cycle 45 55 %
Table 23. S-Port Timing Parameters (continued)
Parameter [13] Description Min Max Units
‘CYPRESS'
' EMaEnnEn w mmmw-
CYUSB303X
Document Number: 001-84160 Rev. *J Page 44 of 61
Serial Peripherals Timing
I2C Timing
Figure 28. I2C Timing Definition
aCYPRESS'
' mmmwmumw
[14]
CYUSB303X
Document Number: 001-84160 Rev. *J Page 45 of 61
Table 24. I2C Timing Parameters
Parameter [14] Description Min Max Units
I2C Standard Mode Parameters
fSCL SCL clock frequency 0100 kHz
tHD:STA Hold time START condition 4 – µs
tLOW LOW period of the SCL 4.7 –µs
tHIGH HIGH period of the SCL 4 – µs
tSU:STA Setup time for a repeated START condition 4.7 –µs
tHD:DAT Data hold time 0 – µs
tSU:DAT Data setup time 250 –ns
tr Rise time of both SDA and SCL signals –1000 ns
tf Fall time of both SDA and SCL signals –300 ns
tSU:STO Setup time for STOP condition 4 – µs
tBUF Bus free time between a STOP and START condition 4.7 –µs
tVD:DAT Data valid time –3.45 µs
tVD:ACK Data valid ACK –3.45 µs
tSP Pulse width of spikes that must be suppressed by input filter n/a n/a
I2C Fast Mode Parameters
fSCL SCL clock frequency 0400 kHz
tHD:STA Hold time START condition 0.6 –µs
tLOW LOW period of the SCL 1.3 –µs
tHIGH HIGH period of the SCL 0.6 –µs
tSU:STA Setup time for a repeated START condition 0.6 –µs
tHD:DAT Data hold time 0 – µs
tSU:DAT Data setup time 100 –ns
tr Rise time of both SDA and SCL signals –300 ns
tf Fall time of both SDA and SCL signals –300 ns
tSU:STO Setup time for STOP condition 0.6 –µs
tBUF Bus free time between a STOP and START condition 1.3 –µs
tVD:DAT Data valid time –0.9 µs
tVD:ACK Data valid ACK –0.9 µs
tSP Pulse width of spikes that must be suppressed by input filter 050 ns
I2C Fast Mode Plus Parameters (Not supported at I2C_VDDQ=1.2 V)
fSCL SCL clock frequency 01000 kHz
tHD:STA Hold time START condition 0.26 –µs
tLOW LOW period of the SCL 0.5 –µs
tHIGH HIGH period of the SCL 0.26 –µs
tSU:STA Setup time for a repeated START condition 0.26 –µs
Note
14. All parameters guaranteed by design and validated through characterization.
VA
.1
'
CYUSB303X
Document Number: 001-84160 Rev. *J Page 46 of 61
I2S Timing Diagram
Figure 29. I2S Transmit Cycle
tHD:DAT Data hold time 0 – µs
tSU:DAT Data setup time 50 –ns
tr Rise time of both SDA and SCL signals –120 ns
tf Fall time of both SDA and SCL signals –120 ns
tSU:STO Setup time for STOP condition 0.26 –µs
tBUF Bus-free time between a STOP and START condition 0.5 –µs
tVD:DAT Data valid time –0.45 µs
tVD:ACK Data valid ACK –0.55 µs
tSP Pulse width of spikes that must be suppressed by input filter 050 ns
Table 24. I2C Timing Parameters (continued)
Parameter [14] Description Min Max Units
tT
tTR tTF tTL
tThd
tTd
tTH
SCK
SA,
WS (output)
Table 25. I2S Timing Parameters
Parameter [15] Description Min Max Units
tT I2S transmitter clock cycle Ttr –ns
tTL I2S transmitter cycle LOW period 0.35 × Ttr –ns
tTH I2S transmitter cycle HIGH period 0.35 × Ttr –ns
tTR I2S transmitter rise time –0.15 × Ttr ns
tTF I2S transmitter fall time –0.15 × Ttr ns
tThd I2S transmitter data hold time 0 – ns
tTd I2S transmitter delay time –0.8 × tT ns
Note tT is selectable through clock gears. Max Ttr is designed for 96-kHz codec at 32 bits to be 326 ns (3.072 MHz).
Note
15. All parameters guaranteed by design and validated through characterization.
\i 1/
3 :fl% ;:_;1 1
f ”H; \‘x‘ /’ 41/? (—V
,"1 :‘x 1 \ 1’} 1x ‘
WW , L/
‘ " a
//#
CYUSB303X
Document Number: 001-84160 Rev. *J Page 47 of 61
SPI Timing Specification
Figure 30. SPI Timing
LSB
LSB
MSB
MSB
LSB
LSB
MSB
MSB
tlead
tsck
tsdd
thoi
twsck twsck
tlag
td
v
trf
tssnh
tdis
tsdi
tlead
tsck
twsck twsck
tlag
trf
tssnh
tsdi
tdis
tdv
thoi
SSN
(output)
SCK
(CPOL=0,
Output)
SCK
(CPOL=1,
Output)
MISO
(input)
MOSI
(output)
SSN
(output)
SCK
(CPOL=0,
Output)
SCK
(CPOL=1,
Output)
MISO
(input)
MOSI
(output)
SPI Master Timing for CPHA = 0
SPI Master Timing for CPHA = 1
tdi
tdi
GCYPRESS'
(Mailman w vmmw
1 l2 Isckl‘ 71
CYUSB303X
Document Number: 001-84160 Rev. *J Page 48 of 61
Table 26. SPI Timing Parameters
Parameter [16] Description Min Max Units
fop Operating frequency 033 MHz
tsck Cycle time 30 –ns
twsck Clock high/low time 13.5 –ns
tlead SSN-SCK lead time 1/2 tsck[17] – 5 1.5 tsck[17] + 5 ns
tlag Enable lag time 0.5 1.5 tsck[17] + 5 ns
trf Rise/fall time – 8 ns
tsdd Output SSN to valid data delay time – 5 ns
tdv Output data valid time – 5 ns
tdi Output data invalid 0 – ns
tssnh Minimum SSN high time 10 –ns
tsdi Data setup time input 8 – ns
thoi Data hold time input 0 – ns
tdis Disable data output on SSN high 0 – ns
Notes
16. All parameters guaranteed by design and validated through characterization.
17. Depends on LAG and LEAD setting in the SPI_CONFIG register.
aCYPRESS'
' mmnmwmmw
u 3” 53
CYUSB303X
Document Number: 001-84160 Rev. *J Page 49 of 61
Reset Sequence
FX3S’s hard reset sequence requirements are specified in this section.
Figure 31. Reset Sequence
Table 27. Reset and Standby Timing Parameters
Parameter Definition Conditions Min (ms) Max (ms)
tRPW Minimum RESET# pulse width Clock Input 1 –
Crystal Input 1 –
tRH Minimum high on RESET# – 5 –
tRR Reset recovery time (after which Boot loader begins firmware
download)
Clock Input 1 –
Crystal Input 5
tSBY Time to enter standby/suspend (from the time MAIN_CLOCK_EN/
MAIN_POWER_EN bit is set)
– – 1
tWU Time to wakeup from standby Clock Input 1 –
Crystal Input 5 –
tWH Minimum time before Standby/Suspend source may be reasserted – 5 –
VDD
(core)
xVDDQ
XTALIN/
CLKIN
RESET #
Mandatory
Reset Pulse Hard Reset
tRPW
tRh
Standby/
Suspend
Source
Standby/Suspend source Is asserted
(MAIN_POWER_EN/ MAIN_CLK_EN bit
is set)
Standby/Suspend
source Is deasserted
tSBY tWU
XTALIN/ CLKIN must be stable
before exiting Standby/Suspend
tRR
tWH
:CYPRESS'
mum w mmuw-
m CORNERJ
um
m
ammo”:
SYMBOL M‘N NOM MAX
A . . 1 20
A1 015 . .
D 100055:
w an as:
m auaasc
a auaasc
MD 11
ME 11
N 121
.4 n a 25 u an a 35
:0 naeasc
.5 naeasc
5n m
:5 m
CYUSB303X
Document Number: 001-84160 Rev. *J Page 50 of 61
Package Diagram
Figure 32. 121-ball FBGA (10 × 10 × 1.2 mm (0.30 mm Ball Diameter)) Package Outline, 001-54471
001-54471 *E
N IS THE NUMBER OF POPULATED SOLDER BALL POSITIONS FOR MATRIX
WHEN THERE IS AN EVEN NUMBER OF SOLDER BALLS IN THE OUTER ROW,
WHEN THERE IS AN ODD NUMBER OF SOLDER BALLS IN THE OUTER ROW,
DEFINE THE POSITION OF THE CENTER SOLDER BALL IN THE OUTER ROW.
"SD" AND "SE" ARE MEASURED WITH RESPECT TO DATUMS A AND B AND
SYMBOL "ME" IS THE BALL MATRIX SIZE IN THE "E" DIRECTION.
SYMBOL "MD" IS THE BALL MATRIX SIZE IN THE "D" DIRECTION.
"e" REPRESENTS THE SOLDER BALL GRID PITCH.
DIMENSION "b" IS MEASURED AT THE MAXIMUM BALL DIAMETER IN A
SOLDER BALL POSITION DESIGNATION PER JEP95, SECTION 3, SPP-020.
"+" INDICATES THE THEORETICAL CENTER OF DEPOPULATED SOLDER
A1 CORNER TO BE IDENTIFIED BY CHAMFER, LASER OR INK MARK
8.
7.
6.
NOTES:
5.
4.
3.
2.
1. ALL DIMENSIONS ARE IN MILLIMETERS.
SD
b
eE
eD
ME
N
0.25
0.00
0.80 BSC
0.80 BSC
0.30
121
11
0.35
DIMENSIONS
D1
MD
E1
E
D
A
A1
SYMBOL
0.15
MIN.
-
8.00 BSC
8.00 BSC
11
10.00 BSC
10.00 BSC
NOM.
-1.20
-
MAX.
SE 0.00
-
METALIZED MARK, INDENTATION OR OTHER MEANS.
"SD" = eD/2 AND "SE" = eE/2.
PLANE PARALLEL TO DATUM C.
"SD" OR "SE" = 0.
SIZE MD X ME.
BALLS.
765432111 10 9 8
L
K
J
H
G
F
E
D
C
B
A
121XØb 5
Ø0.15 C
M
C
Ø0.08 M
AB
C
A1
0.08 C
0.20 C
DETAIL A
TOP VIEW
BOTTOM VIEW
SIDE VIEW
A
DETAIL A
A1 CORNER
7
A1 CORNER
A
E
D
0.10
2X C
B
0.10 2X
C
D1
E1
(datum A)
(datum B)
SD
6
SE
6
eD
eE
001-54471 *F
CYUSB303X
Document Number: 001-84160 Rev. *J Page 51 of 61
Ordering Information
Ordering Code Definitions
Table 28. Device Ordering Information
Ordering Code SRAM (KB) Storage Ports HS-USB OTG GPIF II Data Bus Width Package Type
CYUSB3035-BZXI 512 2Yes 16-bit 121-ball BGA
CYUSB3035-BZXC 512 2Yes 16-bit 121-ball BGA
CYUSB3033-BZXC 512 1Yes 16-bit 121-ball BGA
CYUSB3031-BZXC 256 1No 16-bit 121-ball BGA
CY
Marketing Code: USB = USB Controller
USB
Company ID: CY = Cypress
Package type: BGA
3I/C
Temperature range :
Industrial/Commercial
Base part number for USB 3.0
XXX BZX
Marketing Part Number
CYUSB303X
Document Number: 001-84160 Rev. *J Page 52 of 61
Acronyms Document Conventions
Units of Measure
Acronym Description
DMA Direct Memory Access
HNP Host Negotiation Protocol
MMC Multimedia Card
MTP Media Transfer Protocol
PLL Phase Locked Loop
PMIC Power Management IC
SD Secure Digital
SDIO Secure Digital Input/Output
SLC Single-Level Cell
SLCS Slave Chip Select
SLOE Slave Output Enable
SLRD Slave Read
SLWR Slave Write
SPI Serial Peripheral Interface
SRP Session Request Protocol
USB Universal Serial Bus
Symbol Unit of Measure
°C degree Celsius
Mbps megabits per second
MBps megabytes per second
MHz megahertz
µA microampere
µs microsecond
mA milliampere
ms millisecond
ns nanosecond
ohm
pF picofarad
Vvolt
E:
CYUSB303X
Document Number: 001-84160 Rev. *J Page 53 of 61
Errata
This section describes the errata for Revision D, C, and B of the FX3S. Details include errata trigger conditions, scope of impact,
available workaround, and silicon revision applicability. Contact your local Cypress Sales Representative if you have questions.
Part Numbers Affected
Qualification Status
Product Status: Production
Errata Summary
The following table defines the errata applicability to available Rev. D EZ-USB FX3S SuperSpeed USB Controller family devices.
Part Number Device Characteristics
CYUSB303x-xxxx All Variants
Items [Part Number] Silicon Revision Fix Status
1. Turning off VIO1 during Normal, Suspend, and Standby
modes causes the FX3S to stop working.
CYUSB303x-xxxx Rev. D, C, B Workaround provided
2. USB enumeration failure in USB boot mode when FX3S
is self-powered.
CYUSB303x-xxxx Rev. D, C, B Workaround provided
3. Extra ZLP is generated by the COMMIT action in the
GPIF II state.
CYUSB303x-xxxx Rev. D, C, B Workaround provided
4. Invalid PID Sequence in USB 2.0 ISOC data transfer. CYUSB303x-xxxx Rev. D, C, B Workaround provided
5. USB data transfer errors are seen when ZLP is followed
by data packet within same microframe.
CYUSB303x-xxxx Rev. D, C, B Workaround provided
6. Bus collision is seen when the I2C block is used as a
master in the I2C Multi-master configuration.
CYUSB303x-xxxx Rev. D, C, B Use FX3S in single-master
configuration
7. Low Power U1 Fast-Exit Issue with USB3.0 host
controller.
CYUSB303x-xxxx Rev. D, C, B Workaround provided
8. USB data corruption when operating on hosts with poor
link quality.
CYUSB303x-xxxx Rev. D, C, B Workaround provided
9. Device treats Rx Detect sequence from the USB 3.0
host as a valid U1 exit LFPS burst.
CYUSB303x-xxxx Rev. D, C, B Workaround provided
10. I2C Data Valid (tVD:DAT) specification violation at 400
kHz with a 40/60 duty cycle.
CYUSB303x-xxxx Rev. D, C, B No workaround needed
11. FX3S Device does not respond correctly to Port
Capability Request from Host after multiple power
cycles.
CYUSB303x-xxxx Rev. D, C, B Workaround provided
nnnnnnnnnnnnnnnnnnn
CYUSB303X
Document Number: 001-84160 Rev. *J Page 54 of 61
1. Turning off VIO1 during Normal, Suspend, and Standby modes causes the FX3S to stop working.
■Problem Definition
Turning off the VIO1 during Normal, Suspend, and Standby modes will cause the FX3S to stop working.
■Parameters Affected
N/A
■Trigger Conditions
This condition is triggered when the VIO1 is turned off during Normal, Suspend, and Standby modes.
■Scope Of Impact
FX3S stops working.
■Workaround
VIO1 must stay on during Normal, Suspend, and Standby modes.
■Fix Status
No fix. Workaround is required.
2. USB enumeration failure in USB boot mode when FX3S is self-powered.
■Problem Definition
When FX3S is self-powered and not connected to the USB host, it enters low-power mode and does not wake up when connected
to USB host afterwards. This is because the bootloader does not check the VBUS pin on the connector to detect USB connection.
It expects that the USB bus is connected to the host when it is powered on.
■Parameters Affected
N/A
■Trigger Conditions
This condition is triggered when FX3S is self-powered in USB boot mode.
■Scope Of Impact
Device does not enumerate
■Workaround
Reset the device after connecting to USB host.
■Fix Status
No fix. Workaround is required.
3. Extra ZLP is generated by the COMMIT action in the GPIF II state.
■Problem Definition
When COMMIT action is used in a GPIF-II state without IN_DATA action then an extra Zero Length Packet (ZLP) is committed
along with the data packets.
■Parameters Affected
N/A
■Trigger Conditions
This condition is triggered when COMMIT action is used in a state without IN_DATA action.
■Scope Of Impact
Extra ZLP is generated.
■Workaround
Use IN_DATA action along with COMMIT action in the same state.
■Fix Status
No fix. Workaround is required.
nnnnnnnnnnnnnnnnnnn
CYUSB303X
Document Number: 001-84160 Rev. *J Page 55 of 61
4. Invalid PID Sequence in USB 2.0 ISOC data transfer.
■Problem Definition
When the FX3S device is functioning as a high speed USB device with high bandwidth isochronous endpoints, the PID sequence
of the ISO data packets is governed solely by the isomult setting. The length of the data packet is not considered while generating
the PID sequence during each microframe. For example, even if a short packet is being sent on an endpoint with MULT set to 2;
the PID used will be DATA2
■Parameters Affected
N/A
■Trigger Conditions
This condition is triggered when high bandwidth ISOC transfer endpoints are used.
■Scope Of Impact
ISOC data transfers failure.
■Workaround
This problem can be worked around by reconfiguring the endpoint with a lower isomult setting prior to sending short packets, and
then switching back to the original value.
■Fix Status
No fix. Workaround is required.
5. USB data transfer errors are seen when ZLP is followed by data packet within same microframe.
■Problem Definition
Some data transfer errors may be seen if a Zero Length Packet is followed very quickly (within one microframe or 125 µs) by
another data packet on a burst enabled USB IN endpoint operating at super speed.
■Parameters Affected
N/A
■Trigger Conditions
This condition is triggered in SuperSpeed transfer with ZLPs
■Scope Of Impact
Data failure and lower data speed.
■Workaround
The solution is to ensure that some time is allowed to elapse between a ZLP and the next data packet on burst enabled USB IN
endpoints. If this cannot be ensured at the data source, the CyU3PDmaChannelSetSuspend() API can be used to suspend the
corresponding USB DMA socket on seeing the EOP condition. The channel operation can then be resumed as soon as the
suspend callback is received.
■Fix Status
No fix. Workaround is required.
6. Bus collision is seen when the I2C block is used as a master in the I2C Multi-master configuration.
■Problem Definition
When FX3S is used as a master in the I2C multi-master configuration, there can be occasional bus collisions.
■Parameters Affected
NA
■Trigger Conditions
This condition is triggered only when the FX3S I2C block operates in Multi-master configuration.
■Scope Of Impact
The FX3S I2C block can transmit data when the I2C bus is not idle leading to bus collision.
■Workaround
Use FX3S as a single master.
■Fix Status
No fix.
nnnnnnnnnnnnnnnnnnn
CYUSB303X
Document Number: 001-84160 Rev. *J Page 56 of 61
7. Low Power U1 Fast-Exit Issue with USB3.0 host controller.
■Problem Definition
When FX3S device transitions from Low power U1 state to U0 state within 5 µs after entering U1 state, the device sometimes
fails to transition back to U0 state, resulting in USB Reset.
■Parameters Affected
N/A
■Trigger Conditions
This condition is triggered during low power transition mode.
■Scope Of Impact
Unexpected USB warm reset during data transfer.
■Workaround
This problem can be worked around in the FW by disabling LPM (Link Power Management) during data transfer.
■Fix Status
FW workaround is proven and reliable.
8. USB data corruption when operating on hosts with poor link quality.
■Problem Definition
If FX3S is operating on a USB 3.0 link with poor signal quality, the device could send corrupted data on any of the IN endpoints
(including the control endpoint).
■Parameters Affected
N/A
■Trigger Conditions
This condition is triggered when the USB3.0 link signal quality is very poor.
■Scope Of Impact
Data corruption in any of the IN endpoints (including the control endpoint).
■Workaround
The application firmware should perform an error recovery by stalling the endpoint on receiving CYU3P_USBEPSS_RESET_EVT
event, and then stop and restart DMA path when the CLEAR_FEATURE request is received.
Note: SDK versions 1.3.3 and above internally manages the DMA transfers and performs the endpoint reset when potential error
conditions are seen. For more details in application firmware, please refer to GpiftoUsb example available with SDK.
■Fix Status
FW workaround is proven and reliable.
nnnnnnnnnnnnnnnnnnn
CYUSB303X
Document Number: 001-84160 Rev. *J Page 57 of 61
9. Device treats Rx Detect sequence from the USB 3.0 host as a valid U1 exit LFPS burst.
■Problem Definition
The USB 3.0 PHY in the FX3S device uses an electrical idle detector to determine whether LFPS is being received. The duration
for which the receiver does not see an electrical idle condition is timed to detect various LFPS bursts. This implementation causes
the device to treat an Rx Detect sequence from the USB host as a valid U1 exit LFPS burst.
■Parameters Affected
NA
■Trigger Conditions
This condition is triggered when the USB host is initiating an Rx Detect sequence while the USB 3.0 Link State Machine on the
FX3S is in the U1 state. Since the host will only perform Rx Detect sequence in the RX Detect and U2 states, the error condition
is seen only in cases where the USB link on the host has moved into the U2 state while the link on FX3S is in the U1 state.
■Scope Of Impact
FX3S moves into Recovery prematurely leading to a Recovery failure followed by Warm Reset and USB re-enumeration. This
sequence can repeat multiple times resulting in data transfer failures.
■Workaround
FX3S can be configured to transition from U1 to U2 a few microseconds before the host does so. This will ensure that the link
will be in U2 on the device side before the host attempts any Rx Detect sequence; thereby preventing a false detection of U1 exit.
■Fix Status
Workaround is implemented in FX3S SDK library 1.3.4 and above.
10. I2C Data Valid (tVD:DAT) specification violation at 400 kHz with a 40/60 duty cycle.
■Problem Definition
I2C Data Valid (tVD:DAT) parameter at 400 kHz with a 40/60 duty cycle is 1.0625 µs, which exceeds the I2C specification limit of
0.9 µs.
■Parameters Affected
N/A
■Trigger Conditions
This violation occurs only at 400 kHz with a 40/60 duty cycle of the I2C clock.
■Scope Of Impact
Setup time (tSUDAT) is met with a huge margin for the transmitted data for 400 kHz and so tvd:DAT violation will not cause any data
integrity issues.
■Workaround
No workaround needed.
■Fix Status
No fix needed.
nnnnnnnnnnnnnnnnnnn
CYUSB303X
Document Number: 001-84160 Rev. *J Page 58 of 61
11. FX3S Device does not respond correctly to Port Capability Request from Host after multiple power cycles.
■Problem Definition
During multiple power cycles, sometimes the FX3S device does not respond correctly to the Port Capability request (Link Packet)
from the USB Controller. In view of this, FX3S does not get the subsequent Port Configuration request from the USB controller,
resulting in SS.Disabled state. The device fails to recover from this state and finally results in enumeration failure.
■Parameters Affected
N/A
■Trigger Conditions
This condition is triggered when the FX3S provides an incorrect response to the Port Capability request from the host.
■Scope Of Impact
Device fails to enumerate after multiple retries.
■Workaround
Since the host does not send the Port Configuration request to the FX3S device, it causes a Port Configuration request timeout
interrupt to be triggered in the device. This interrupt is handled in the FX3 SDK 1.3.4 onwards to generate and signal CY_U3P_US-
B_EVENT_LMP_EXCH_FAIL event to the application. This event should be handled in the user application such that it does a
USB Interface Block Restart. Refer the Knowledge Base Article (KBA225778) for more details and the firmware workaround
example project.
■Fix Status
Suggested firmware work-around is proven and reliable.
aCYPRESS'
' maznnznwmmw
03x, EZ-USB®
CYUSB303X
Document Number: 001-84160 Rev. *J Page 59 of 61
Document History Page
Document Title: CYUSB303X, EZ-USB® FX3S SuperSpeed USB Controller
Document Number: 001-84160
Revision ECN Orig. of
Change
Submission
Date Description of Change
** 3786345 SAMT 12/06/2012 New data sheet.
*A 3900859 SAMT 02/11/2013 Updated Ordering Information:
Updated part numbers.
*B 4027072 SAMT 06/20/2013 Updated Ordering Information:
Updated part numbers.
Updated to new template.
*C 4132176 GSZ 09/23/2013 Replaced CYUSB3035 with CYUSB303X in all instances across the document.
Updated Features:
Updated description.
Updated Applications:
Updated description.
Updated Functional Overview:
Updated description.
Updated Storage Port (S-Port):
Updated description.
*D 4616283 MDDD 01/07/2015 Updated Functional Description:
Added “For a complete list of related resources, click here.” at the end.
Added More Information.
*E 4646195 RAJV 09/18/2015 Updated AC Timing Parameters:
Updated Slave FIFO Interface:
Updated Synchronous Slave FIFO Sequence Description:
Updated description.
Updated Figure 24.
Updated Synchronous Slave FIFO Write Sequence Description:
Updated description.
Updated Figure 25.
Updated Table 21.
*F 5085988 ANOP 01/14/2016 No technical updates.
Completing Sunset Review.
*G 5726510 GNKK 05/04/2017 Updated Package Diagram:
spec 001-54471 – Changed revision from *D to *E.
Updated to new template.
*H 6032527 MDDD 02/20/2018 Updated More Information:
Removed CYUSB3KIT-001 Kit related information.
Updated Package Diagram:
spec 001-54471 – Changed revision from *E to *F.
Added Errata.
*I 6186156 HPPC 09/29/2018 Updated Features:
Updated description.
Updated More Information:
Updated description.
Updated Functional Overview:
Updated description.
Updated USB Interface:
Removed “EZ-Dtect”.
Updated Carkit UART Mode:
Updated Figure 5.
aCYPRESS'
' EMaEnnEn m mnmw
03x, EZ-USB®
CYUSB303X
Document Number: 001-84160 Rev. *J Page 60 of 61
*I (cont.) 6186156 HPPC 09/29/2018 Updated Other Interfaces:
Updated I2S Interface:
Updated description.
Updated Boot Options:
Updated description.
Updated Power:
Updated description.
Updated Table 6.
Updated Pinouts:
Updated Figure 11.
Updated Pin Description:
Updated Table 7.
Updated Table 9.
Updated Electrical Specifications:
Updated DC Specifications:
Updated Table 11.
Added Ta b le 12 .
Added Thermal Characteristics.
Updated AC Timing Parameters:
Added GPIF II lines AC characteristics at 100 MHz.
Added GPIF II PCLK Jitter characteristics.
Updated GPIF II Timing:
Updated Table 16:
Changed maximum value of tCO parameter from 8 ns to 7 ns.
Updated Slave FIFO Interface:
Updated Synchronous Slave FIFO Sequence Description:
Updated description.
Updated Synchronous Slave FIFO Write Sequence Description:
Updated Table 21:
Changed maximum value of tCO parameter from 8 ns to 7 ns.
Updated Errata:
Updated description.
Updated Errata Summary:
Updated description.
Updated details in “Silicon Revision” column for all items in the table.
Added items “Low Power U1 Fast-Exit Issue with USB3.0 host controller.”,
“USB data corruption when operating on hosts with poor link quality”, “Device
treats Rx Detect sequence from the USB 3.0 host as a valid U1 exit LFPS
burst.”, “I2C Data Valid (tVD:DAT) specification violation at 400 kHz with a 40/60
duty cycle.” and their corresponding details in the table.
Updated to new template.
*J 6410075 HPPC 12/13/2018 Updated Pin Description:
Updated Table 9.
Updated Errata:
Updated Errata Summary:
Updated description.
Added item “FX3S Device does not respond correctly to Port Capability
Request from Host after multiple power cycles.” and its corresponding details
in the table.
Completing Sunset Review.
Document History Page (continued)
Document Title: CYUSB303X, EZ-USB® FX3S SuperSpeed USB Controller
Document Number: 001-84160
Revision ECN Orig. of
Change
Submission
Date Description of Change
Document Number: 001-84160 Rev. *J Revised December 13, 2018 Page 61 of 61
EZ-USB™ is a trademark and West Bridge® is a registered trademark of Cypress Semiconductor Corporation.
CYUSB303X
© Cypress Semiconductor Corporation, 2012–2018. This document is the property of Cypress Semiconductor Corporation and its subsidiaries, including Spansion LLC ("Cypress"). This document,
including any software or firmware included or referenced in this document ("Software"), is owned by Cypress under the intellectual property laws and treaties of the United States and other countries
worldwide. Cypress reserves all rights under such laws and treaties and does not, except as specifically stated in this paragraph, grant any license under its patents, copyrights, trademarks, or other
intellectual property rights. If the Software is not accompanied by a license agreement and you do not otherwise have a written agreement with Cypress governing the use of the Software, then Cypress
hereby grants you a personal, non-exclusive, nontransferable license (without the right to sublicense) (1) under its copyright rights in the Software (a) for Software provided in source code form, to
modify and reproduce the Software solely for use with Cypress hardware products, only internally within your organization, and (b) to distribute the Software in binary code form externally to end users
(either directly or indirectly through resellers and distributors), solely for use on Cypress hardware product units, and (2) under those claims of Cypress's patents that are infringed by the Software (as
provided by Cypress, unmodified) to make, use, distribute, and import the Software solely for use with Cypress hardware products. Any other use, reproduction, modification, translation, or compilation
of the Software is prohibited.
TO THE EXTENT PERMITTED BY APPLICABLE LAW, CYPRESS MAKES NO WARRANTY OF ANY KIND, EXPRESS OR IMPLIED, WITH REGARD TO THIS DOCUMENT OR ANY SOFTWARE
OR ACCOMPANYING HARDWARE, INCLUDING, BUT NOT LIMITED TO, THE IMPLIED WARRANTIES OF MERCHANTABILITY AND FITNESS FOR A PARTICULAR PURPOSE. No computing
device can be absolutely secure. Therefore, despite security measures implemented in Cypress hardware or software products, Cypress does not assume any liability arising out of any security breach,
such as unauthorized access to or use of a Cypress product. In addition, the products described in these materials may contain design defects or errors known as errata which may cause the product
to deviate from published specifications. To the extent permitted by applicable law, Cypress reserves the right to make changes to this document without further notice. Cypress does not assume any
liability arising out of the application or use of any product or circuit described in this document. Any information provided in this document, including any sample design information or programming
code, is provided only for reference purposes. It is the responsibility of the user of this document to properly design, program, and test the functionality and safety of any application made of this
information and any resulting product. Cypress products are not designed, intended, or authorized for use as critical components in systems designed or intended for the operation of weapons, weapons
systems, nuclear installations, life-support devices or systems, other medical devices or systems (including resuscitation equipment and surgical implants), pollution control or hazardous substances
management, or other uses where the failure of the device or system could cause personal injury, death, or property damage ("Unintended Uses"). A critical component is any component of a device
or system whose failure to perform can be reasonably expected to cause the failure of the device or system, or to affect its safety or effectiveness. Cypress is not liable, in whole or in part, and you
shall and hereby do release Cypress from any claim, damage, or other liability arising from or related to all Unintended Uses of Cypress products. You shall indemnify and hold Cypress harmless from
and against all claims, costs, damages, and other liabilities, including claims for personal injury or death, arising from or related to any Unintended Uses of Cypress products.
Cypress, the Cypress logo, Spansion, the Spansion logo, and combinations thereof, WICED, PSoC, CapSense, EZ-USB, F-RAM, and Traveo are trademarks or registered trademarks of Cypress in
the United States and other countries. For a more complete list of Cypress trademarks, visit cypress.com. Other names and brands may be claimed as property of their respective owners.
Sales, Solutions, and Legal Information
Worldwide Sales and Design Support
Cypress maintains a worldwide network of offices, solution centers, manufacturer’s representatives, and distributors. To find the office
closest to you, visit us at Cypress Locations.
Products
Arm® Cortex® Microcontrollers cypress.com/arm
Automotive cypress.com/automotive
Clocks & Buffers cypress.com/clocks
Interface cypress.com/interface
Internet of Things cypress.com/iot
Memory cypress.com/memory
Microcontrollers cypress.com/mcu
PSoC cypress.com/psoc
Power Management ICs cypress.com/pmic
Touch Sensing cypress.com/touch
USB Controllers cypress.com/usb
Wireless Connectivity cypress.com/wireless
PSoC® Solutions
PSoC 1 | PSoC 3 | PSoC 4 | PSoC 5LP | PSoC 6 MCU
Cypress Developer Community
Community | Projects | Video | Blogs | Training | Components
Technical Support
cypress.com/support
Products related to this Datasheet
IC USB CTLR 3.0 121FBGA
IC USB CTLR
IC USB CTLR
IC USB CTLR